电脑桌面
添加小米粒文库到电脑桌面
安装后可以在桌面快捷访问

特种设备制造许可单位基本条件

特种设备制造许可单位基本条件_第1页
1/31
特种设备制造许可单位基本条件_第2页
2/31
特种设备制造许可单位基本条件_第3页
3/31
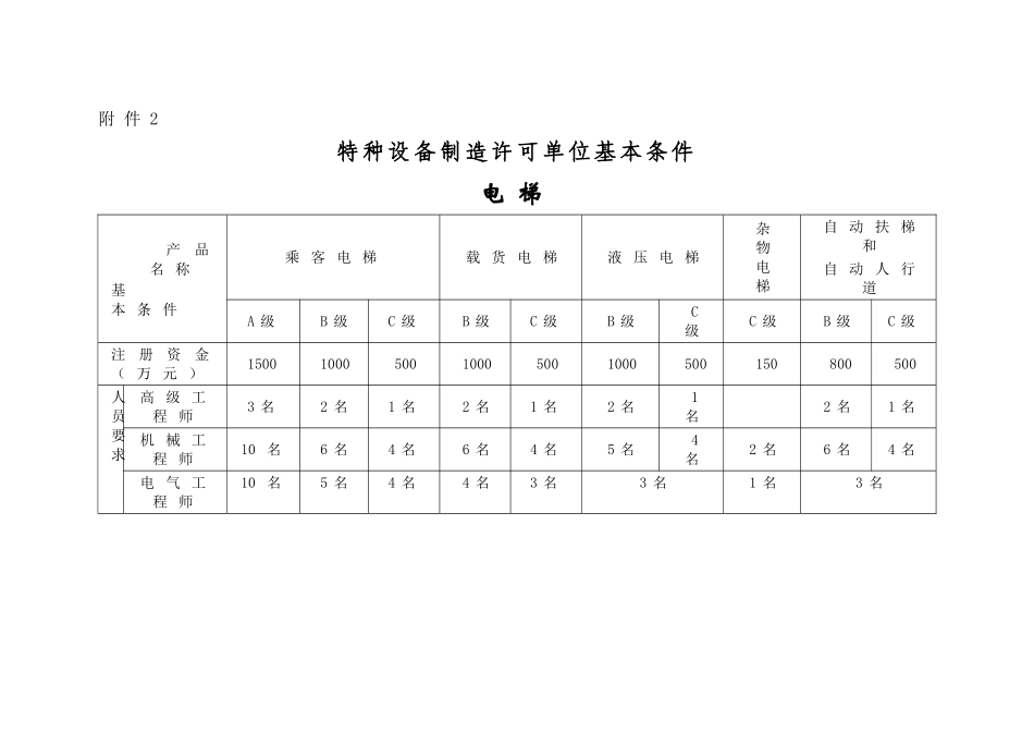
附 件 2特 种 设 备 制 造 许 可 单 位 基 本 条 件电 梯 产品名 称基本 条 件乘 客 电 梯载 货 电 梯液 压 电 梯杂物电梯自 动 扶 梯和自 动 人 行道A 级B 级C 级B 级C 级B 级C级C 级B 级C 级注册资金( 万 元 )1500100050010005001000500150800500人员要求高 级 工程 师3 名2 名1 名2 名1 名2 名1名2 名1 名机 械 工程 师10 名6 名4 名6 名4 名5 名4名2 名6 名4 名电 气 工程 师10 名5 名4 名4 名3 名3 名1 名3 名检 验 人员10名 ,其 中3 名工 程师8名,其中 3名工程师6名,其中 2名工程师8名 ,其中 3名工程师6名,其中 2名工程师6名,其中2名工程师4名,其中2名工程师2名,其中 1名助理工程师4 名 , 其中2 名 工 程师技 术 负责 人高 级 工 程 师工程师高 级 工 程师技 术 工人略生产条件厂 房 建筑 面 积4000m23000m22000m23000m22000m23000m22000m2800m24000m23000m2自 行 加工 件轿 厢 、 组 装 控 制 柜 。组 装 控 制柜 及 整 梯生 产 设备剪 切 设 备 、 折 弯 设 备 、 冲 压 设 备 、 钻 孔 设 备 、 车 削 设 备 、 焊接 设 备 , 以 及 整 形 设 备 、 起 重 设 备 ( 杂 物 电 梯 除 外 ) .生产条件工 艺 装备略整梯(含导轨、梯路系统)组 装 工 装检验检测 仪 器加、减速度测量仪╱╱限 速 器 动 作 速 度 检 测 仪控 制 柜 功 能 检 测 台控 制 柜 耐 压 、 绝 缘 检 测 设 备万用表、钳形电流表、转速表、声级计、游标卡尺、钢直尺 、 卷 尺 、 塞 尺试 验 井道 最低 运 行高 度50m40m20m30m20m30m20m╱能够组装并试验整梯技术文件等技 术 文件所 要 求 技 术 文 件 应 正 确 、 完 整 、 统 一 。设 计 文 件 : 图 样 目 录 、 标 准 件 明 细 表 、 外 购 件 明 细 表 、 外 协 件明 细 表 、 自 制 件 和 外 协 件 设 计 图 纸 、 部 件 装 配 图 、 电 气 原 理图 及 元 器 件 代 号 表 、 设 计 计 算 书; 产 品 包 装 图 、 包 装 技 术 条 件和 产 品 出 厂 随 机 文 件 。工 装 工 艺 文 件 : 工 装 图 明 细 表 ( 目 录 ) 、 工 装 设 ...

1、当您付费下载文档后,您只拥有了使用权限,并不意味着购买了版权,文档只能用于自身使用,不得用于其他商业用途(如 [转卖]进行直接盈利或[编辑后售卖]进行间接盈利)。
2、本站所有内容均由合作方或网友上传,本站不对文档的完整性、权威性及其观点立场正确性做任何保证或承诺!文档内容仅供研究参考,付费前请自行鉴别。
3、如文档内容存在违规,或者侵犯商业秘密、侵犯著作权等,请点击“违规举报”。

碎片内容

特种设备制造许可单位基本条件

确认删除?
VIP
微信客服
  • 扫码咨询
会员Q群
  • 会员专属群点击这里加入QQ群
客服邮箱
回到顶部