电脑桌面
添加小米粒文库到电脑桌面
安装后可以在桌面快捷访问

特种设备安全检查表

特种设备安全检查表_第1页
1/2
特种设备安全检查表_第2页
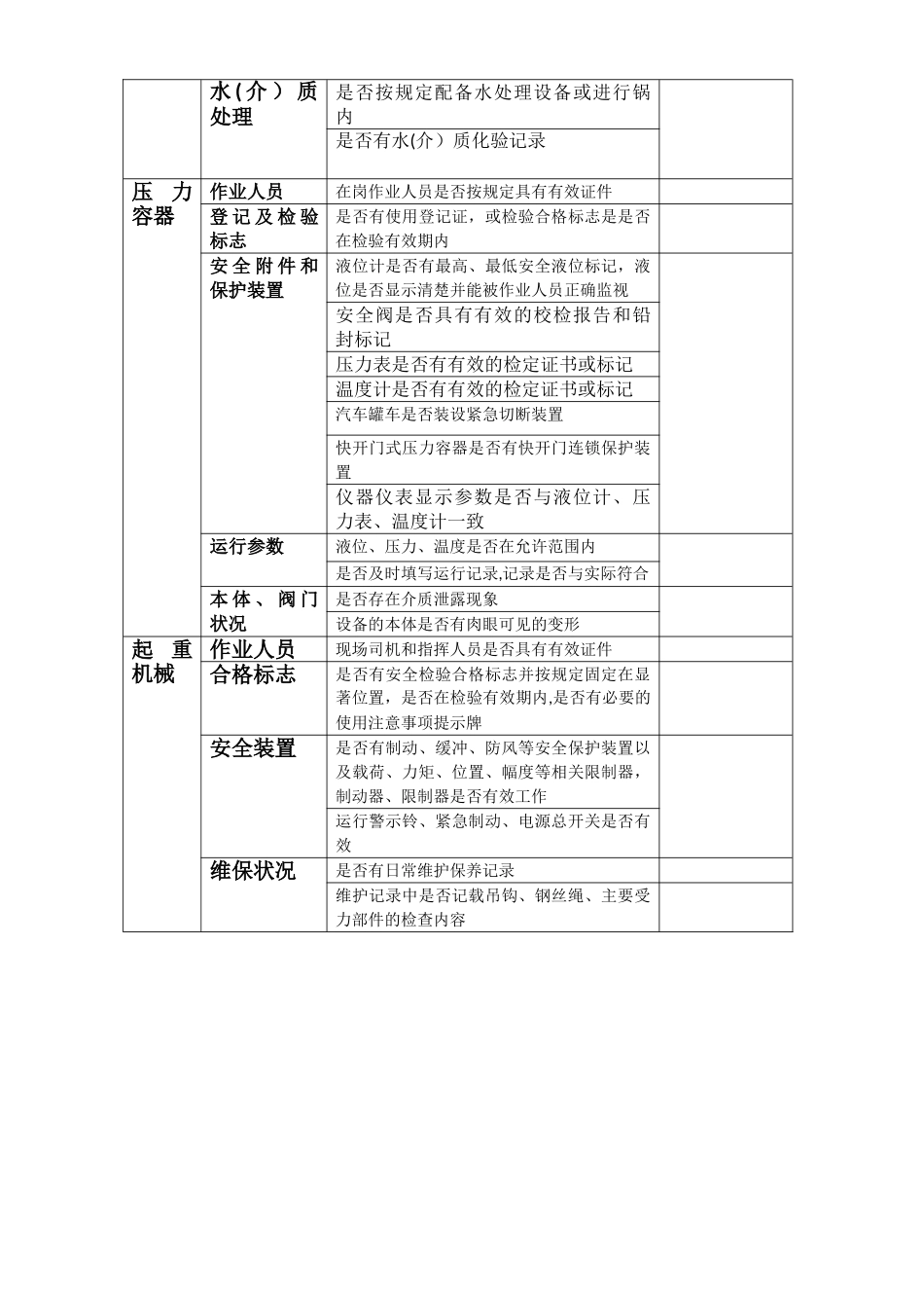
2/2
特种设备安全检查表编号:###—AQS-045 年 月 日类别检查项目检查内容检查情况及整改单位安全管理机构及制度是否建立安全管理机构或专兼职管理人员是否按规定建立安全管理制度和岗位安全责任制度是否建立事故应急措施、救援预案并有演练记录设备档案是否建立设备档案,是否齐全,保管是否良好。所抽查设备的定期检验报告是否在有效期内,检验报告中所提出的问题是否整改所抽查的设备是否按规定进行日常维护保养并有记录人员档案抽查安全管理人员和作业人员证件是否在有效期内是否有特种设备作业人员培训记录锅炉作业人员在岗作业人员是否具有有效证件登记及检验标志是否有使用登记证,是否在检验有效期内安全附件及安全保护装置液位(面)计是否有最高、最低安全液位标记,液位是否显示清楚并能被作业人员正确监视安全阀是否具有有效的校检报告和铅封标记,或者水封管是否被堵塞压力表是否有有效的检定证书或标记温度计是否有有效的检定证书或标记仪器仪表显示参数是否与液位计、压力表、温度计一致是否按规定装有相关保护装置和报警装置运行参数水位、压力、温度是否在允许范围内是否及时填写运行记录,记录是否与实际相符本 体 、 阀门、管道状况是否发现漏气、漏水现象是否有肉眼可见的损坏(含炉墙)水 ( 介 ) 质处理是否按规定配备水处理设备或进行锅内是否有水(介)质化验记录压力容器作业人员在岗作业人员是否按规定具有有效证件登 记 及 检 验标志是否有使用登记证,或检验合格标志是是否在检验有效期内安 全 附 件 和保护装置液位计是否有最高、最低安全液位标记,液位是否显示清楚并能被作业人员正确监视安全阀是否具有有效的校检报告和铅封标记压力表是否有有效的检定证书或标记温度计是否有有效的检定证书或标记汽车罐车是否装设紧急切断装置快开门式压力容器是否有快开门连锁保护装置仪器仪表显示参数是否与液位计、压力表、温度计一致运行参数液位、压力、温度是否在允许范围内是否及时填写运行记录,记录是否与实际符合本 体 、 阀 门状况是否存在介质泄露现象设备的本体是否有肉眼可见的变形起重机械作业人员现场司机和指挥人员是否具有有效证件合格标志是否有安全检验合格标志并按规定固定在显著位置,是否在检验有效期内,是否有必要的使用注意事项提示牌安全装置是否有制动、缓冲、防风等安全保护装置以及载荷、力矩、位置、幅度等相关限制器,制动器、限制器是否有效工作运行警示铃、紧急制动、电源总开关...

1、当您付费下载文档后,您只拥有了使用权限,并不意味着购买了版权,文档只能用于自身使用,不得用于其他商业用途(如 [转卖]进行直接盈利或[编辑后售卖]进行间接盈利)。
2、本站所有内容均由合作方或网友上传,本站不对文档的完整性、权威性及其观点立场正确性做任何保证或承诺!文档内容仅供研究参考,付费前请自行鉴别。
3、如文档内容存在违规,或者侵犯商业秘密、侵犯著作权等,请点击“违规举报”。

碎片内容

特种设备安全检查表

您可能关注的文档

确认删除?
VIP
微信客服
  • 扫码咨询
会员Q群
  • 会员专属群点击这里加入QQ群
客服邮箱
回到顶部