电脑桌面
添加小米粒文库到电脑桌面
安装后可以在桌面快捷访问

特种设备安装改造维修告知单

特种设备安装改造维修告知单_第1页
1/1
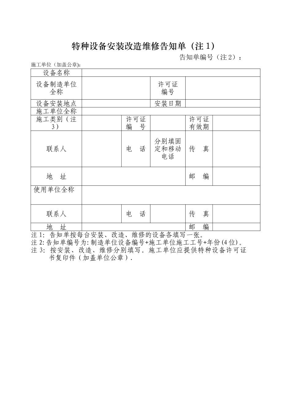
特种设备安装改造维修告知单(注 1) 告知单编号(注 2):施工单位(加盖公章): 设备名称设备制造单位全称许可证编号设备安装地点安装日期施工单位全称施工类别(注3)许可证编 号许可证有效期联系人电 话分别填固定和移动电话传 真地 址邮 编使用单位全称联系人电 话传 真地 址邮 编注 1:告知单按每台安装、改造、维修的设备各填写一张。注 2:告知单编号为:制造单位设备编号+施工单位施工工号+年份(4 位)。注 3:按安装、改造、维修分别填写。施工单位应提供特种设备许可证书复印件(加盖单位公章).

1、当您付费下载文档后,您只拥有了使用权限,并不意味着购买了版权,文档只能用于自身使用,不得用于其他商业用途(如 [转卖]进行直接盈利或[编辑后售卖]进行间接盈利)。
2、本站所有内容均由合作方或网友上传,本站不对文档的完整性、权威性及其观点立场正确性做任何保证或承诺!文档内容仅供研究参考,付费前请自行鉴别。
3、如文档内容存在违规,或者侵犯商业秘密、侵犯著作权等,请点击“违规举报”。

碎片内容

特种设备安装改造维修告知单

您可能关注的文档

确认删除?
VIP
微信客服
  • 扫码咨询
会员Q群
  • 会员专属群点击这里加入QQ群
客服邮箱
回到顶部