电脑桌面
添加小米粒文库到电脑桌面
安装后可以在桌面快捷访问

生产系统建模与仿真课程设计说明书

生产系统建模与仿真课程设计说明书_第1页
1/7
生产系统建模与仿真课程设计说明书_第2页
2/7
生产系统建模与仿真课程设计说明书_第3页
3/7
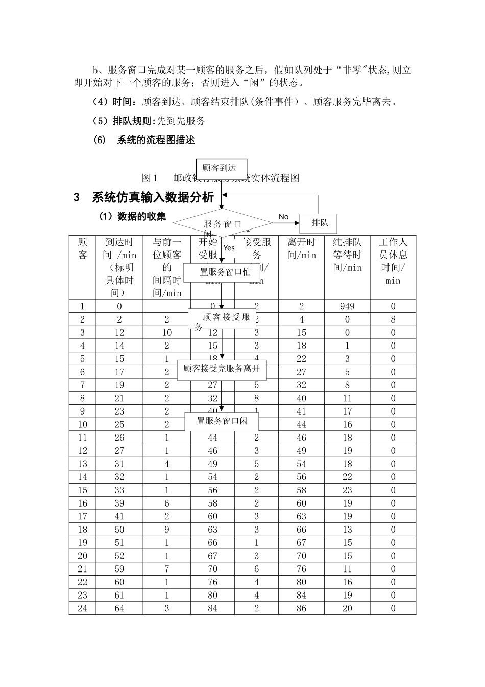
目录1、系统描述.............................................................................................22 、 系统分析 ........................................................................................... 2 3 、 系统仿真输入数据分析 ................................................................... 3 4 、 WITNESS 建模与仿真 ........................................................................ 9 2 、 系统仿真的输出分析 ...................................................................... 11 参考文献 ................................................................................................. 13 邮政银行窗口服务系统建模与仿真设计说明书1 系统描述中北大学邮政银行系统为全校师生提供存取款、转账等各种银行服务,此服务系统由取款者、人工服务窗口、银行构成。邮政银行共有 3 个服务窗口,但由于端午假期,学校人员较少,需要办理业务的人也不多,故仅开通一个窗口。在日常的取款过程中常常出现排队等待现象。在高峰期(注:高峰期往往是中午、下午和节假日前),同学到达率服从一定概率分布,服务速率依赖于同学办理业务的类型以及服务人员的工作效率。此次建模的目的是在假定同学到达时间间隔和办理业务花费的时间服从一定的概率分布时,考察服务窗口的忙闲情况。图 1:排队模型2 系统分析(1)实体:临时实体:顾客永久实体:服务窗口特别实体:排队队列(2)状态:服务窗口:忙、闲顾客:排队、接受服务排队队列:队列长度(3)活动:排队(顾客),服务(服务窗口) a、顾客到达时,若服务窗口处于空闲状态,则顾客进入“等待服务”的阶段;否则,进入“接受服务”阶段.顾客随机到达顾客离去 顾 客 排队 窗口服务( 服 务 时 间 随机)b、服务窗口完成对某一顾客的服务之后,假如队列处于“非零"状态,则立即开始对下一个顾客的服务;否则进入“闲”的状态。 (4)时间:顾客到达、顾客结束排队(条件事件)、顾客服务完毕离去。 (5)排队规则:先到先服务(6) 系统的流程图描述 图 1 邮政银行服务系统实体流程图3 系统仿真输入数据分析 (1)数据的收集表 1顾客到达时间 /min(标明具体时间)与前一位顾客的间隔时间/min开始接受服务时间/min接受服务时间/min离开时间/min纯排队等待时间/min工作人员休息时间/min10022949022222408...

1、当您付费下载文档后,您只拥有了使用权限,并不意味着购买了版权,文档只能用于自身使用,不得用于其他商业用途(如 [转卖]进行直接盈利或[编辑后售卖]进行间接盈利)。
2、本站所有内容均由合作方或网友上传,本站不对文档的完整性、权威性及其观点立场正确性做任何保证或承诺!文档内容仅供研究参考,付费前请自行鉴别。
3、如文档内容存在违规,或者侵犯商业秘密、侵犯著作权等,请点击“违规举报”。

碎片内容

生产系统建模与仿真课程设计说明书

确认删除?
VIP
微信客服
  • 扫码咨询
会员Q群
  • 会员专属群点击这里加入QQ群
客服邮箱
回到顶部