电脑桌面
添加小米粒文库到电脑桌面
安装后可以在桌面快捷访问

甲供材料的管理办法

甲供材料的管理办法_第1页
1/15
甲供材料的管理办法_第2页
2/15
甲供材料的管理办法_第3页
3/15
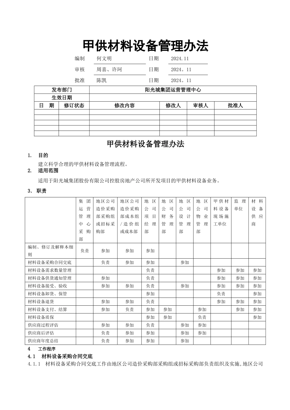
甲供材料设备管理办法编制何文明日期2024.11审核周喜、许珂日期2024。11批准陈凯日期2024。11发布部门阳光城集团运营管理中心生效日期日 期修订状态修改内容修改人审核人批准人甲供材料设备管理办法1.目的建立科学合理的甲供材料设备管理流程。2.适用范围适用于阳光城集团股份有限公司控股房地产公司所开发项目的甲供材料设备业务。3. 职责集 团运 营管 理中 心采 购部地区公司造价采购部采购组或招标采购部地区公司造价采购部成本组/ 造 价 组或成本部地 区公 司项 目经 理部地 区公 司财 务管 理部地 区公 司设 计管 理部地 区公 司物 业管 理部甲 供 材料 设 备现 场 施工单位监 理单位材 料设 备供 应商编制、修订及解释本细则负责参加参加参加材料设备采购合同交底负责参加参加参加材料设备需求数量管理负责参加参加参加材料设备供货通知管理参加负责参加参加参加材料设备接受、验收参加参加负责参加参加参加参加材料设备卸货、保管参加负责参加材料设备退货参加参加负责参加参加参加材料设备支付、结算参加负责参加参加参加参加参加材料设备质保参加参加负责参加供应商过程评估参加参加负责参加参加供应商后评估负责参加参加参加参加供应商年度总结负责参加参加参加4工作程序4.1材料设备采购合同交底4.1.1材料设备采购合同交底工作由地区公司造价采购部采购组或招标采购部负责组织及实施,地区公司项目经理部、地区公司造价采购部成本组/造价组或成本部、地区公司设计管理部、监理单位、相关施工单位、供应商参加.4.1.2合同交底主要内容为:采购材料设备的品种、规格型号、品牌、材料设备采购周期、技术要求、验收方法和标准等.4.2甲供材料设备数量的核定4.2.1材料设备供应商应建立详细的供货台帐,并定期进行核对;4.2.2材料设备供应完成后,供应商应填写《甲供材料设备供应完成量确认单》作为结算的依据,并附有相关文件:《甲供材料设备收料单/验收单》、《甲供材料设备供应完成确认单》、《甲供设备调试完成确认单》。4.3材料设备供应依据4.3.1施工单位进场后,立即着手编制甲供材料设备需求总计划(包含材料设备规格、数量,进场时间等),并报地区公司项目经理部备案,地区公司项目经理部形成整体计划,并在执行中督促施工单位对计划进行修订。4.3.2施工过程中,施工单位填写《甲供材料进场计划申请表/施工单位需求表》明确进场材料设备规格、数量,应注明进场时间,申报时要充分考虑供货周期,报监理...

1、当您付费下载文档后,您只拥有了使用权限,并不意味着购买了版权,文档只能用于自身使用,不得用于其他商业用途(如 [转卖]进行直接盈利或[编辑后售卖]进行间接盈利)。
2、本站所有内容均由合作方或网友上传,本站不对文档的完整性、权威性及其观点立场正确性做任何保证或承诺!文档内容仅供研究参考,付费前请自行鉴别。
3、如文档内容存在违规,或者侵犯商业秘密、侵犯著作权等,请点击“违规举报”。

碎片内容

甲供材料的管理办法

您可能关注的文档

确认删除?
VIP
微信客服
  • 扫码咨询
会员Q群
  • 会员专属群点击这里加入QQ群
客服邮箱
回到顶部