电脑桌面
添加小米粒文库到电脑桌面
安装后可以在桌面快捷访问

电力工程监理规划

电力工程监理规划_第1页
1/44
电力工程监理规划_第2页
2/44
电力工程监理规划_第3页
3/44
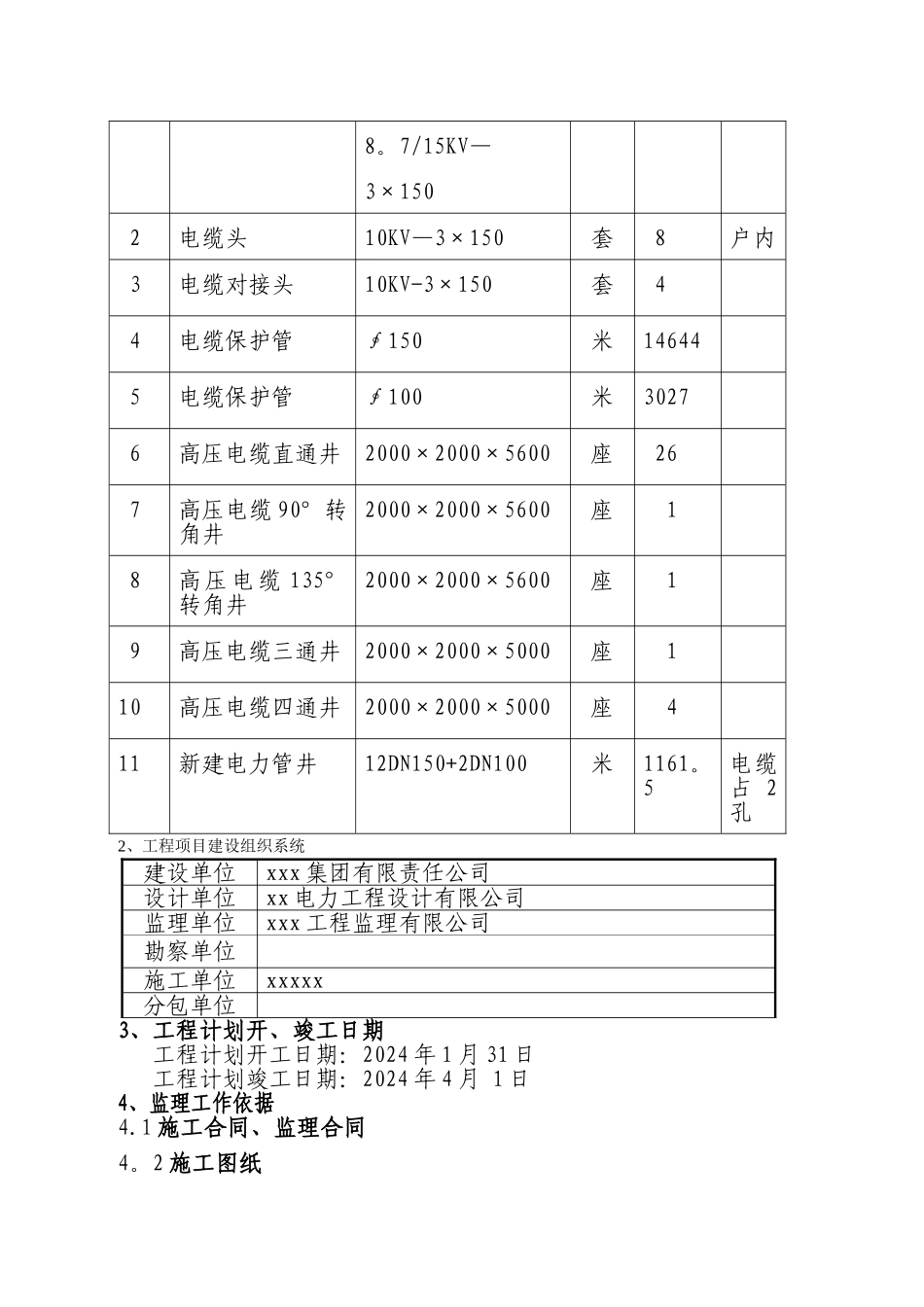
1.工程概况1.1 工程名称:xxx 集团有限责任公司 电缆分界室及 10KV 电缆外电源工程1。2 建设地点:xxx 污水处理厂流域污水调水泵站1。3 建设规模及工程主要特点1.3。1 建筑设计电缆外网敷设实行电力隧道及电缆保护管加电缆井方式,新建电力管井及扩建管井均为 12dn150+2dn100,新建电缆井为2.0m×2.0m×5。6m 高压电缆井。新建电力管井距双纬南路南红线 1.5 米、双桥东路西红线 1.5 米。本工程新建电力管井 1161.5米,扩建电力管井 335 米。1。3.2 结构设计建筑结构主要构件安全等级为二级,结构主要构件设计使用年限为 50 年。建筑抗震设防为丙类;抗震设防烈度为 8 级;结构抗震等级为三级.本工程为砖混结构,混凝土强度等级及抗渗等级:顶板、底板、侧墙、梁混凝土标号为 C30,抗冻层 150,,垫层 C10,抗渗 S6。电缆井内外墙采纳防水砂浆抹面。受力钢筋、箍筋、分布筋均采纳 HRB335,钢筋的抗拉强度实测值与屈服强度实测值的比不应小于 1.25,及钢筋的屈服抗拉强度实测值与强度标准值的比值不应小于 1.3。钢筋锚固长度:砼C30:35d;钢筋搭接长度:砼 C30:按纵向受拉钢筋搭接接头面积50%设计。1。3.3 电气工程本工程电气系统包括;新建电缆分界室为二进六出,安装SF6 环网柜 8 面:其中进线柜 2 面,出线柜 6 面。安装 DTU 柜 1 面。由康城开闭站室 217 柜及 227 柜分别引出 10KV 电缆沿双桥东路东侧现状管井向南敷设至双纬南路南侧转向东敷设至 29#现状电缆井。自 29#现状电缆井沿新建电缆管井向东敷设至双桥东路西转向南敷设至泵站分界室 1-1 柜及 2—1 柜,敷设电缆 ZRC—YJY22—8.7/15KV—3×150 两条共计 3997 米.自泵站分界室 1—3及 2-3 柜分别引出 10KV 电缆敷设至配电室 201 及 202 柜,敷设电缆 ZRC-YJY22-8。7/15KV-3×150 两条共计 50 米.1。4 主要工程量序号名 称型号及规格单位 数量备注1电力电缆ZRC—YJY-米40478。7/15KV—3×150 2电缆头10KV—3×150 套 8户内 3电缆对接头10KV-3×150套 44电缆保护管∮150 米14644 5电缆保护管∮100 米3027 6高压电缆直通井2000×2000×5600座26 7高压电缆 90°转角井2000×2000×5600座 1 8高压电缆 135°转角井2000×2000×5600座 1 9高压电缆三通井2000×2000×5000座110高压电缆四通井2000×2000×5000座411新建电力管井12DN150+2DN100米1161。5电缆占 2孔2、工程项目建设组织系统建设单位xxx...

1、当您付费下载文档后,您只拥有了使用权限,并不意味着购买了版权,文档只能用于自身使用,不得用于其他商业用途(如 [转卖]进行直接盈利或[编辑后售卖]进行间接盈利)。
2、本站所有内容均由合作方或网友上传,本站不对文档的完整性、权威性及其观点立场正确性做任何保证或承诺!文档内容仅供研究参考,付费前请自行鉴别。
3、如文档内容存在违规,或者侵犯商业秘密、侵犯著作权等,请点击“违规举报”。

碎片内容

电力工程监理规划

您可能关注的文档

确认删除?
VIP
微信客服
  • 扫码咨询
会员Q群
  • 会员专属群点击这里加入QQ群
客服邮箱
回到顶部