电脑桌面
添加小米粒文库到电脑桌面
安装后可以在桌面快捷访问

电动叉车车充电作业指导书

电动叉车车充电作业指导书_第1页
1/2
电动叉车车充电作业指导书_第2页
2/2
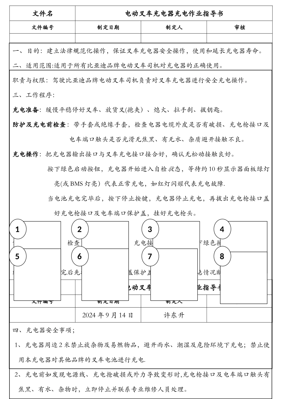
文件名电动叉车充电器充电作业指导书文件编号制定日期制定人审核一、目的:建立法律规范化操作,保证叉车充电器安全操作,使用和延长充电器寿命。二、适用范围:适用于所有比亚迪品牌电动叉车司机对充电器的正确使用。职责与权限:驾驶比亚迪品牌电动叉车司机负责对叉车充电器进行安全充电操作。三、工作程序:充电准备:缓慢平稳停好叉车、放货叉(抱夹)、熄火、拉手刹、拔钥匙。防护及充电前检查:带手套或绝缘手套,检查电器电缆外皮是否有破损、充电枪接口及电车端口触头是否光滑无焦黑、有无水、杂质避开接触不良。充电操作:把充电器输出接口与叉车充电接口接合好,确认无松动接触良好。按下绿色启动按钮,充电器开始进入自检状态,等待约 10 秒显示器面板绿灯亮(或 BMS 灯亮)代表正常充电,如红灯闪耀代表充电故障.当电池充电完毕后,按下停止按键,充电器停止充电,再拔出充电枪接口盖好充电枪接口及电车端口保护盖,挂好充电枪头。 停好熄火拔钥匙 检查电线接口端口 充电接口接合好 按下绿色按钮 绿灯亮充电 充完后先按停止再拔抢 盖保护盖并挂好枪头 紧急情况断开总电源文件名电动叉车充电器充电作业指导书文件编号制定日期制定人审核2024 年 9 月 14 日许东升四、充电器安全事项;1、充电器周边 2 米禁止放杂物及易燃物品,避开雨水、潮湿及危险环境下充电;禁止使用本充电器对其他品牌的叉车电池进行充电.2、充电前如发现电源线、充电抢破损或外力导致变形时,充电枪接口及电车端口触头有焦黑、有水、杂物时,立即停止并联系专业维修人员处理。134578263、启动充电器前,要先检查充电枪接口及电车端口是否牢固,充电器电源线、充电箱连接正确;严禁用手触摸充电枪的接口及电车端口无绝缘的金属触头部分。4、开启充电器后,观察冷却风扇是否工作,听其声音是否正常,如不正常立即停止并联系专业维修人员处理。5、电瓶充电过程中禁止插拔电源线或者充电枪,常常检查电缆连接温度是否过高,若温度过高立即停止并通知专业维修人员处理。6、如遇火警,请先关闭总电源,并正确使用干粉灭火器灭火。禁止使用水、泡沫等容易导电的灭火剂灭火,以防触电意外事故发生.五、故障处理当充电器发生故障时,请按下表排除故障,严禁非专业维修人员打开充电器内部维修.故障代码故障描述排查方法E03充电器内部通讯异常关机重启E11充电器充电超时关机重启E07充电器输入欠压检查电源线是否正确连接/输入电压是否正常E12充电器输入电压缺相...

1、当您付费下载文档后,您只拥有了使用权限,并不意味着购买了版权,文档只能用于自身使用,不得用于其他商业用途(如 [转卖]进行直接盈利或[编辑后售卖]进行间接盈利)。
2、本站所有内容均由合作方或网友上传,本站不对文档的完整性、权威性及其观点立场正确性做任何保证或承诺!文档内容仅供研究参考,付费前请自行鉴别。
3、如文档内容存在违规,或者侵犯商业秘密、侵犯著作权等,请点击“违规举报”。

碎片内容

电动叉车车充电作业指导书

人从众+ 关注
实名认证
内容提供者

欢迎光临小店,本店以公文和教育为主,希望符合您的需求。

确认删除?
VIP
微信客服
  • 扫码咨询
会员Q群
  • 会员专属群点击这里加入QQ群
客服邮箱
回到顶部