电脑桌面
添加小米粒文库到电脑桌面
安装后可以在桌面快捷访问

电梯安装施进度计划VIP专享

电梯安装施进度计划_第1页
1/9
电梯安装施进度计划_第2页
2/9
电梯安装施进度计划_第3页
3/9
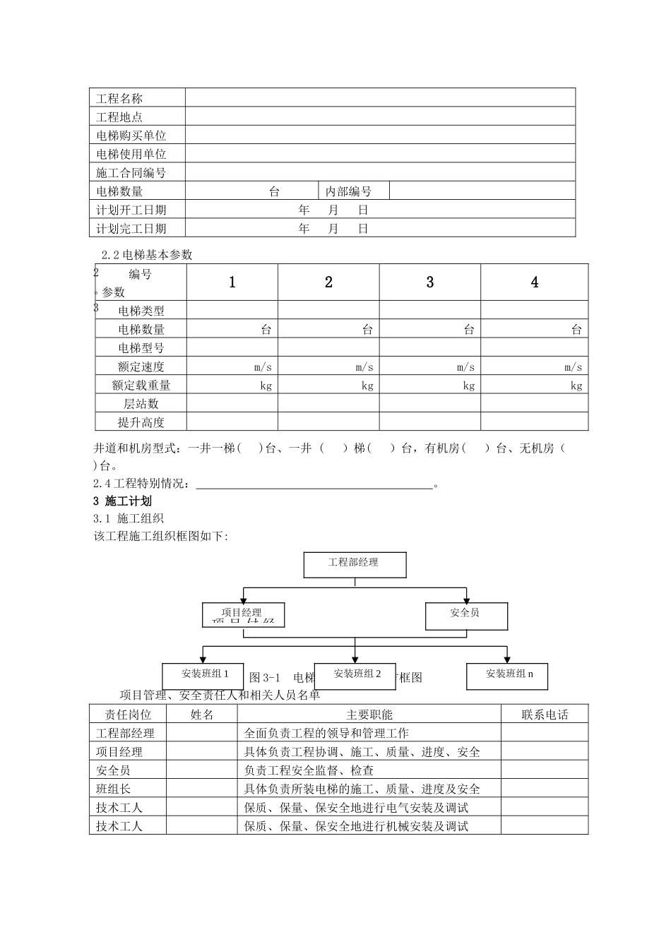
施工进度计划 电梯有限公司2 工程概况2。1 工程基本情况2.2 电梯基本参数2。3井道和机房型式:一井一梯( )台、一井 ( )梯( )台,有机房( )台、无机房( )台。2.4 工程特别情况: 。3 施工计划3.1 施工组织该工程施工组织框图如下: 图 3-1 电梯安装施工组织方框图项目管理、安全责任人和相关人员名单工程名称工程地点电梯购买单位电梯使用单位施工合同编号电梯数量 台内部编号计划开工日期年 月 日计划完工日期年 月 日编号参数1234电梯类型电梯数量 台台台台电梯型号额定速度m/sm/sm/sm/s额定载重量kgkgkgkg层站数提升高度责任岗位姓名主要职能联系电话工程部经理全面负责工程的领导和管理工作项目经理具体负责工程协调、施工、质量、进度、安全安全员负责工程安全监督、检查班组长具体负责所装电梯的施工、质量、进度及安全技术工人保质、保量、保安全地进行电气安装及调试技术工人保质、保量、保安全地进行机械安装及调试工程部经理项目经理 项 目 付 经安全员安装班组 1安装班组 2安装班组 n3.2 工程目标该工程质量、工期、文明施工和安全目标如下:3。2。1 质量目标:监督检验一次合格率 100%;3。2.2 工期目标:按合同规定完成工程;3.2.3 文明施工目标:法律规范、文明地施工、无治安事故发生;3.2.4 安全目标:① 人身伤亡事故 0;② 消防事故 0;③ 设备事故:无重要电梯设备、施工设备、检测设备损失事故发生。3。3 施工协调管理3。3。1 项目经理负责联系协调工作。3.3.2 在进场施工前将电梯施工进度计划提交给建设方,其中包括与土建项目的接口时间表,接口时间表经双方确认后,具体的工程进度按此时间表进行.同时在施工进场前取得建设方施工现场负责人的名单,以便及时相互协调。3.3.3 进场施工后,参加由总承建商或监理公司定期以及不定期组织的各施工单位现场负责人调会议.3.3.4 假如出现工期延误或技术更改情况,双方应及时协调解决,如涉及责任、费用、溯源事项的还应以书面形式记载。4.施工准备4。1 工作流程施工准备的工作流程框图如下:图 4-1 施工准备的工作流程框图4.2 前期准备施工前期准备主要应做好以下工作:4.2.1 现场施工人员暂舍安置、备件仓库协调;熟悉安装合同熟悉安装工艺水平施工现场了解及土建进度追踪编制施工计划管理人员施工设备准备库房与暂舍准备施工材料准备电梯开箱技术交底施工人员井道机房临时用电准备采购或定制验收入库验收入库4.2。2 机房和井道...

1、当您付费下载文档后,您只拥有了使用权限,并不意味着购买了版权,文档只能用于自身使用,不得用于其他商业用途(如 [转卖]进行直接盈利或[编辑后售卖]进行间接盈利)。
2、本站所有内容均由合作方或网友上传,本站不对文档的完整性、权威性及其观点立场正确性做任何保证或承诺!文档内容仅供研究参考,付费前请自行鉴别。
3、如文档内容存在违规,或者侵犯商业秘密、侵犯著作权等,请点击“违规举报”。

碎片内容

电梯安装施进度计划

确认删除?
VIP
微信客服
  • 扫码咨询
会员Q群
  • 会员专属群点击这里加入QQ群
客服邮箱
回到顶部