电脑桌面
添加小米粒文库到电脑桌面
安装后可以在桌面快捷访问

电气安装工程施工方案43422

电气安装工程施工方案43422_第1页
1/11
电气安装工程施工方案43422_第2页
2/11
电气安装工程施工方案43422_第3页
3/11
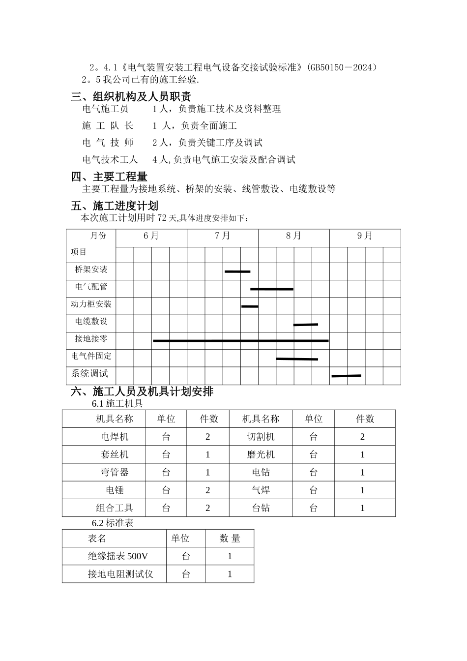
湖南海利化工股份有限公司杂环农药及其中间体产业化基地建设项目废水预处理生产装置电气专业工程施工方案编制:审核:湖南海利工程安装有限公司2024 年 6 月目录一、工程概况二、编制依据及施工验收法律规范三、组织机构及人员职责四、主要工程量五、施工进度计划六、施工人员及机具计划安排七、主要施工方法八、施工质量计划及保证措施九、安全、文明施工及保证措施一、工程概况湖南海利化工股份有限公司杂环农药及其中间体产业化基地建设 4000t/a硫双灭多威生产装置废水预处理工序由湖南海利化工股份有限公司投资兴建,建设地点位于常德德山经济开发区海利常德农药化工有限公司,湖南海利工程安装有限公司为本项目工程施工承包单位.本项目主要施工范围包括设备管道安装、钢结构及设备支架及操作平台制作安装、电气仪表安装、防腐绝热。各类设备共计 56 台套,包括塔类设备 3 台、泵类设备 20 台、反应釜类设备 5 台、换热器类设备 6 台、立式、卧式罐类设备14 台、机器类设备 7 台、起重设备 1 台,其中压力设备 4 台(E606、E608、R603、V612)。主要管道有 20#碳钢无缝钢管、Q235 碳钢焊接钢管、S30408 不锈钢无缝钢管、搪玻璃管、玻璃钢管及增强聚丙烯管,各类管道共计 1252 米,其中低压蒸汽管道 LS601、LS602、 LS604 属 GC3 类压力管道.装置内设备支架及设备平台采纳钢结构,共计 50 吨。二、编制依据2.1 湖南海利化工股份有限公司杂环农药及中间体产业化基地建设项目施工合同2.2 湖南海利工程咨询设计有限公司提供的设计文件与图纸2。3 电气装置安装工程施工及验收法律规范2。3.1《建筑电气工程施工质量验收法律规范》(GB50303—2024)2.3.2《电气装置安装工程母线装置施工及验收法律规范》(GB50149—2024)2.3。3《电气装置安装工程电缆线路施工及验收法律规范》(GB50168-2024)2。3.4《电气装置安装工程接地装置施工及验收法律规范》(GB50169-2024)2.3。5《电气装置安装工程旋转电机施工及验收法律规范》(GB50170-2024)2.3。6《电气装置安装工程盘、柜及二次回路结线施工及验收法律规范》(GB50171-2024)2.4 电气装置安装工程试验标准2。4.1《电气装置安装工程电气设备交接试验标准》(GB50150-2024)2。5 我公司已有的施工经验.三、组织机构及人员职责电气施工员 1 人,负责施工技术及资料整理施 工 队 长 1 人,负责全面施工电 气 技 师 2 人,负责关键工序及调试电气技术工人 ...

1、当您付费下载文档后,您只拥有了使用权限,并不意味着购买了版权,文档只能用于自身使用,不得用于其他商业用途(如 [转卖]进行直接盈利或[编辑后售卖]进行间接盈利)。
2、本站所有内容均由合作方或网友上传,本站不对文档的完整性、权威性及其观点立场正确性做任何保证或承诺!文档内容仅供研究参考,付费前请自行鉴别。
3、如文档内容存在违规,或者侵犯商业秘密、侵犯著作权等,请点击“违规举报”。

碎片内容

电气安装工程施工方案43422

确认删除?
VIP
微信客服
  • 扫码咨询
会员Q群
  • 会员专属群点击这里加入QQ群
客服邮箱
回到顶部