电脑桌面
添加小米粒文库到电脑桌面
安装后可以在桌面快捷访问

电气接地装置隐蔽工程检查记录

电气接地装置隐蔽工程检查记录_第1页
1/2
电气接地装置隐蔽工程检查记录_第2页
2/2
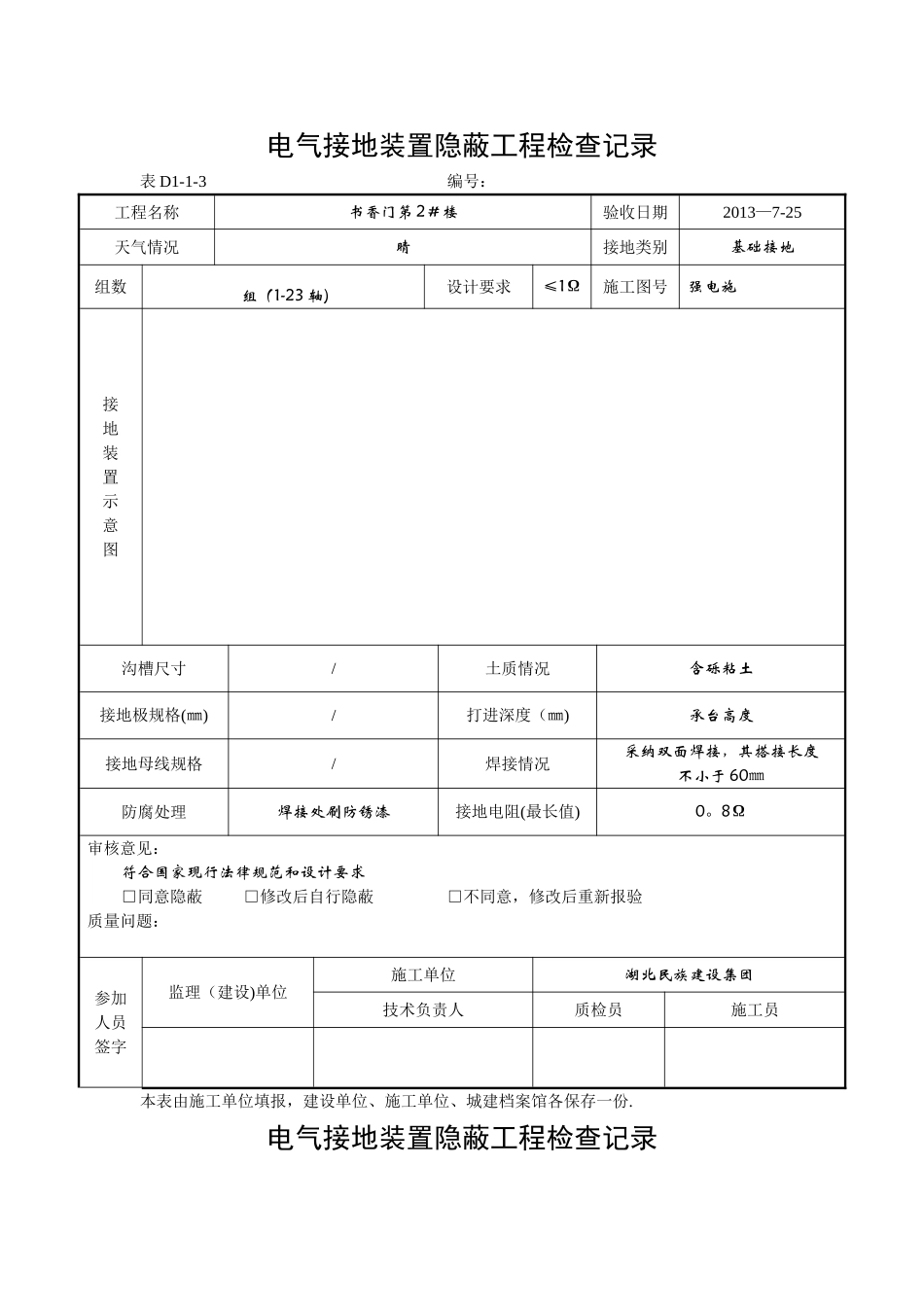
电气接地装置隐蔽工程检查记录表 D1-1-3 编号:工程名称书香门第 2#楼验收日期2013—7-25天气情况晴接地类别基础接地组数 组(1-23 轴)设计要求≤1Ω施工图号强电施接地装置示意图沟槽尺寸/土质情况含砾粘土接地极规格(㎜)/打进深度(㎜)承台高度接地母线规格/焊接情况采纳双面焊接,其搭接长度不小于 60㎜防腐处理焊接处刷防锈漆接地电阻(最长值)0。8Ω审核意见:符合国家现行法律规范和设计要求□同意隐蔽 □修改后自行隐蔽 □不同意,修改后重新报验质量问题:参加人员签字监理(建设)单位施工单位湖北民族建设集团技术负责人质检员施工员本表由施工单位填报,建设单位、施工单位、城建档案馆各保存一份.电气接地装置隐蔽工程检查记录表 D1—1—3 编号:工程名称书香门第 1#楼验收日期2013-7—29天气情况晴接地类别基础接地组数 组(1-18 轴)设计要求≤1Ω施工图号弱电施接地装置示意图沟槽尺寸/土质情况含砾粘土接地极规格(㎜)/打进深度(㎜)承台高度接地母线规格/焊接情况采纳双面焊接,其搭接长度不小于 60㎜防腐处理焊接处刷防锈漆接地电阻(最长值)0。8Ω审核意见:符合国家现行法律规范和设计要求□同意隐蔽 □修改后自行隐蔽 □不同意,修改后重新报验质量问题:参加人员签字监理(建设)单位施工单位湖北民族建设集团技术负责人质检员施工员本表由施工单位填报,建设单位、施工单位、城建档案馆各保存一份。

1、当您付费下载文档后,您只拥有了使用权限,并不意味着购买了版权,文档只能用于自身使用,不得用于其他商业用途(如 [转卖]进行直接盈利或[编辑后售卖]进行间接盈利)。
2、本站所有内容均由合作方或网友上传,本站不对文档的完整性、权威性及其观点立场正确性做任何保证或承诺!文档内容仅供研究参考,付费前请自行鉴别。
3、如文档内容存在违规,或者侵犯商业秘密、侵犯著作权等,请点击“违规举报”。

碎片内容

电气接地装置隐蔽工程检查记录

确认删除?
VIP
微信客服
  • 扫码咨询
会员Q群
  • 会员专属群点击这里加入QQ群
客服邮箱
回到顶部