电脑桌面
添加小米粒文库到电脑桌面
安装后可以在桌面快捷访问

电气设备拆除作业指导书

电气设备拆除作业指导书_第1页
1/17
电气设备拆除作业指导书_第2页
2/17
电气设备拆除作业指导书_第3页
3/17
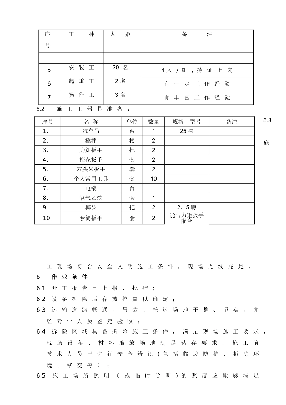
临 时 调 试 电 源 设 备 拆 除 作 业 指 导 书1目 的 :1.1为 了 法 律 规 范 作 业 人 员 的 施 工 行 为 , 明 确 作 业的 步 骤 和 要 求 , 确 保 安 全 、 优 质 、 高 效 的 完 成临 时 调 试 电 源 设 备 拆 除 工 作 , 特 编 制 本 作 业 指导 书 。2适 用 范 围 :2.1本 作 业 指 导 书 适 用 于 国 投 新 集 电 力 利 辛 板 集 电厂 一 期 2×1000MW 临 时 调 试 电 源 设 备 拆 除 工 作3 编 制 依 据3 。 1 安 徽 合 肥 煤 炭 工 业 设 计 讨 论 院 提 供 的 相 关 施工 图 纸3 。1 《工程建设标准强制性条文(电力工程部分 ) 》 ( 2024 年 版 )4 作 业 项 目 概 述 本 工 程 为 临 时 调 试 电 源 系 统 设 备 拆 除 , 包 括 板集 矿 内 变 电 所 110kV 封 闭 组 合 器 电 源 跳 线 拆 除 , 电 厂 内110kV变 电 所 敞 开 式 户 外 断 路 器 拆 除 、 户 外 电 流 互 感 器拆 除 , 户 外 电 压 互 感 器 拆 除 、 避 雷 器 拆 除 、 主 变 压器 为 50MVA, 容 量 50MVA, 110/10 。 5kV 有 载 调 压 变 变 压 器 拆 除及 综 合 保 护 屏 拆 除 , G1 钢 管 塔 拆 除 , 接 地 变 压 器 拆除 , 接 地 电 阻 柜 拆 除 。5 作 业 准 备5.1 施 工 人 员 准 备 :序号工 种人 数备 注1施 工 负责 人1 名有 丰 富 工 作 经 验 , 责 任心 强2施 工 技术 员1 名有 丰 富 工 作 经 验3安 全 员1 名持 证 上 岗4质 检 员1 名持 证 上 岗序号工 种人 数备 注5安 装 工20 名4 人 / 组 , 持 证 上 岗6起 重 工2 名有 一 定 工 作 经 验7操 作 工3 名有 丰 富 工 作 经 验5.2 施 工 工 器 具 准 备 :5.3施工 现 场 符 合 安 全 文 明 施 工 条 件 , 现 场 光 线 充 足 。6 作 业 条 件6.1 开 工 报 告 已 上 报 、 批 准 ;6.2 设 备 拆 除 后 存 放 位 置 以 确 定 ;6.3 运 输 道 路 畅 通 , 吊 装 、 托 运 场 地 平 整 、 坚 实 , 并经 专 业 人 员 鉴 ...

1、当您付费下载文档后,您只拥有了使用权限,并不意味着购买了版权,文档只能用于自身使用,不得用于其他商业用途(如 [转卖]进行直接盈利或[编辑后售卖]进行间接盈利)。
2、本站所有内容均由合作方或网友上传,本站不对文档的完整性、权威性及其观点立场正确性做任何保证或承诺!文档内容仅供研究参考,付费前请自行鉴别。
3、如文档内容存在违规,或者侵犯商业秘密、侵犯著作权等,请点击“违规举报”。

碎片内容

电气设备拆除作业指导书

阳光书坊+ 关注
实名认证
内容提供者

阳光书坊,传播未来

确认删除?
VIP
微信客服
  • 扫码咨询
会员Q群
  • 会员专属群点击这里加入QQ群
客服邮箱
回到顶部