电脑桌面
添加小米粒文库到电脑桌面
安装后可以在桌面快捷访问

电线、电缆导管隐蔽工程验收记录

电线、电缆导管隐蔽工程验收记录_第1页
1/2
电线、电缆导管隐蔽工程验收记录_第2页
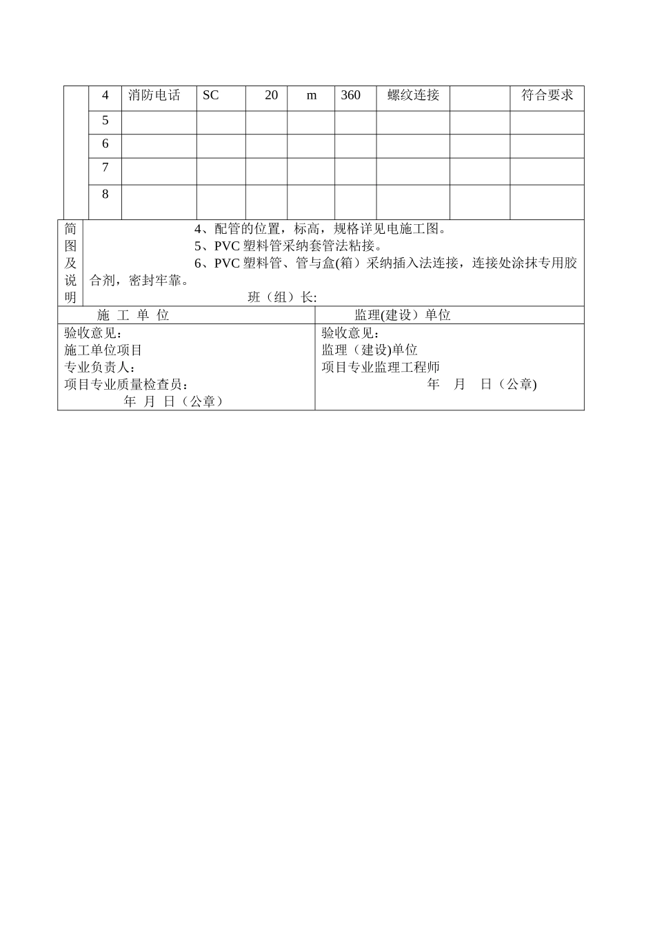
2/2
电线、电缆导管隐蔽工程验收记录工程名称周口市太康县如意花园经济适用房 #分项工程名称电线导管敷设施工单位验收部位 地下室梁板隐蔽工程内容项次线路名称材质规格单位数量连接方法跨接线检查情况1开关插座PVC 20 m200Pvc 胶粘接符合要求2储藏间照明PVC 16 m320pvc 胶粘接符合要求3应急照明SC15m280螺纹连接符合要求4消防电话SC20m360螺纹连接符合要求5678简图及说明1、配管的位置,标高,规格详见电施工图。2、PVC 塑料管采纳套管法粘接。3、PVC 塑料管、管与盒(箱)采纳插入法连接,连接处涂抹专用胶 合剂,密封牢靠。 班(组)长: 施 工 单 位 监理(建设)单位验收意见:施工单位项目专业负责人:项目专业质量检查员: 年 月 日(公章)验收意见:监理(建设)单位项目专业监理工程师年 月 日(公章) 电线、电缆导管隐蔽工程验收记录工程名称周口市太康县如意花园经济适用房 #分项工程名称电线导管敷设施工单位验收部位 地下室剪力墙隐蔽工程内容项次线路名称材质规格单位数量连接方法跨接线检查情况1开关插座PVC 20 m200Pvc 胶粘接符合要求2储藏间照明PVC 16 m320pvc 胶粘接符合要求3应急照明SC15m280螺纹连接符合要求4消防电话SC20m360螺纹连接符合要求5678简图及说明4、配管的位置,标高,规格详见电施工图。5、PVC 塑料管采纳套管法粘接。6、PVC 塑料管、管与盒(箱)采纳插入法连接,连接处涂抹专用胶 合剂,密封牢靠。 班(组)长: 施 工 单 位 监理(建设)单位验收意见:施工单位项目专业负责人:项目专业质量检查员: 年 月 日(公章)验收意见:监理(建设)单位项目专业监理工程师年 月 日(公章)

1、当您付费下载文档后,您只拥有了使用权限,并不意味着购买了版权,文档只能用于自身使用,不得用于其他商业用途(如 [转卖]进行直接盈利或[编辑后售卖]进行间接盈利)。
2、本站所有内容均由合作方或网友上传,本站不对文档的完整性、权威性及其观点立场正确性做任何保证或承诺!文档内容仅供研究参考,付费前请自行鉴别。
3、如文档内容存在违规,或者侵犯商业秘密、侵犯著作权等,请点击“违规举报”。

碎片内容

电线、电缆导管隐蔽工程验收记录

确认删除?
VIP
微信客服
  • 扫码咨询
会员Q群
  • 会员专属群点击这里加入QQ群
客服邮箱
回到顶部