电脑桌面
添加小米粒文库到电脑桌面
安装后可以在桌面快捷访问

真石漆施工工艺和质量标准

真石漆施工工艺和质量标准_第1页
1/10
真石漆施工工艺和质量标准_第2页
2/10
真石漆施工工艺和质量标准_第3页
3/10
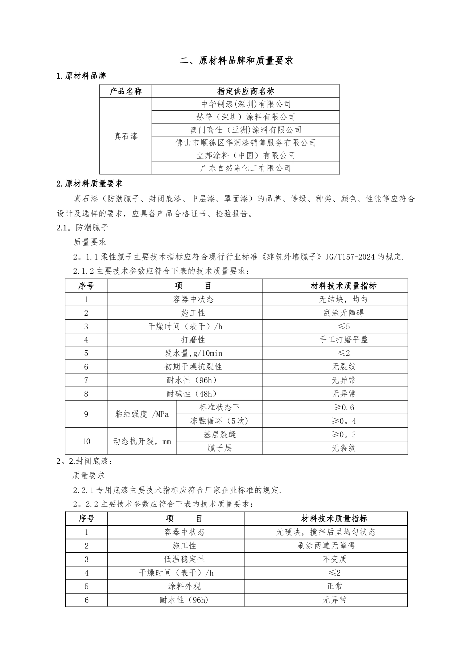
工程质量技术标准 7:真石漆施工工艺和质量标准目录一、编制说明.............................................................................................................................2二、原材料品牌和质量要求 ..................................................................................................... 3 1. 原材料品牌 ....................................................................................................................... 3 2. 原材料质量要求 ............................................................................................................... 3 2.1 。 防潮腻子 ................................................................................................................................ 3 2 。 2 。 封闭底漆: ......................................................................................................................... 3 2.3. 真石漆中层 ............................................................................................................................... 4 2 。 4 、罩面漆 ................................................................................................................................. 4 三、施工前准备 ......................................................................................................................... 5 1 。 施工设备及要求: ........................................................................................................ 5 2 。 施工条件: .................................................................................................................... 5 四、施工工艺和质量标准 ......................................................................................................... 6 1 。 真石漆施工工艺流程 .................................................................................................... 6 2 。 施工工艺和质量标准 : .....................................................................................

1、当您付费下载文档后,您只拥有了使用权限,并不意味着购买了版权,文档只能用于自身使用,不得用于其他商业用途(如 [转卖]进行直接盈利或[编辑后售卖]进行间接盈利)。
2、本站所有内容均由合作方或网友上传,本站不对文档的完整性、权威性及其观点立场正确性做任何保证或承诺!文档内容仅供研究参考,付费前请自行鉴别。
3、如文档内容存在违规,或者侵犯商业秘密、侵犯著作权等,请点击“违规举报”。

碎片内容

真石漆施工工艺和质量标准

您可能关注的文档

津创媒+ 关注
实名认证
内容提供者

欢迎交流文创,小店资料希望满足您的需要。

确认删除?
VIP
微信客服
  • 扫码咨询
会员Q群
  • 会员专属群点击这里加入QQ群
客服邮箱
回到顶部