电脑桌面
添加小米粒文库到电脑桌面
安装后可以在桌面快捷访问

石灰石粉仓安装方案

石灰石粉仓安装方案_第1页
1/11
石灰石粉仓安装方案_第2页
2/11
石灰石粉仓安装方案_第3页
3/11
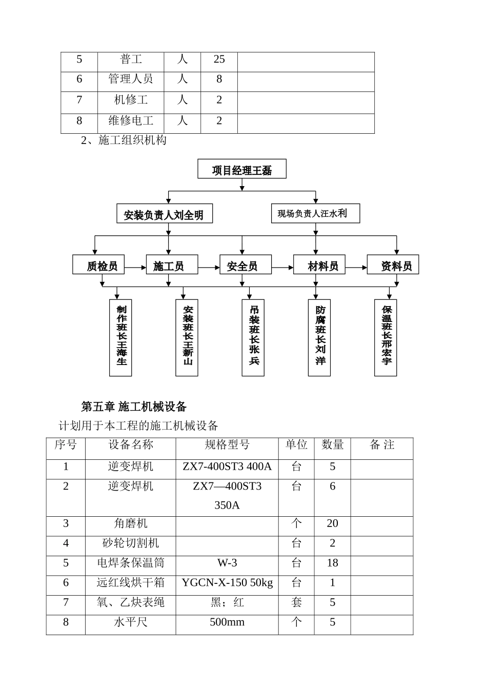
阳城晋煤能源有限公司2x135MW 煤矸石综合利用热电厂脱硫脱硝工程石灰石粉仓制作安装措施方案编 写: 审 核: 批 准: 日 期:______年__月__日河南省大成建设工程有限公司阳城晋煤能源有限公司脱硫脱硝工程项目部二 0 一四年十一月目 录第一章 工程简介…………………………………………………..。3 页第二章 编制依据…………………………………………………。..3 页第三章 施工准备及主要实物工程量……………。………….。……3 页第四章 施工组织机构与劳动力配备……………………………...5 页第五章 施工机械设备……………………………………………。..6 页第六章 施工工艺流程…………………………………….。….……7 页第七章 石灰石粉仓的预组装……………………………………。。。9 页第八章 质量控制…………………。.…………….。.。...。.....。。.。.。。…。.。11 页第 九 章 安 全 与 文 明 施 工 措 施 … … … 。 。 … … … …….。..。..。.。。。.。。。。.。.。.。13 页第九章 危险源、危险点及防范措施…..………。。.。。.。。。....。。。。.。。..。...。15 页第一章 工程简介1、阳城晋煤能源有限公司热电联产(2×135MW)工程烟气脱硫工程配置1 台石灰石粉仓钢结构罐体设备;外形为圆柱状,设计压力为 2。0MPa,工作温度 30°C,设计介质为石灰石粉,介质密度 1300㎏/m3,公称容积 753m3 左右,材质为 Q235-B。2、直径为 φ8400mm,筒体 10。80 米钢板组成,顶部采纳扇形钢板盖顶,10#槽钢加固;底部设计为 2 个管库椎体漏斗形状组成,高度为 7 米,罐体总高度 17 米。3、罐顶上部安装一台 JMC64—B 除尘器.4、罐体和除尘器总高度为 21 米左右。5、筒体板由加工场地卷板预制,在现场进行组对焊接和安装。第二章 编制依据1、合同文件及设计图纸文件等。2、JB/T4736—2024 制作。4、《火电厂烟气脱硫工程施工质量验收及评定规程》DL/T5417-20245、焊接件通用技术要求按 JB/5000。3—1998 执行6、平台设计依据 DLGJ 158—2001《火力发电厂钢制平台扶梯设计技术规定》钢格栅板制作安装根据 YB/T4001—2024《钢格栅板》的有关规定。7、焊缝型式除标明外其余均安 HG/20583 执行8.《电力建设施工质量验收及评价规程》(焊接工程)DL/5210.7—20249.《电力建设安全健康与环境管理工作规定》。10.《火力发电厂焊接技术规程》DL/T869-2024 年...

1、当您付费下载文档后,您只拥有了使用权限,并不意味着购买了版权,文档只能用于自身使用,不得用于其他商业用途(如 [转卖]进行直接盈利或[编辑后售卖]进行间接盈利)。
2、本站所有内容均由合作方或网友上传,本站不对文档的完整性、权威性及其观点立场正确性做任何保证或承诺!文档内容仅供研究参考,付费前请自行鉴别。
3、如文档内容存在违规,或者侵犯商业秘密、侵犯著作权等,请点击“违规举报”。

碎片内容

石灰石粉仓安装方案

确认删除?
VIP
微信客服
  • 扫码咨询
会员Q群
  • 会员专属群点击这里加入QQ群
客服邮箱
回到顶部