电脑桌面
添加小米粒文库到电脑桌面
安装后可以在桌面快捷访问

矿粉检测作业指导书

矿粉检测作业指导书_第1页
1/8
矿粉检测作业指导书_第2页
2/8
矿粉检测作业指导书_第3页
3/8
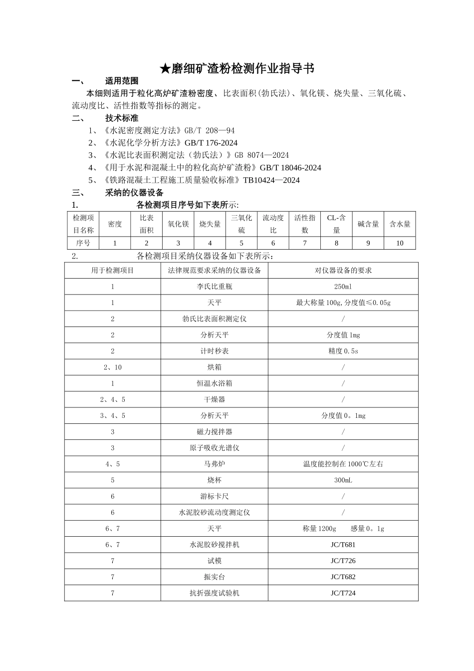
★磨细矿渣粉检测作业指导书一、适用范围本细则适用于粒化高炉矿渣粉密度、比表面积(勃氏法)、氧化镁、烧失量、三氧化硫、流动度比、活性指数等指标的测定。二、技术标准1、《水泥密度测定方法》GB/T 208—942、《水泥化学分析方法》GB/T 176-20243、《水泥比表面积测定法(勃氏法)》GB 8074—20244、《用于水泥和混凝土中的粒化高炉矿渣粉》GB/T 18046-20245、《铁路混凝土工程施工质量验收标准》TB10424—2024 三、采纳的仪器设备1.各检测项目序号如下表所示:检测项目名称密度比表 面积氧化镁烧失量三氧化硫流动度比活性指数CL-含量碱含量含水量序号123456789102.各检测项目采纳仪器设备如下表所示:用于检测项目法律规范要求采纳的仪器设备对仪器设备的要求1李氏比重瓶250ml1天平最大称量 100g,分度值≤0.05g2勃氏比表面积测定仪/2分析天平分度值 1mg2计时秒表精度 0.5s2、10烘箱/1恒温水浴箱/2、4、5干燥器/3、4、5分析天平分度值 0。1mg3磁力搅拌器/3原子吸收光谱仪/4、5马弗炉温度能控制在 1000℃左右5烧杯300mL6游标卡尺/6水泥胶砂流动度测定仪/6、7天平称量 1200g 感量 0。1g6、7水泥胶砂搅拌机JC/T6817试模JC/T7267振实台JC/T6827抗折强度试验机JC/T7247抗压强度试验机精度 1%7抗压夹具JC/T6837养护箱/7养护池/9火焰光度计/四、检测项目、被测参数及允许变化范围技术要求:项 目级 别S105S95S75密度,g/cm3 不小于2.8比表面积,m/kg 不小于350~500活性指数,% 不小于7d95755528d1059575流动度比,% 不小于95三氧化硫,% 不大于4。0烧失量,% 不大于3。0氧化镁,% 不大于14氯离子,% 不大于0.06碱含量,% 不大于/(配合比选定时检测)含水量,% 不大于1.0五、检测前的检查1. 开始进行检测前应首先检查软练室温湿度是否符合法律规范要求,若不符合应开启设备使之符合要求后方可开始检测。2. 检查仪器设备的电路连接是否正确,是否出现线路破损、漏电现象。3. 接通电源,空载运转各仪器设备,确定其是否运转正常。4. 检查检测用水是否清亮、可透明,是否符合检测要求。六、试验步骤及数据处理1、 密度(1).将无水煤油注入李氏瓶中至 0 到 1mL 刻度线后(以弯月面下部为准),盖上瓶塞放入恒温水槽内,使刻度部分浸入水中(水温应控制在李氏瓶刻度时的温度),恒温 30min,记下初始(第一次)读数。(2)。 从恒温水槽中取出李氏瓶,用滤纸将李氏瓶细长颈内没有煤油的部分认真擦洁净。(3). 试样应预...

1、当您付费下载文档后,您只拥有了使用权限,并不意味着购买了版权,文档只能用于自身使用,不得用于其他商业用途(如 [转卖]进行直接盈利或[编辑后售卖]进行间接盈利)。
2、本站所有内容均由合作方或网友上传,本站不对文档的完整性、权威性及其观点立场正确性做任何保证或承诺!文档内容仅供研究参考,付费前请自行鉴别。
3、如文档内容存在违规,或者侵犯商业秘密、侵犯著作权等,请点击“违规举报”。

碎片内容

矿粉检测作业指导书

阳光书坊+ 关注
实名认证
内容提供者

阳光书坊,传播未来

确认删除?
VIP
微信客服
  • 扫码咨询
会员Q群
  • 会员专属群点击这里加入QQ群
客服邮箱
回到顶部