电脑桌面
添加小米粒文库到电脑桌面
安装后可以在桌面快捷访问

空调净化工程竣工验收单及附件

空调净化工程竣工验收单及附件_第1页
1/11
空调净化工程竣工验收单及附件_第2页
2/11
空调净化工程竣工验收单及附件_第3页
3/11
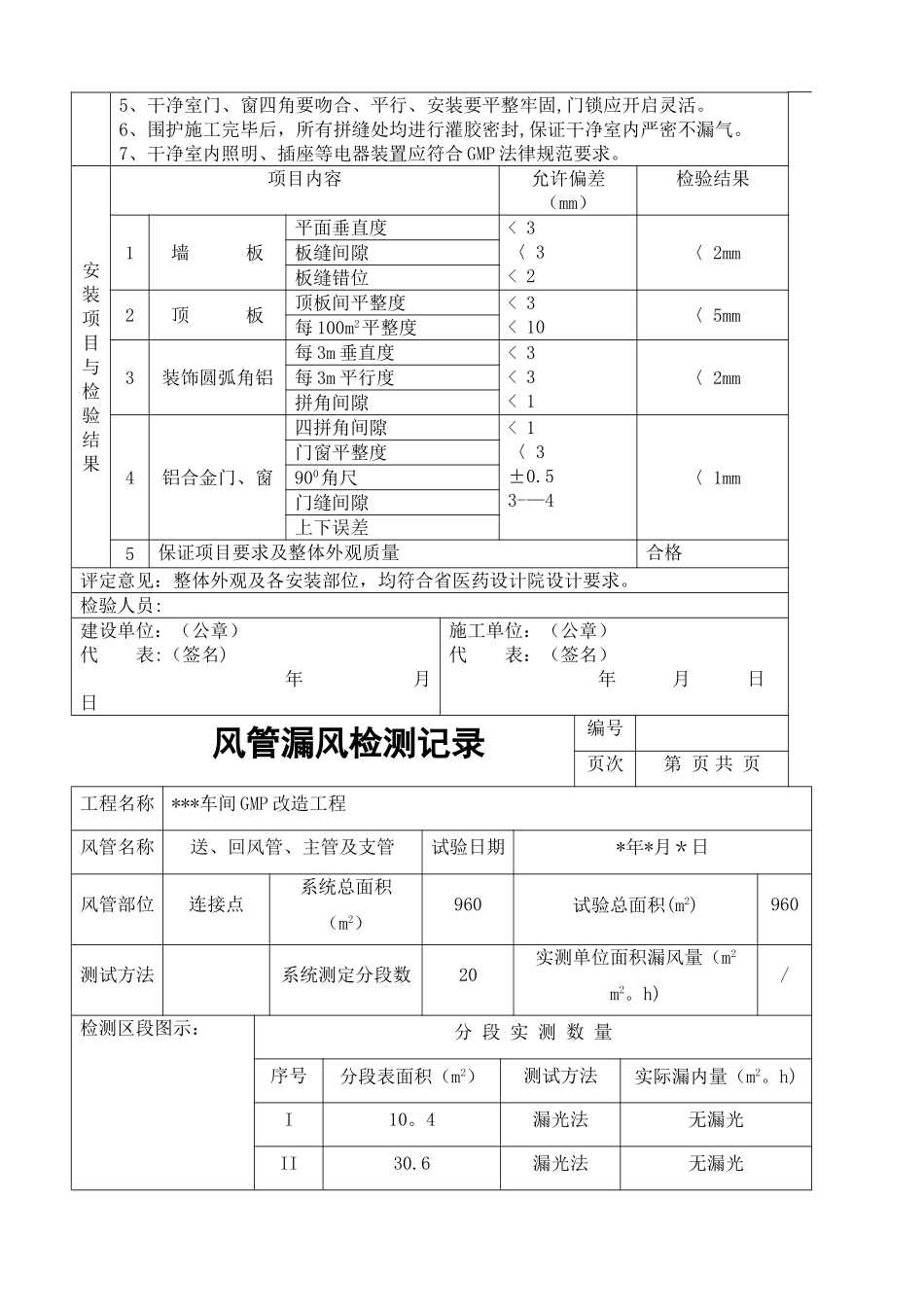
竣 工 验 收 单工程名称***车间 GMP 改造工程工程地点*****有限责任公司开工日期*年*月*日竣工日期*年*月*日验收日期*年*月*日工程内容:1、净化风管制作安装及保温。 2、彩钢板吊顶隔断门、窗安装。 3、空调箱制作安装。 4、排风系统制作安装。 5、净化车间设备调试检测。验收结果: 各分部工程均按设计院要求施工,符合设计要求。评定意见:附 件 名 称总页数附 件 名 称总页数变更通知单/中间验收单1土建隐蔽工程记录/设备开箱检查记录2管线隐蔽工程系统封闭记录/设备单机试运转记录2水管道压力试验记录/系统联合试转记录1风管道系统吹洗(脱脂)记录1竣工验收检测调整记录/风管道风检测记录2彩钢板围护结构分项工程2建设单位:(公章)代 表:(签名)年 月 日施工单位:(公章)代 表:(签名)年 月 日 风管道系统吹洗(脱脂)记录编号页次第 页 共 页工程名称***车间 GMP 改造工程系统名称空调送、回风管排风管道日 期*年*月*日脱脂、清(吹)洗项目风管、主管及各支管溶剂介质名 称洗洁精酒精配比、浓度压力1:5/停留或进行时间30 分钟10 分钟中和介质名 称水/配比或浓度//干 燥 方 法自然干燥/检查意见:用白布擦拭,无油、无灰镀锌板表面干净干燥,符合省医药设计院设计要求。施工技术负责人: 施工员:建设单位:(公章)代 表:(签名)年 月 日施工单位:(公章)代 表:(签名)年 月 日 彩钢板围护结构分项工程质量检验记录表编号页次第 页 共 页工程名称***车间 GMP 改造工程系统名称净化区域 SY0318—KT-101—1(一层)保证项目要求1、清净室结构标高、隔断面积等应严格按图纸施工,如有增减变动,可按变更通知更改要求施工,施工及验收应符合 JGJ71-90.2、彩钢板夹芯保温材料物理性能要求及其厚度应符合设计要求,其平整度、光洁度、色泽度均应符合质量标准要求。3、各种装饰圆弧角铝、门窗、风口等铝型材,其材质、品种、规格、外观均应符合质量标准要求。喷塑铝型材应色泽一致,无明显色差。4、施工前应进行测绘找平、严格放线,墙板与顶板拼缝严格对成一线,并垂直交接,应防止拼缝错位,板件倾斜5、干净室门、窗四角要吻合、平行、安装要平整牢固,门锁应开启灵活。6、围护施工完毕后,所有拼缝处均进行灌胶密封,保证干净室内严密不漏气。7、干净室内照明、插座等电器装置应符合 GMP 法律规范要求。安装项目与检验结果项目内容允许偏差(mm)检验结果1墙 板平面垂直度...

1、当您付费下载文档后,您只拥有了使用权限,并不意味着购买了版权,文档只能用于自身使用,不得用于其他商业用途(如 [转卖]进行直接盈利或[编辑后售卖]进行间接盈利)。
2、本站所有内容均由合作方或网友上传,本站不对文档的完整性、权威性及其观点立场正确性做任何保证或承诺!文档内容仅供研究参考,付费前请自行鉴别。
3、如文档内容存在违规,或者侵犯商业秘密、侵犯著作权等,请点击“违规举报”。

碎片内容

空调净化工程竣工验收单及附件

您可能关注的文档

确认删除?
VIP
微信客服
  • 扫码咨询
会员Q群
  • 会员专属群点击这里加入QQ群
客服邮箱
回到顶部