电脑桌面
添加小米粒文库到电脑桌面
安装后可以在桌面快捷访问

筏板基础施工技术交底

筏板基础施工技术交底_第1页
1/3
筏板基础施工技术交底_第2页
2/3
筏板基础施工技术交底_第3页
3/3
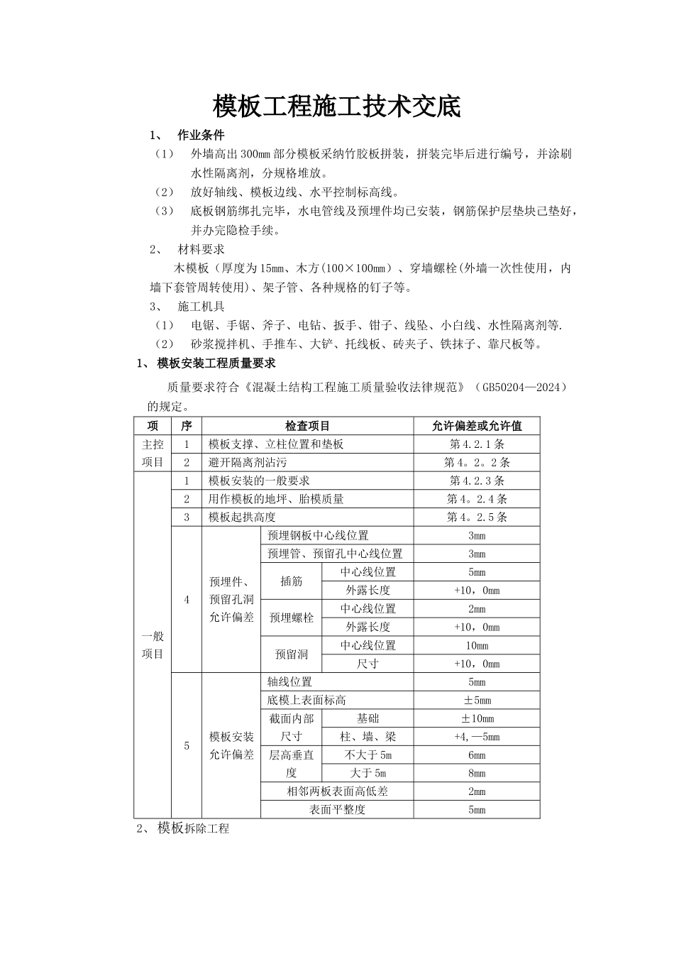
模板工程施工技术交底1、作业条件(1)外墙高出 300mm 部分模板采纳竹胶板拼装,拼装完毕后进行编号,并涂刷水性隔离剂,分规格堆放。(2)放好轴线、模板边线、水平控制标高线。(3)底板钢筋绑扎完毕,水电管线及预埋件均已安装,钢筋保护层垫块己垫好,并办完隐检手续。2、材料要求木模板(厚度为 15mm、木方(100×100mm)、穿墙螺栓(外墙一次性使用,内墙下套管周转使用)、架子管、各种规格的钉子等。3、施工机具(1)电锯、手锯、斧子、电钻、扳手、钳子、线坠、小白线、水性隔离剂等.(2)砂浆搅拌机、手推车、大铲、托线板、砖夹子、铁抹子、靠尺板等。1、 模板安装工程质量要求质量要求符合《混凝土结构工程施工质量验收法律规范》(GB50204—2024)的规定。项序检查项目允许偏差或允许值主控项目1模板支撑、立柱位置和垫板第 4.2.1 条2避开隔离剂沾污第 4。2。2 条一般项目1模板安装的一般要求第 4.2.3 条2用作模板的地坪、胎模质量第 4。2.4 条3模板起拱高度第 4。2.5 条4预埋件、预留孔洞允许偏差预埋钢板中心线位置3mm预埋管、预留孔中心线位置3mm插筋中心线位置5mm外露长度+10,0mm预埋螺栓中心线位置2mm外露长度+10,0mm预留洞中心线位置10mm尺寸+10,0mm5模板安装允许偏差轴线位置5mm底模上表面标高±5mm截面内部尺寸基础±10mm柱、墙、梁+4,—5mm层高垂直度不大于 5m6mm大于 5m8mm相邻两板表面高低差2mm表面平整度5mm2、 模板拆除工程质量要求符合《混凝±结构工程施工质量验收法律规范》(GB50204—2024)的规定。项序检查项目允许偏差或允许值主控项目1底模及其支架拆除时的混凝土强度第 4。3。1 条2后张法预应力构件侧模和底模的拆除时间第 4。3。2 条3后浇带拆模和支顶第 4.3.3 条一般项目1避开拆模损伤第 4.3。4 条2模板拆除、堆放和清运第 4。3。5 条(一)工艺流程(1)240mm 砖胎模:基础砖胎模放线→砌筑→抹灰.(2)外墙及基坑:与钢筋交接验收放线并预检→外墙及基坑模板支设→钢板止水带安装→交接验收。(二)操作工艺1、 240mm 砖胎模(1)砖胎模砌筑前,先在垫层面上将砌砖线放出,比基础底板外轮廓大40mm,砌筑时要求拉直线,采纳一顺一丁“三一"砌筑方法,转角处或接口处留出接搓口,墙体要求垂直。砖模内侧、墙顶面抹15mm厚的水泥砂浆并压光,同时阴阳角做成圆弧形。(2)底板外墙侧模采纳240mm厚砖胎模,高度同底板厚度,砖胎模采纳MU7。5砖,M5。0水泥砂浆砌筑,内侧及顶面采纳...

1、当您付费下载文档后,您只拥有了使用权限,并不意味着购买了版权,文档只能用于自身使用,不得用于其他商业用途(如 [转卖]进行直接盈利或[编辑后售卖]进行间接盈利)。
2、本站所有内容均由合作方或网友上传,本站不对文档的完整性、权威性及其观点立场正确性做任何保证或承诺!文档内容仅供研究参考,付费前请自行鉴别。
3、如文档内容存在违规,或者侵犯商业秘密、侵犯著作权等,请点击“违规举报”。

碎片内容

筏板基础施工技术交底

办公文档专营+ 关注
实名认证
内容提供者

大量办公文档,欢迎选择

确认删除?
VIP
微信客服
  • 扫码咨询
会员Q群
  • 会员专属群点击这里加入QQ群
客服邮箱
回到顶部