电脑桌面
添加小米粒文库到电脑桌面
安装后可以在桌面快捷访问

签证单-验收表

签证单-验收表_第1页
1/7
签证单-验收表_第2页
2/7
签证单-验收表_第3页
3/7
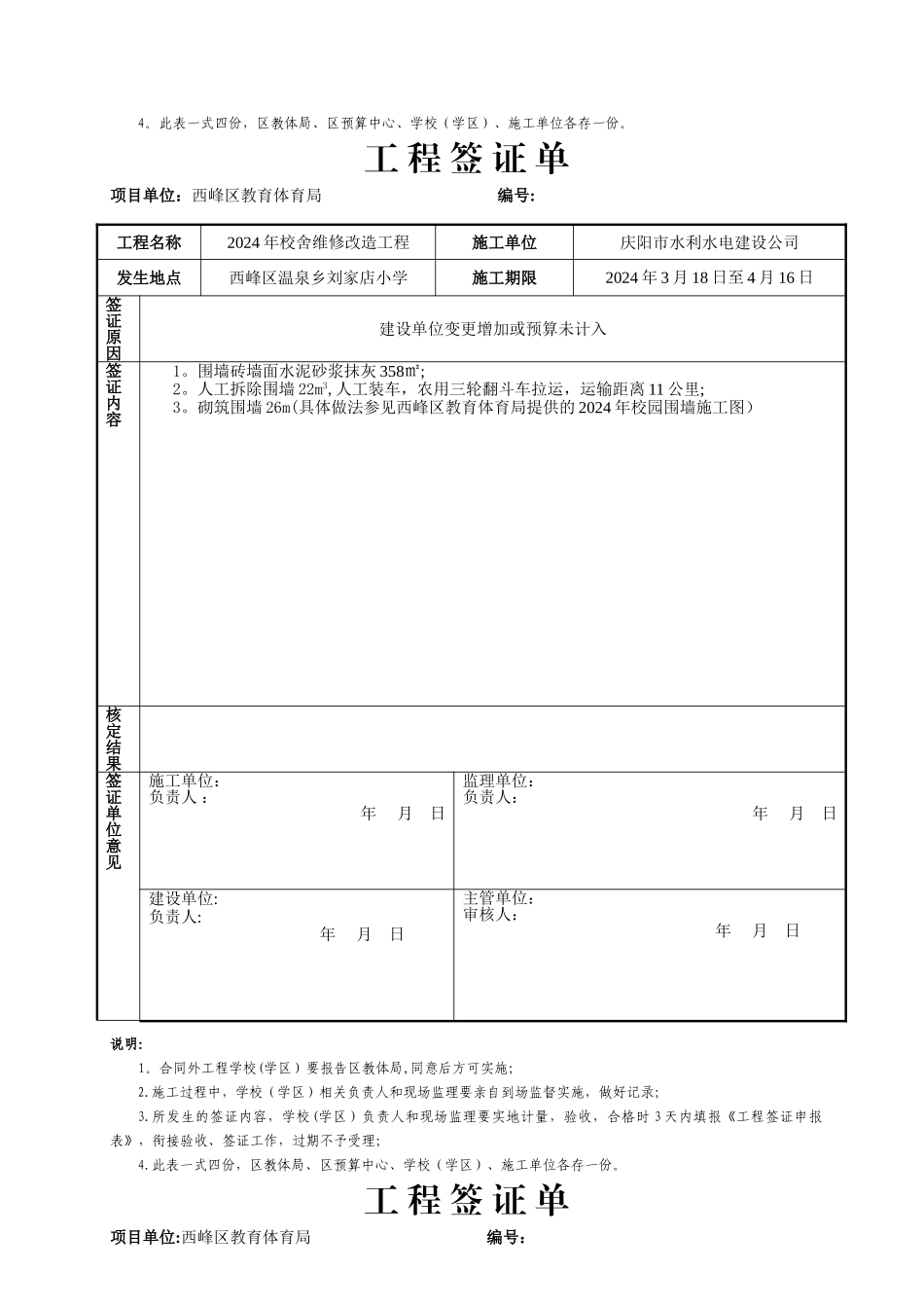
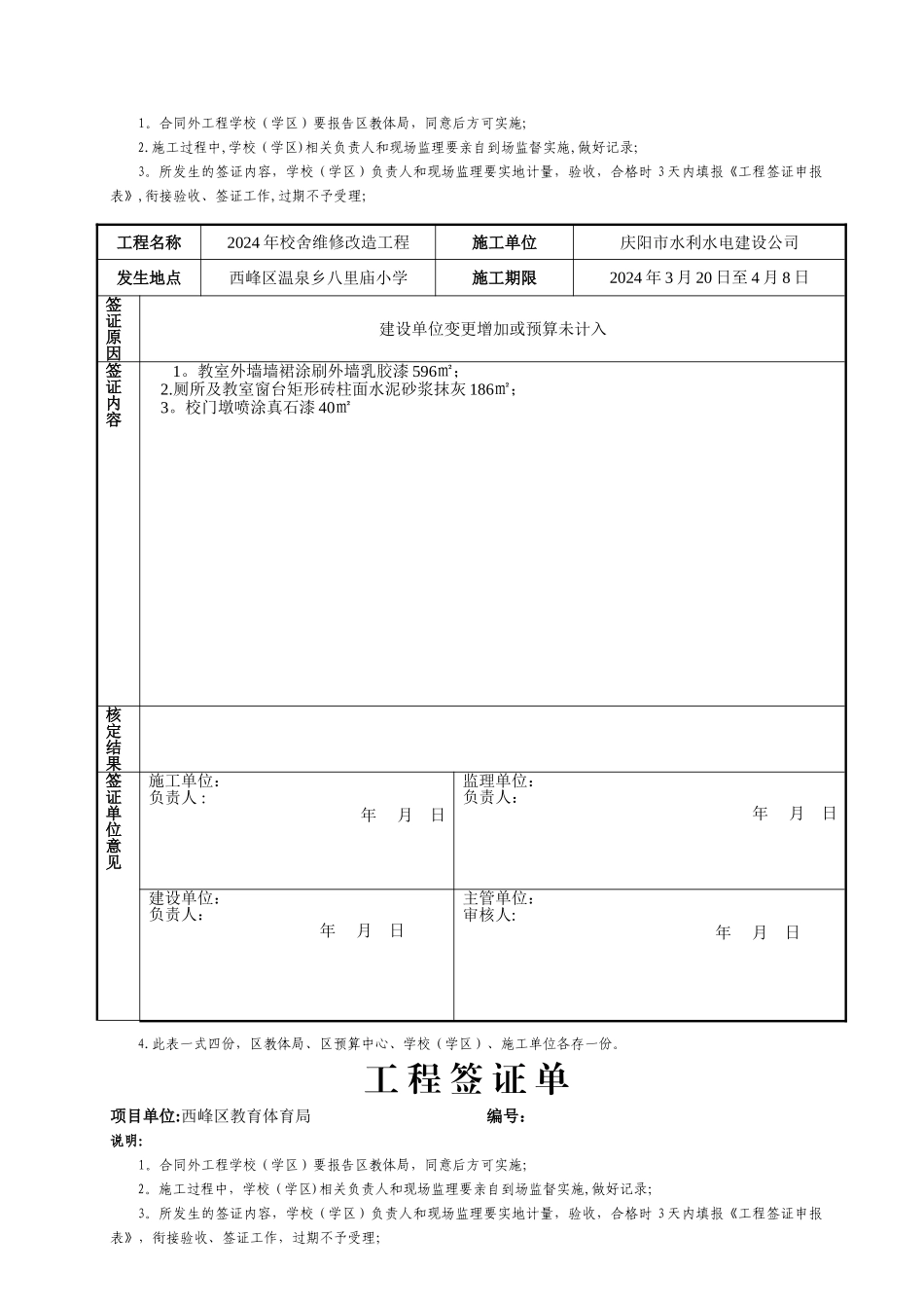
工 程 签 证 单项目单位:西峰区教育体育局 编号:说明:1.合同外工程学校(学区)要报告区教体局,同意后方可实施;2。施工过程中,学校(学区)相关负责人和现场监理要亲自到场监督实施,做好记录;3.所发生的签证内容,学校(学区)负责人和现场监理要实地计量,验收,合格时 3 天内填报《工程签证申报表》,衔接验收、签证工作,过期不予受理;4。此表一式四份,区教体局、区预算中心、学校(学区)、施工单位各存一份。工 程 签 证 单项目单位:西峰区教育体育局 编号:说明:工程名称西峰区温泉乡温泉小学食堂工程施工单位庆阳市水利水电建设公司发生地点西峰区温泉小学院内施工期限2024 年 10 月 25 日至 2024 年 7 月 1 日签证原因建设单位变更增加或预算未计入签证内容1。地沟无详细做法,变更为 C2 型不靠墙地沟,具体做法参见 02G04 图集,地沟选用 SG—46Ⅰ—Ⅱ,盖板选用 GB—10.2.轻质隔墙变更为 200 厚非承重空心砖砌筑,基础做法参见 02G03 图集第 220 页 4 做法,基础剖面编号为 JB06070,其中备餐间轻质隔墙变更为 900 高 200 厚非承重空心砖砌筑(内外侧墙面均粘贴防水瓷砖),上部为铝合金玻璃隔断安装到顶;3.库房、更衣间、消毒间、备餐间及操作间夹板门均需变更为复合实木门。4。根据实际用电需求增设三相电源(详见附图).5。原设计烟道与实际灶台不符,根据实际需要在、轴外墙增设 400×400 烟道 4 个。6.正立面-轴室外台阶变更为整体台阶.7.内墙群变更为贴瓷砖 1。35m 高. 以上工程量均按温泉小学食堂施工图及附图进行核算。核定结果签证单位意见施工单位:负责人 : 年 月 日监理单位:负责人: 年 月 日建设单位:负责人: 年 月 日主管单位:审核人:年 月 日工程名称2024 年校舍维修改造工程施工单位庆阳市水利水电建设公司发生地点西峰区温泉乡何肴小学施工期限2024 年 3 月 18 日至 4 月 12 日签证原因建设单位变更增加或预算未计入签证内容1。铲除教学楼内原有基层腻子 2320㎡;2.教学楼内涂刷干粉漆(底漆、面漆)两遍 778㎡;3。教学楼内涂刷油漆墙裙 251㎡;4.围墙及厕所矩形砖柱面水泥砂浆抹灰 125㎡;5。教学楼门窗、红旗杆及校门涂刷油漆 620㎡;6.教学楼挑檐下涂刷外墙乳胶漆 242㎡7.教学楼涂刷门窗油漆及挑檐乳胶漆时搭设脚手架 620㎡;8.安装钢门并刷漆 1。68㎡核定结果签证单位意见施工单位:负责人 : 年 月 日监理单位:...

1、当您付费下载文档后,您只拥有了使用权限,并不意味着购买了版权,文档只能用于自身使用,不得用于其他商业用途(如 [转卖]进行直接盈利或[编辑后售卖]进行间接盈利)。
2、本站所有内容均由合作方或网友上传,本站不对文档的完整性、权威性及其观点立场正确性做任何保证或承诺!文档内容仅供研究参考,付费前请自行鉴别。
3、如文档内容存在违规,或者侵犯商业秘密、侵犯著作权等,请点击“违规举报”。

碎片内容

签证单-验收表

确认删除?
VIP
微信客服
  • 扫码咨询
会员Q群
  • 会员专属群点击这里加入QQ群
客服邮箱
回到顶部