电脑桌面
添加小米粒文库到电脑桌面
安装后可以在桌面快捷访问

管理人员安全环保履职能力评估表

管理人员安全环保履职能力评估表_第1页
1/2
管理人员安全环保履职能力评估表_第2页
2/2
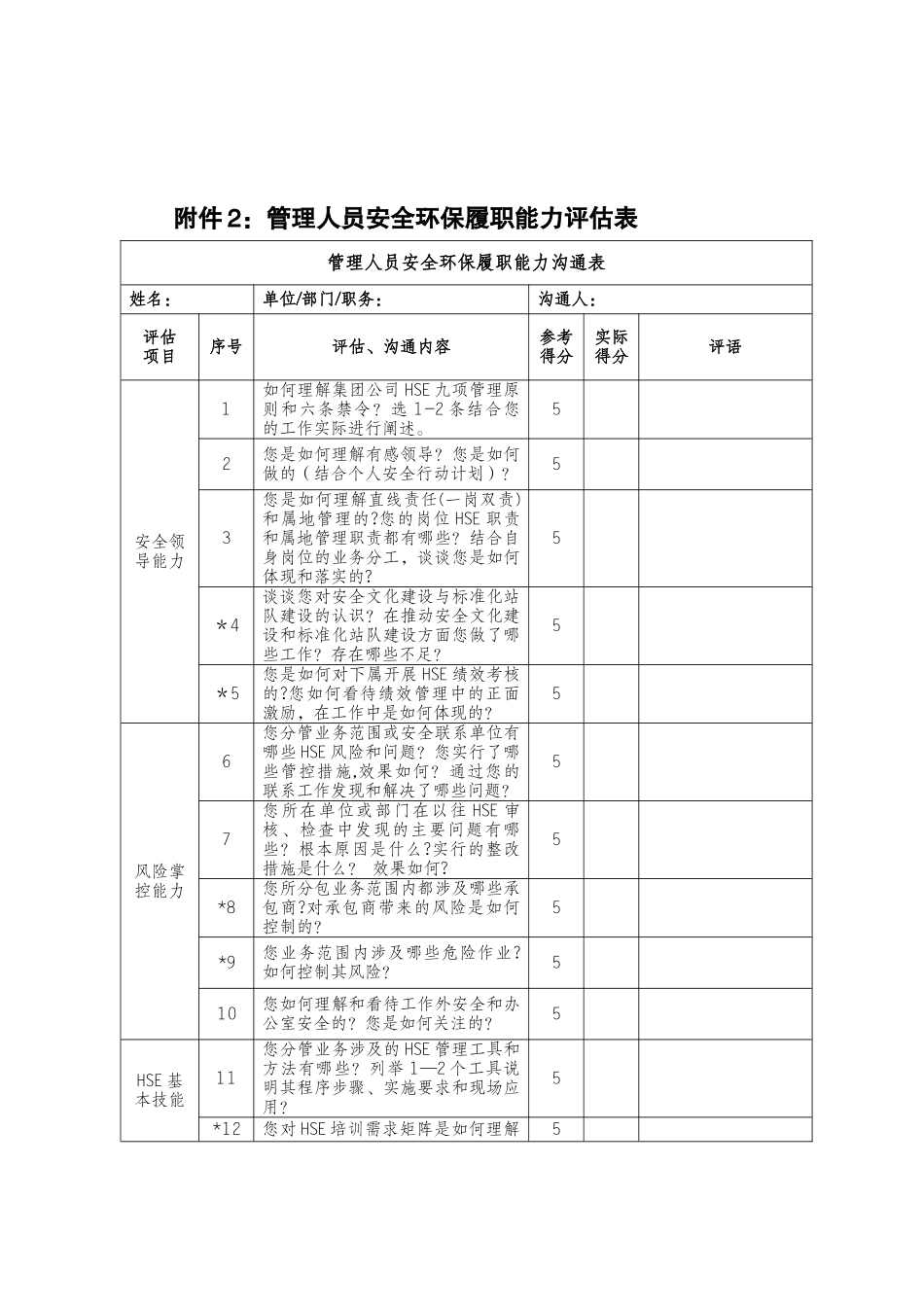
附件 2:管理人员安全环保履职能力评估表管理人员安全环保履职能力沟通表姓名:单位/部门/职务:沟通人:评估项目序号评估、沟通内容参考得分实际得分评语安全领导能力1如何理解集团公司 HSE 九项管理原则和六条禁令?选 1-2 条结合您的工作实际进行阐述。52您是如何理解有感领导?您是如何做的(结合个人安全行动计划)?53您是如何理解直线责任(一岗双责)和属地管理的?您的岗位 HSE 职责和属地管理职责都有哪些?结合自身岗位的业务分工,谈谈您是如何体现和落实的?5*4谈谈您对安全文化建设与标准化站队建设的认识?在推动安全文化建设和标准化站队建设方面您做了哪些工作?存在哪些不足?5*5您是如何对下属开展 HSE 绩效考核的?您如何看待绩效管理中的正面激励,在工作中是如何体现的?5风险掌控能力6您分管业务范围或安全联系单位有哪些 HSE 风险和问题?您实行了哪些管控措施,效果如何?通过您的联系工作发现和解决了哪些问题?57您所在单位或部门在以往 HSE 审核、检查中发现的主要问题有哪些?根本原因是什么?实行的整改措施是什么? 效果如何?5*8您所分包业务范围内都涉及哪些承包商?对承包商带来的风险是如何控制的?5*9您业务范围内涉及哪些危险作业?如何控制其风险?510您如何理解和看待工作外安全和办公室安全的?您是如何关注的?5HSE 基本技能11您分管业务涉及的 HSE 管理工具和方法有哪些?列举 1—2 个工具说明其程序步骤、实施要求和现场应用?5*12您对 HSE 培训需求矩阵是如何理解5的?您都参加了哪些 HSE 相关的培训?您对直线下属开展了哪些 HSE培训(提供相关证据)?13谈谈您对行为安全观察与沟通的理解与应用?5*14谈谈您对事故事件分级与上报的理解?分管业务范围内发生的事故、事件有哪些?原因是什么?如何对事故进行调查处理的?515您是否常常学习,都有哪些方式?重点关注的领域是什么?您是如何用所学到的知识去指导自己具体的业务工作的?5应急指挥能力*16您所在单位的应急预案有哪些?在相关的应急预案中,您的具体应急管理职责是什么?与您相关的应急预案都有哪些?517近一年来您组织、参加过哪些应急演练?在应急演练中您发现了哪些问题?提出了哪些改进要求?如何落实的?1018你学习过那些应急基本的技能和应急知识,请举例说明。生产场所或办公区域发生突发事故(件),您如何处置?10合计100注:标有*的问题是针对涉及到的人员进行访谈的内容,没标*号的问题是对所有人员都需访谈的内容,最终成绩=访谈得分/涉及问题总分*100。

1、当您付费下载文档后,您只拥有了使用权限,并不意味着购买了版权,文档只能用于自身使用,不得用于其他商业用途(如 [转卖]进行直接盈利或[编辑后售卖]进行间接盈利)。
2、本站所有内容均由合作方或网友上传,本站不对文档的完整性、权威性及其观点立场正确性做任何保证或承诺!文档内容仅供研究参考,付费前请自行鉴别。
3、如文档内容存在违规,或者侵犯商业秘密、侵犯著作权等,请点击“违规举报”。

碎片内容

管理人员安全环保履职能力评估表

确认删除?
VIP
微信客服
  • 扫码咨询
会员Q群
  • 会员专属群点击这里加入QQ群
客服邮箱
回到顶部