电脑桌面
添加小米粒文库到电脑桌面
安装后可以在桌面快捷访问

管道试验的总结

管道试验的总结_第1页
1/7
管道试验的总结_第2页
2/7
管道试验的总结_第3页
3/7
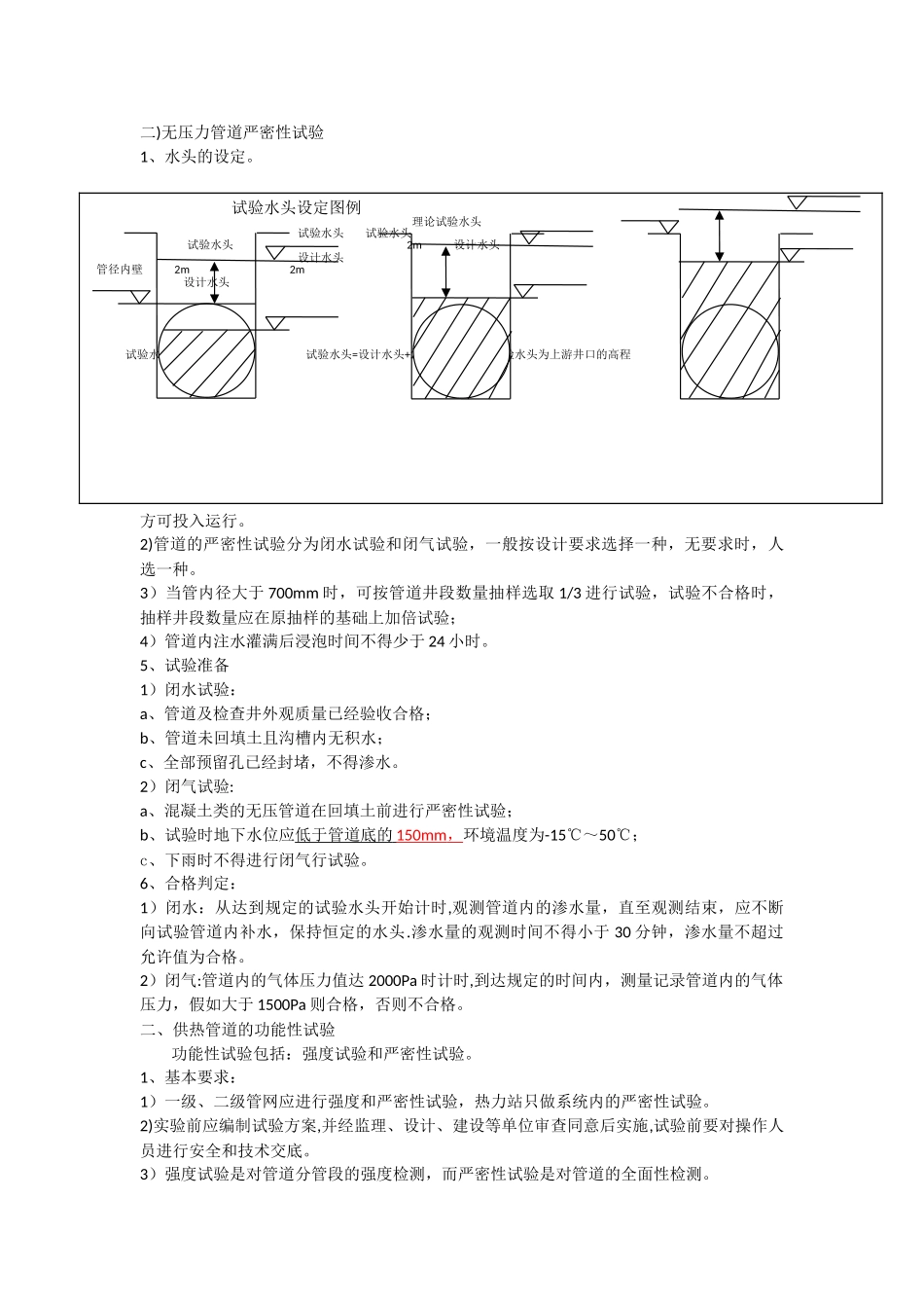
管道试验的总结一、给排水管道功能性试验功能性试验包括:压力管道水压试验、无压管道的严密性试验、给水管道的冲洗与消毒。一)压力管道的水压试验1、试验压力:预试验 1。5 倍的设计压力,主试验 1。5 倍的设计压力 15 分钟后降至设计压力。2、试验介质:纯净的水。3、试验步骤:1)预试验阶段:加压至 1.5 倍设计压力后稳压 30 分钟,期间有压力降可注水补压,外观测无漏水试验继续;如有漏水和损坏停止试验,查明原因并实行措施后重新试压。2)主试验阶段:停止注水补压保持试验压力稳压 15 分钟,无压力降或符合要求后下降至设计压力恒压 30 分钟,外观测无漏水则合格。4、试验长度:小于 1.0km5、基本规定:1)水压试验分为:预试验和主 试 验 。2)合格判定依据:允许压力降值和允许渗水量值符合设计要求;一般采纳一种或两种同时采纳,同时采纳两种的要两项指标都合格作为最终的判定.3)水压试验进行实际渗水量测定时,宜采纳注水法进行。4)采纳两种(或两种以上)管材时,应按不同管材分别试验,不具备分别试验的,且无设计要求的,应采纳不同种管材中最严的标准进行试验。5)设计无要求时,可以免去预试验,直接进行主试验的管材有:管道单口水压试验合格的大口径的球墨铸铁管、玻璃钢管、预应力钢筒混凝土管或预应力混凝土管等。6)管道的试验长度:水压试验的管段长度不宜大于 1.0km。2、试验方案与准备工作1)试验方案包括:后背及堵板的设计、进水管路、排气孔及排气孔的设计、加压设备、压力计的选择及安装设计、排水疏导措施、升压分级的划分及观测制度的规定、试验管段的稳定措施和安全措施。2)准备工作a、试验管段所有敞口应封闭,不得有渗漏水现象.b、试验管段不得用闸板做堵板,不得含有消火栓、水锤消除器、安全阀等附件.c、水压试验前应清除管道内的杂物。d、应做好水源引接、排水等疏导方案.e、除管道的接口外,其他地方应回填不少于 500mm 的土.3)管道内注水与浸泡a、应从下游缓慢注入,注入时在上游的管顶及管段中的高点设置排气阀,将管道内的气体排除。b、试验管道的浸泡:柔性管材(如:球墨铸铁管、钢管、化学建材管 )浸泡时间为不少于24 小时;非柔性管材(如:现浇钢筋混凝土管材、预应力混凝土管材、预应力钢筒混凝土管材),内径大于 1000mm,浸泡不少于 72 小时;内径小于 1000mm,浸泡不少于 48 小时。 预试验 主试验 1.5 倍试验压力 30 分钟 稳压 15 分钟 ① ② ① 外观无漏水、...

1、当您付费下载文档后,您只拥有了使用权限,并不意味着购买了版权,文档只能用于自身使用,不得用于其他商业用途(如 [转卖]进行直接盈利或[编辑后售卖]进行间接盈利)。
2、本站所有内容均由合作方或网友上传,本站不对文档的完整性、权威性及其观点立场正确性做任何保证或承诺!文档内容仅供研究参考,付费前请自行鉴别。
3、如文档内容存在违规,或者侵犯商业秘密、侵犯著作权等,请点击“违规举报”。

碎片内容

管道试验的总结

您可能关注的文档

文旅传媒+ 关注
实名认证
内容提供者

传播文化,成就未来

确认删除?
VIP
微信客服
  • 扫码咨询
会员Q群
  • 会员专属群点击这里加入QQ群
客服邮箱
回到顶部