电脑桌面
添加小米粒文库到电脑桌面
安装后可以在桌面快捷访问

箱涵专项安全施工方案

箱涵专项安全施工方案_第1页
1/5
箱涵专项安全施工方案_第2页
2/5
箱涵专项安全施工方案_第3页
3/5
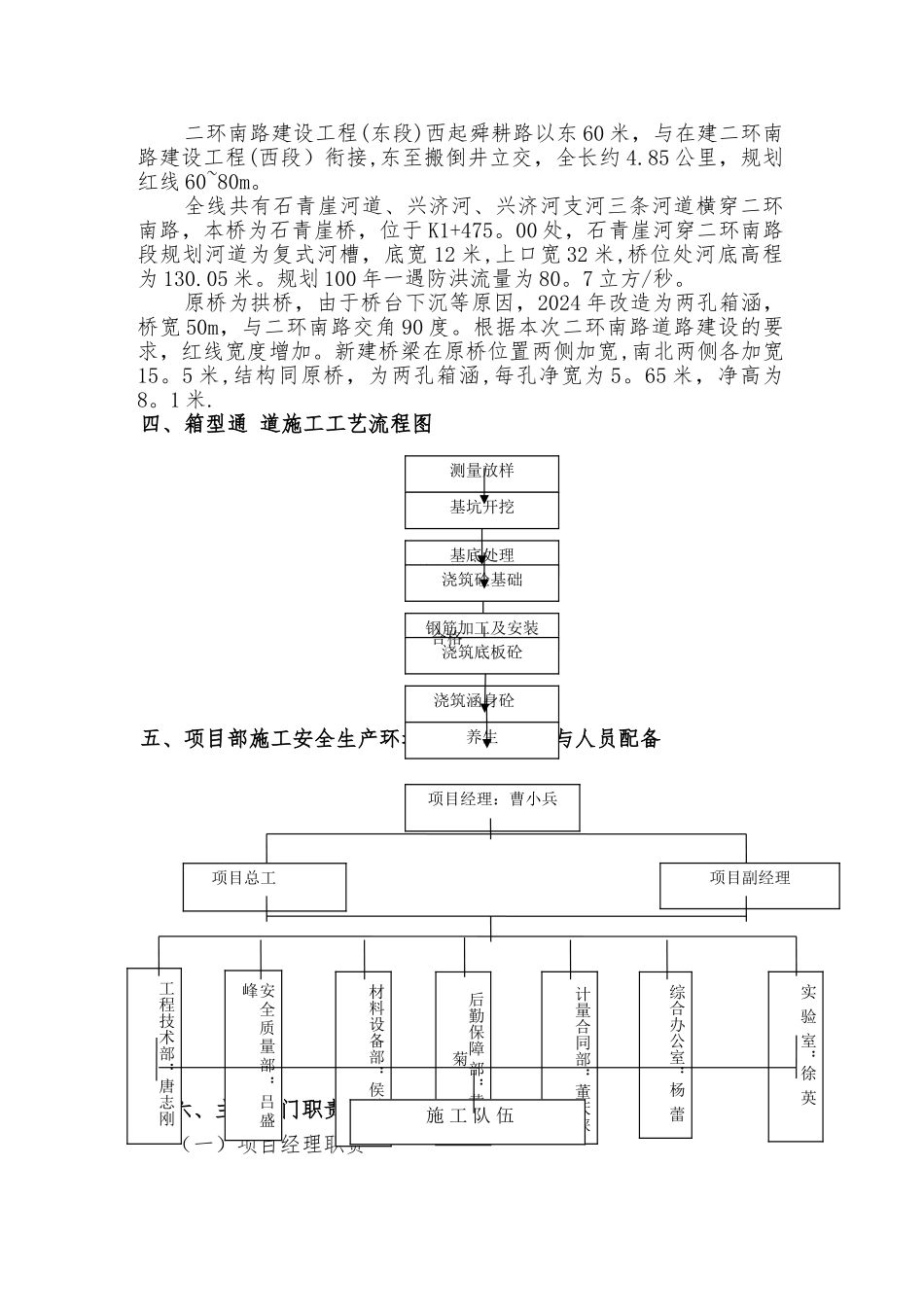
石青崖桥箱型通道专项安全施工方案 济南市二环南路建设工程(东段)第一标段一、编制目的 通过编制并实施本安全专项方案,能够有针对性的加强现场安全施工体系建设与管理工作,对墩柱施工中存在的危险源有预测、有预警、有预防,确保事前防范充分,事故发生时能果断有效地应对,保证对各类事故的预防和处置能力。项目部和相关人员应依据本方案对墩柱安全施工进行有效管理,最大程度地预防和减少安全事故及其造成的损害,实现下列四个目标: (1)避开或最大限度减少人员伤亡; (2)避开或最大限度减少财产损失; (3)避开或最大程度减轻环境污染或生态破坏; (4)避开或最大限度减轻对公司的社会声誉和公众形象的负面影响。二、编制依据 1、济南市二环南路建设工程(东段)第一标段施工图纸及施工现场现状; 2、《中华人民共和国安全生产法》(中华人民共和国主席令第70 号) 3、《建设工程安全生产条例》(国务院令第 393 号) 4、招标文件中关于安全标准施工场地和文明施工的有关规定。 7、济南市市政重点工程质量安全监督管理实施细则 8、施工组织总设计三、工程概况二环南路建设工程(东段)西起舜耕路以东 60 米,与在建二环南路建设工程(西段)衔接,东至搬倒井立交,全长约 4.85 公里,规划红线 60~80m。全线共有石青崖河道、兴济河、兴济河支河三条河道横穿二环南路,本桥为石青崖桥,位于 K1+475。00 处,石青崖河穿二环南路段规划河道为复式河槽,底宽 12 米,上口宽 32 米,桥位处河底高程为 130.05 米。规划 100 年一遇防洪流量为 80。7 立方/秒。原桥为拱桥,由于桥台下沉等原因,2024 年改造为两孔箱涵,桥宽 50m,与二环南路交角 90 度。根据本次二环南路道路建设的要求,红线宽度增加。新建桥梁在原桥位置两侧加宽,南北两侧各加宽15。5 米,结构同原桥,为两孔箱涵,每孔净宽为 5。65 米,净高为8。1 米.四、箱型通 道施工工艺流程图五、项目部施工安全生产环境保护组织机构与人员配备六、主要部门职责(一)项目经理职责 浇筑涵身砼测量放样基坑开挖 基底处理检抽检浇筑砼基础钢筋加工及安装浇筑底板砼合格养生项目经理:曹小兵 项目总工项目副经理工程技术部:唐志刚安全质量部:吕盛峰 材料设备部:侯胜荣后勤保障 部:黄明菊计量合同部:董庆侠综合办公室:杨 蕾实 验 室:徐 英 施 工 队 伍全面管理工程项目的生产经营。(二)项目总工职责 1、全面负责指导工程项目生产经营中的...

1、当您付费下载文档后,您只拥有了使用权限,并不意味着购买了版权,文档只能用于自身使用,不得用于其他商业用途(如 [转卖]进行直接盈利或[编辑后售卖]进行间接盈利)。
2、本站所有内容均由合作方或网友上传,本站不对文档的完整性、权威性及其观点立场正确性做任何保证或承诺!文档内容仅供研究参考,付费前请自行鉴别。
3、如文档内容存在违规,或者侵犯商业秘密、侵犯著作权等,请点击“违规举报”。

碎片内容

箱涵专项安全施工方案

确认删除?
VIP
微信客服
  • 扫码咨询
会员Q群
  • 会员专属群点击这里加入QQ群
客服邮箱
回到顶部