电脑桌面
添加小米粒文库到电脑桌面
安装后可以在桌面快捷访问

精装修工程技术交底

精装修工程技术交底_第1页
1/32
精装修工程技术交底_第2页
2/32
精装修工程技术交底_第3页
3/32
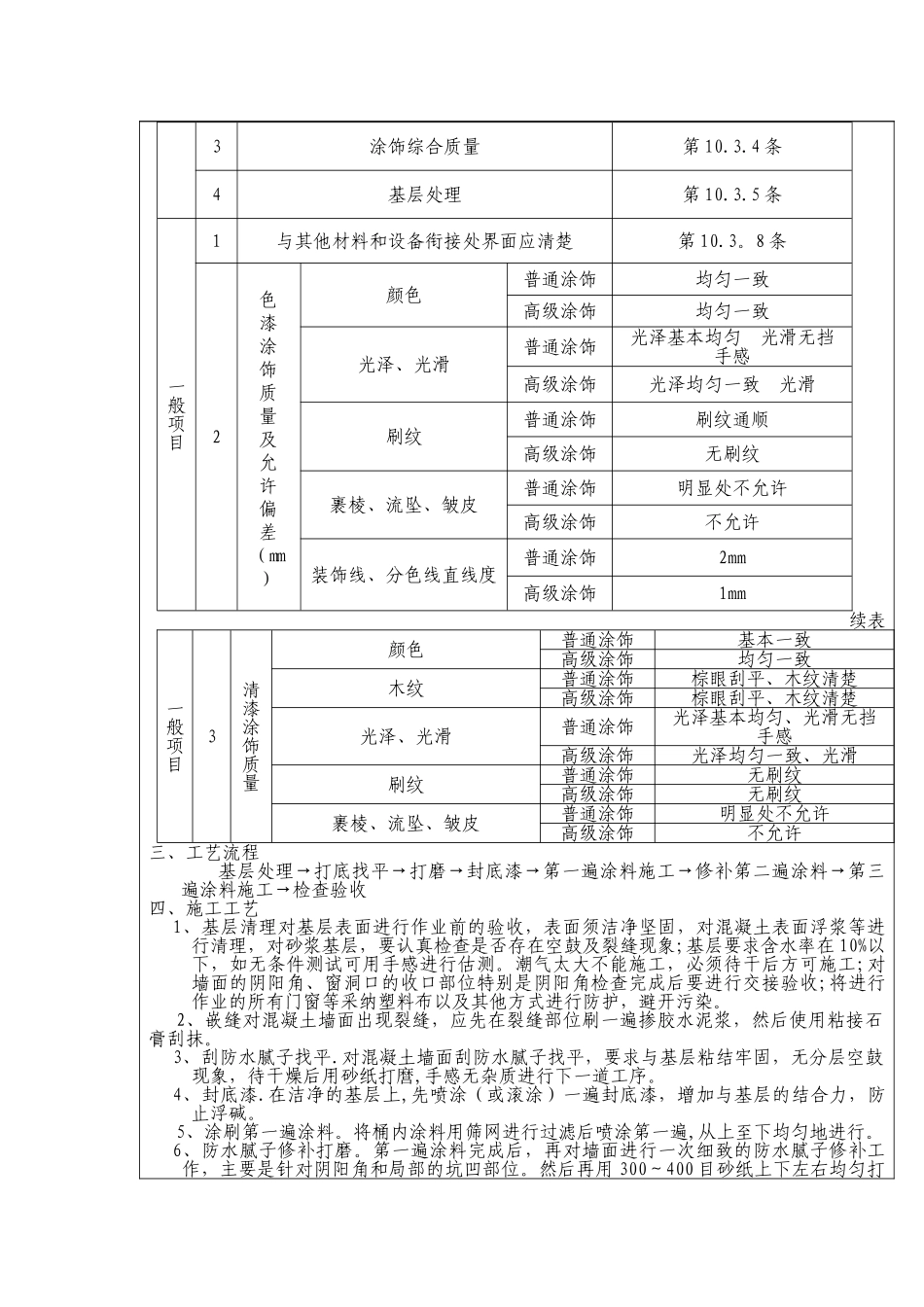
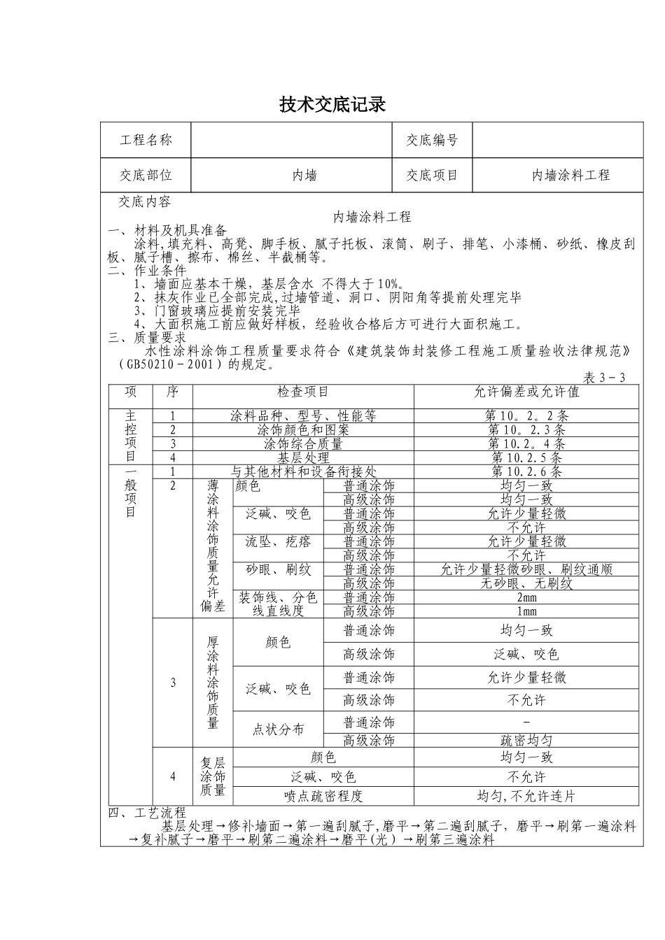
技术交底记录 工程名称交底编号交底部位内墙交底项目内墙涂料工程交底内容内墙涂料工程一、材料及机具准备涂料,填充料、高凳、脚手板、腻子托板、滚筒、刷子、排笔、小漆桶、砂纸、橡皮刮板、腻子槽、擦布、棉丝、半截桶等。二、作业条件1、墙面应基本干燥,基层含水 不得大于 10%。2、抹灰作业已全部完成,过墙管道、洞口、阴阳角等提前处理完毕3、门窗玻璃应提前安装完毕4、大面积施工前应做好样板,经验收合格后方可进行大面积施工。三、质量要求 水性涂料涂饰工程质量要求符合《建筑装饰封装修工程施工质量验收法律规范》(GB50210-2001)的规定。 表 3-3项序检查项目允许偏差或允许值主控项目1涂料品种、型号、性能等第 10。2。2 条2涂饰颜色和图案第 10。2.3 条3涂饰综合质量第 10.2。4 条4基层处理第 10.2.5 条一般项目1与其他材料和设备衔接处第 10.2.6 条2薄涂料涂饰质量允许偏差颜色普通涂饰均匀一致高级涂饰均匀一致泛碱、咬色普通涂饰允许少量轻微高级涂饰不允许流坠、疙瘩普通涂饰允许少量轻微高级涂饰不允许砂眼、刷纹普通涂饰允许少量轻微砂眼、刷纹通顺高级涂饰无砂眼、无刷纹装饰线、分色线直线度普通涂饰2mm高级涂饰1mm3厚涂料涂饰质量颜色普通涂饰均匀一致高级涂饰泛碱、咬色泛碱、咬色普通涂饰允许少量轻微高级涂饰不允许点状分布普通涂饰-高级涂饰疏密均匀4复层涂饰质量颜色均匀一致泛碱、咬色不允许喷点疏密程度均匀,不允许连片四、工艺流程 基层处理→修补墙面→第一遍刮腻子,磨平→第二遍刮腻子,磨平→刷第一遍涂料→复补腻子→磨平→刷第二遍涂料→磨平(光)→刷第三遍涂料五、施工工艺1、刮左子前在混凝土墙面上先喷、刷一道胶水(水:乳液为 5:1),要喷刷均匀,不得有遗漏.2、满刮腻子,刮腻子时应横竖刮,即第一遍腻子横向刮,第二遍腻子竖向刮。注意接槎和收头时腻子要刮净,每道腻子干燥后应用砂纸打磨,将腻子磨平后并将浮尘擦净。3、涂刷第一遍涂料,涂刷时应先上后下。干燥后复补腻子,待复补腻子干燥后用砂纸磨光。隔 1 天后,可涂刷第二遍。4、在第二遍操作时不宜来回多次涂刷,以避开溶松第一遍漆膜,或出现显著的漆刷涂饰痕迹,影响质量。5、在第二遍涂料施工时,注意涂料遮盖力情况,以便随时掌握和调整涂饰的松紧,确确保涂料色泽的均匀性。六、成品保护 1、 施涂进首先清理好周围环境,防止粉尘飞扬而影响涂饰质量。 2、不得污染窗台、门窗、玻璃等已完成的分项工程. 3、 涂饰墙...

1、当您付费下载文档后,您只拥有了使用权限,并不意味着购买了版权,文档只能用于自身使用,不得用于其他商业用途(如 [转卖]进行直接盈利或[编辑后售卖]进行间接盈利)。
2、本站所有内容均由合作方或网友上传,本站不对文档的完整性、权威性及其观点立场正确性做任何保证或承诺!文档内容仅供研究参考,付费前请自行鉴别。
3、如文档内容存在违规,或者侵犯商业秘密、侵犯著作权等,请点击“违规举报”。

碎片内容

精装修工程技术交底

您可能关注的文档

确认删除?
VIP
微信客服
  • 扫码咨询
会员Q群
  • 会员专属群点击这里加入QQ群
客服邮箱
回到顶部