电脑桌面
添加小米粒文库到电脑桌面
安装后可以在桌面快捷访问

综合办公室危险源辨识及评价记录表VIP专享

综合办公室危险源辨识及评价记录表_第1页
1/18
综合办公室危险源辨识及评价记录表_第2页
2/18
综合办公室危险源辨识及评价记录表_第3页
3/18
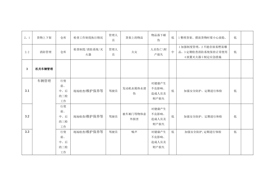
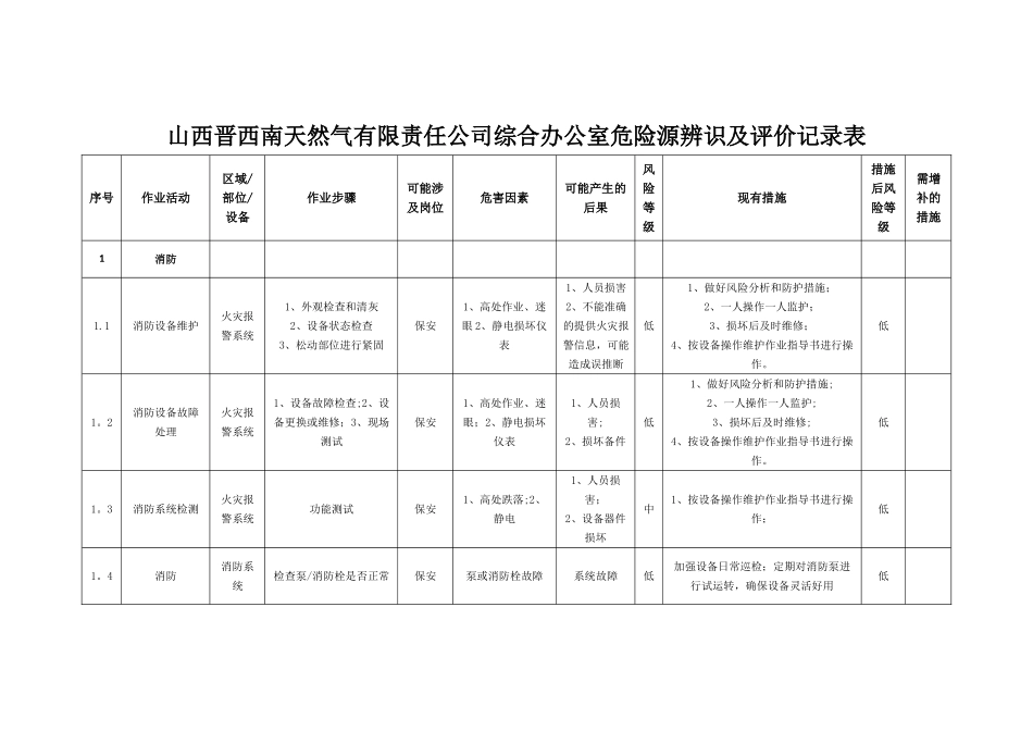
山西晋西南天然气有限责任公司综合办公室危险源辨识及评价记录表序号作业活动区域/部位/设备作业步骤可能涉及岗位危害因素可能产生的后果风险等级现有措施措施后风险等级需增补的措施1消防1.1消防设备维护火灾报警系统1、外观检查和清灰 2、设备状态检查 3、松动部位进行紧固保安1、高处作业、迷眼 2、静电损坏仪表1、人员损害2、不能准确的提供火灾报警信息,可能造成误推断低1、做好风险分析和防护措施;2、一人操作一人监护;3、损坏后及时维修;4、按设备操作维护作业指导书进行操作。低1。2消防设备故障处理火灾报警系统1、设备故障检查;2、设备更换或维修;3、现场测试保安1、高处作业、迷眼;2、静电损坏仪表1、人员损害;2、损坏备件低1、做好风险分析和防护措施;2、一人操作一人监护;3、损坏后及时维修;4、按设备操作维护作业指导书进行操作。低1。3消防系统检测火灾报警系统功能测试保安1、高处跌落;2、静电1、人员损害;2、设备器件损坏中1、按设备操作维护作业指导书进行操作;低1。4消防消防系统检查泵/消防栓是否正常保安泵或消防栓故障系统故障低加强设备日常巡检;定期对消防泵进行试运转,确保设备灵活好用低1。5消防火灾报警控制器检查报警功能保安设备故障不能正常报警;不能及时提供报警信息,导致事故发生及事故扩大中定期对报警功能进行检查检测;现场巡检检查泄漏;通过工业电视监控有无火灾.对故障严重设备及时进行更新改造低1。6消防可燃气体报警器是否定期检测/设备是否正常保安个别设备故障不能正常报警;不能及时提供报警信息,导致事故发生及事故扩大中定期对报警功能进行检查检测;现场巡检利用便携式设备进行泄漏检查。对故障严重设备及时进行更新改造低1。7消防感温感烟探头是否定期检测/设备是否正常保安个别设备故障不能正常报警;不能及时提供报警信息,导致事故发生及事故扩大中定期对报警功能进行检查检测;通过工业电视监控有无火灾。对故障严重设备及时进行更新改造低1.8消防设施、设备办公区长期放置保安设备过期不能正常使用低定期设备检查、岗位培训、安全教育和宣传、应急演练低1。9逃生设施、设备办公区长期放置保安设备故障不能正常使用低定期设备检查、岗位培训、安全教育和宣传、应急演练低2仓库管理2。1货物上下架仓库检查工作制度执行情况管理人员货架上的物品物品落下砸伤低1 整理货架、摆放货物时要小心放稳。低2.2消防管理仓库检查制度/消防系统/灭火器管理人员火灾人员伤亡\财产损失中1 加...

1、当您付费下载文档后,您只拥有了使用权限,并不意味着购买了版权,文档只能用于自身使用,不得用于其他商业用途(如 [转卖]进行直接盈利或[编辑后售卖]进行间接盈利)。
2、本站所有内容均由合作方或网友上传,本站不对文档的完整性、权威性及其观点立场正确性做任何保证或承诺!文档内容仅供研究参考,付费前请自行鉴别。
3、如文档内容存在违规,或者侵犯商业秘密、侵犯著作权等,请点击“违规举报”。

碎片内容

综合办公室危险源辨识及评价记录表

范哲铺+ 关注
实名认证
内容提供者

想你所想,急你所急,你需要的都在店铺里可以找到。

确认删除?
VIP
微信客服
  • 扫码咨询
会员Q群
  • 会员专属群点击这里加入QQ群
客服邮箱
回到顶部