电脑桌面
添加小米粒文库到电脑桌面
安装后可以在桌面快捷访问

综合布线验收报告

综合布线验收报告_第1页
1/4
综合布线验收报告_第2页
2/4
综合布线验收报告_第3页
3/4
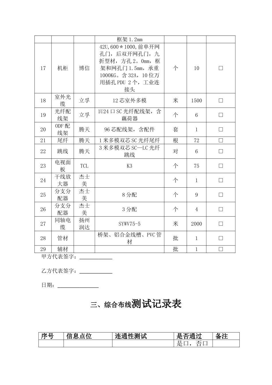
重庆市报废汽车回收处理利用有限公司综合布线验收文件施 工 单 位:重庆五岳信息技术有限公司验 收 日 期: 2024 年 5 月 20 日 目 录一、综合布线工程验收单................................................................3二、综合布线工程材料设备清单 .................................................... 2 三、综合布线测试记录表 ................................................................ 3 四、主要产品合格证书 .................................................................... 4 五、竣工图纸 .................................................................................... 4 一、综合布线工程验收单工程名称重庆市报废汽车回收处理利用有限公司综合布线施工单位重庆五岳信息技术有限公司施工内容序号分项名称是否完成备注1网络线缆铺设(光纤、六类、超五类)是口,否口2桥架安装是口,否口3机柜安装是口,否口4配线架、模块、面板安装是口,否口5面板配线架线缆标识是口,否口6连通性测试是口,否口 我公司已完成该工程的材料供货和施工工作,材料符合合同要求,施工质量符合相关标准。业主单位签字: 年 月 日二、综合布线工程材料设备清单序号名称品牌参数单位数量确认(√)1网线耐克森六类 4 对非屏蔽线缆箱36□2网线耐克森超五类非屏蔽箱58□3面板耐克森双口信息面板个140□4面板耐克森单口信息面板个60□5地插铜地插个17□6底盒86 国标个125□7模块耐克森六类非屏蔽信息模块插座个142□8模块耐克森超五类非屏蔽信息模块个232□9配线架耐克森24 口六类非屏蔽模块式配线架,含模块个6□10配线架耐克森24 口五类非屏蔽模块式配线架,含模块个11□11理线环耐克森1U 开放式个23□12工作区网络跳线耐克森3M 六类非屏蔽 RJ45 跳线,六类根142□13设备间网络跳线耐克森2M 六类非屏蔽 RJ45 跳线,六类根242□14语音设备间跳线耐克森2M 鸭嘴 RJ45根132□15机柜博信32U,600*600,前门钢化玻璃,钢板后门,SPCC 冷轧钢板,设备支架 1.5mm,框架 1.2mm个1□16机柜博信24U,600*600,前门钢化玻璃,钢板后门,SPCC 冷轧钢板,设备支架 1.5mm,个5□框架 1.2mm17机柜博信42U,600*1000,前单开网孔门,后双开网孔门,九折型材,方孔 2。0mm,框架和网孔门 1.5mm,承重1000KG。含 32A,10 位万用插孔 PDU 2 个,工业连接头个10□18室外光缆立孚12 芯室外多模...

1、当您付费下载文档后,您只拥有了使用权限,并不意味着购买了版权,文档只能用于自身使用,不得用于其他商业用途(如 [转卖]进行直接盈利或[编辑后售卖]进行间接盈利)。
2、本站所有内容均由合作方或网友上传,本站不对文档的完整性、权威性及其观点立场正确性做任何保证或承诺!文档内容仅供研究参考,付费前请自行鉴别。
3、如文档内容存在违规,或者侵犯商业秘密、侵犯著作权等,请点击“违规举报”。

碎片内容

综合布线验收报告

确认删除?
VIP
微信客服
  • 扫码咨询
会员Q群
  • 会员专属群点击这里加入QQ群
客服邮箱
回到顶部