电脑桌面
添加小米粒文库到电脑桌面
安装后可以在桌面快捷访问

综合能力评估表--杜邦安全培训

综合能力评估表--杜邦安全培训_第1页
1/8
综合能力评估表--杜邦安全培训_第2页
2/8
综合能力评估表--杜邦安全培训_第3页
3/8
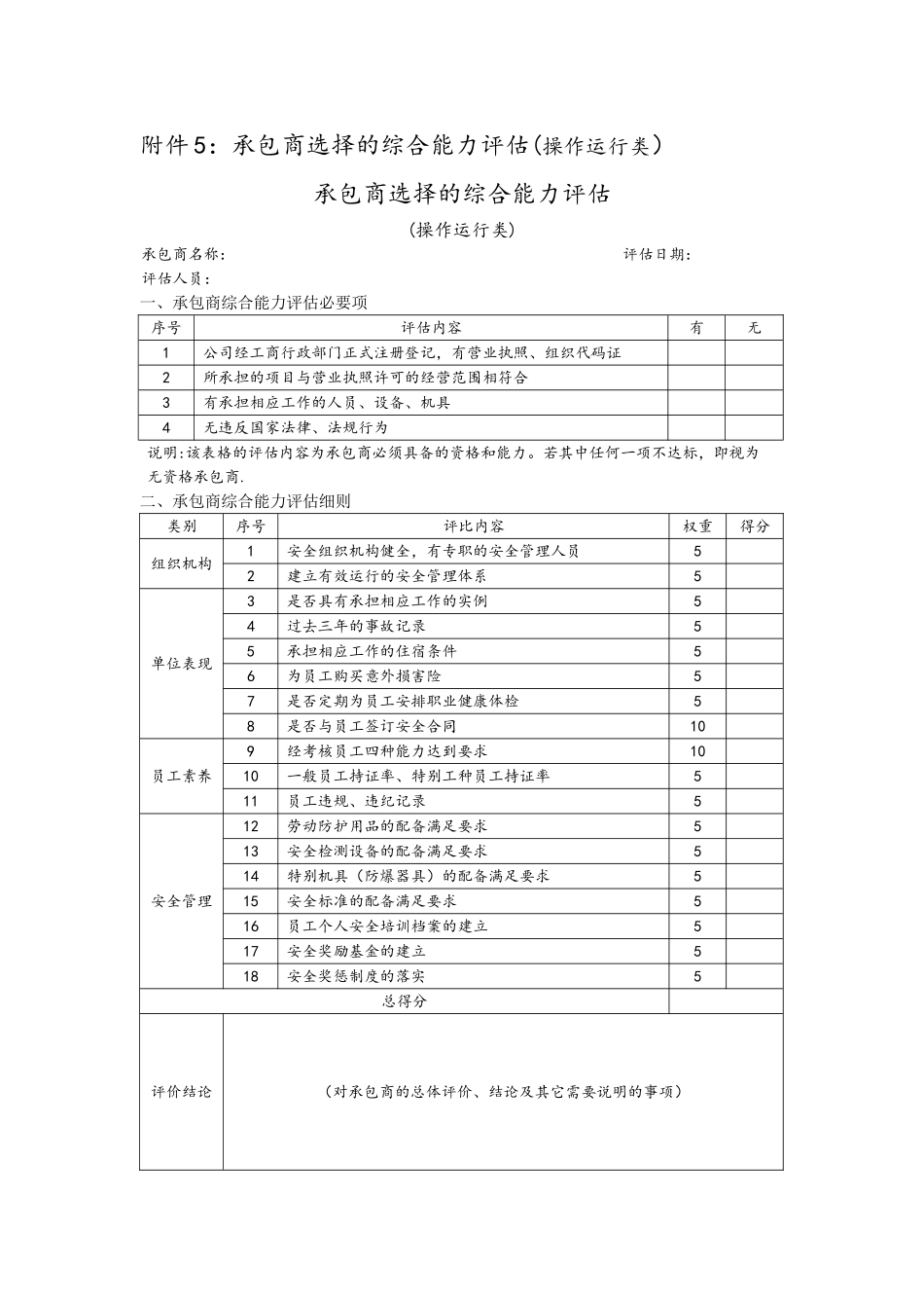
附件 3:承包商选择的综合能力评估(工程技术类)承包商选择的综合能力评估(工程技术类) 承包商名称: 评估日期: 评估人员: 一、承包商综合能力评估必要项序号评比内容有无1公司经工商行政部门正式注册登记,有营业执照、企业代码、税务证、相应的安全许可证2主要设备配套齐全,性能满足塔里木油田需要3近三年有无重大及以上事故说明:该表格的评估内容为承包商必须具备的资格和能力。若其中任何一项不达标,即视为无资格承包商。二、承包商综合能力评估细则类别序号评比内容权重得分人员要求1员工资质及配备符合规定52员工经过相关培训并具备相应资格、资历及证照103参加项目施工人员体检合格,记录真实、有效2管理要求4健全、完善的安全管理组织机构25具备对施工现场的安全风险进行评估及制定控制、削减风险计划的能力26健全、完善的安全管理规章制度37具有书面的事故调查流程,并保留调查记录28员工有无全员参加安全管理的理念29健全、完善的岗位责任制和操作规程510对特别材料及危险化学品有无严格的登记保管制度211对新员工及新岗位员工有培训制度及完整记录512承包商员工按规定配备劳动保护用品和职业防护用品5设备要求13满足工程施工要求的装备40其它要求14同类项目有无合作经验215项目的 HSE 费用、清单及承诺1016人员及设备的保险情况3总得分100评价结论(对承包商的总体评价、结论及其它需要说明的事项)附件 4:承包商选择的综合能力评估(设备检(维)修类)承包商选择的综合能力评估(设备检(维)修类) 承包商名称: 评估日期: 评估人员: 一、承包商综合能力评估必要项序号评比内容有无1单位经工商行政部门正式注册登记,有营业执照、企业代码证2有行业许可证、特种设备检维修有所在省技术监督局颁发特种设备检维修许可证3单位的业务范围与拟承修的项目相符4单位具有相应的维修场地、机具设备,技术人员有相应的资质说明:该表格的评估内容为承包商必须具备的资格和能力。若其中任何一项不达标,即视为无资格承包商。二、承包商综合能力评估细则类别序号评比内容权重得分安全组织管理1安全组织机构健全,有专(兼)职的安全管理人员52建立有效运行的安全管理体系、制度103与员工签订劳动合同,并有相关的安全条款10员工素养4员工经过相应工作的四种能力评估,评估结果合格105所有员工持证上岗,特种作业员工有特种作业资质106所有员工经过培训考核合格并有记录10安全基础管理7安全防护用品配备满足要求58安全检测设备配备满...

1、当您付费下载文档后,您只拥有了使用权限,并不意味着购买了版权,文档只能用于自身使用,不得用于其他商业用途(如 [转卖]进行直接盈利或[编辑后售卖]进行间接盈利)。
2、本站所有内容均由合作方或网友上传,本站不对文档的完整性、权威性及其观点立场正确性做任何保证或承诺!文档内容仅供研究参考,付费前请自行鉴别。
3、如文档内容存在违规,或者侵犯商业秘密、侵犯著作权等,请点击“违规举报”。

碎片内容

综合能力评估表--杜邦安全培训

元素商铺+ 关注
实名认证
内容提供者

欢迎挑选合适的文档

确认删除?
VIP
微信客服
  • 扫码咨询
会员Q群
  • 会员专属群点击这里加入QQ群
客服邮箱
回到顶部