电脑桌面
添加小米粒文库到电脑桌面
安装后可以在桌面快捷访问

绿色施工要素评价表

绿色施工要素评价表_第1页
1/9
绿色施工要素评价表_第2页
2/9
绿色施工要素评价表_第3页
3/9
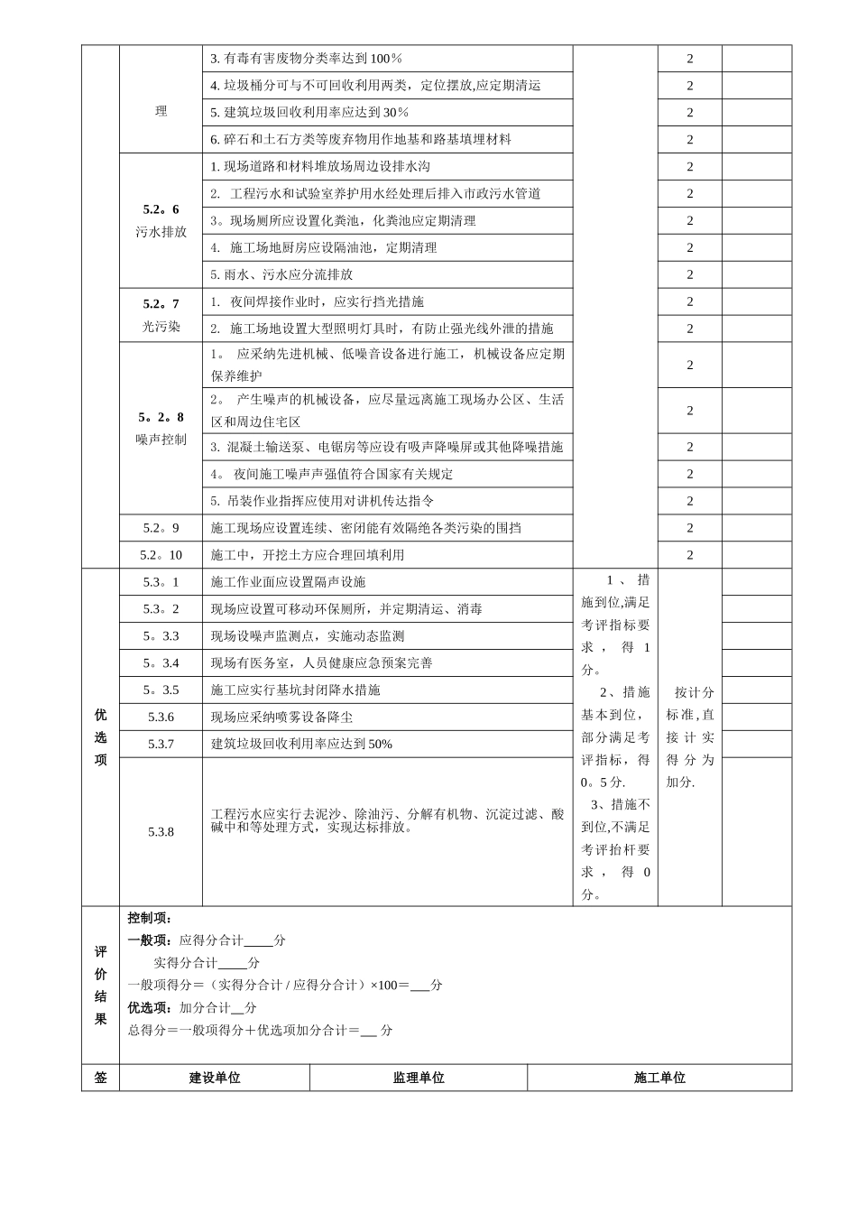
环境保护要素评价表 表 11.3.1 -1.1工程名称 中天会展城 TB—1(超高层)编 号 填表日期施工单位中建四局第一建筑工程有限公司施工阶段主体施工评价指标施工部位控制项标准编号 标准要求评价结论5。1。1现场施工标牌应包括环境保护内容5。1.2施工现场应在醒目位置设环境保护标识5.1。3施工现场应对文物古迹、古树名木实行有效保护措施5.1。4现场食堂有卫生许可证,有熟食留样,炊事员持有效健康证明一般项标准编号 标准要求计分标准应得分实得分5。2。1资源保护1. 应保护场地四周原有地下水形态,减少抽取地下水1 、 措施到位,满足考评指标要求,得 2 分. 2、措施基本到位,部分满足考评指 标 , 得 1分. 3、措施不到位,不满足考评抬杆要求,得0 分。22。危险品、化学品存放处及污物排放实行隔离措施25。2.2人员健康1. 施工作业区和生活办公区分开布置,生活设施远离有毒有害物质22。生活区应有专人负责,有消暑或保暖措施23。 现场工人劳动强度和工作时间符合现行国家标准《体力劳动强度等级》(GB3869) 相关规定24。 从事有毒、有害、有刺激性气味和强光、强噪音施工的人员佩戴护目镜、面罩等防护器具25. 深井、密闭环境、防水和室内装修施工有自然通风或临时通风设施26。 现场危险设备、地段、有毒物品存放地配置醒目安全标志,施工实行有效防毒、防污、防尘、防潮、通风等措施,加强人员健康管理27. 厕所、卫生设施、排水沟及阴暗潮湿地带,定期喷洒药水消毒和除四害措施28. 食堂各类器具清洁,个人卫生、操作行为法律规范25。2。3扬尘控制1. 现场建立洒水清扫制度,配备洒水设备,并有专人负责22。 对裸露地面、集中堆放的土方实行抑尘措施23。 运送土方、渣土等易产生扬尘的车辆实行封闭或遮盖措施24。 现场进出口设冲洗池和吸湿垫,进出现场车辆保持清洁25。 易飞扬和细颗粒建筑材料封闭存放,余料及时回收26. 易产生扬尘的施工作业实行遮挡、抑尘等措施27. 拆除爆破作业有降尘措施28。 高空垃圾清运采纳管道或垂直运输机械完成29. 现场使用散装水泥、预拌砂浆应有密闭防尘措施25。2。4废气排放控制1. 进出场车辆及机械设备废气排放符合国家年检要求22. 不使用煤作为现场生活的燃料23。 电焊烟气的排放符合现行国家标准《大气污染物综合排放标准》(GB16297)的规定24。不应在现场燃烧废弃物25.2。5建筑垃圾处1.建筑垃圾应分类堆放22. 废电池、废墨盒等有毒有害的废弃物封闭回收,不应混放2理3. 有毒...

1、当您付费下载文档后,您只拥有了使用权限,并不意味着购买了版权,文档只能用于自身使用,不得用于其他商业用途(如 [转卖]进行直接盈利或[编辑后售卖]进行间接盈利)。
2、本站所有内容均由合作方或网友上传,本站不对文档的完整性、权威性及其观点立场正确性做任何保证或承诺!文档内容仅供研究参考,付费前请自行鉴别。
3、如文档内容存在违规,或者侵犯商业秘密、侵犯著作权等,请点击“违规举报”。

碎片内容

绿色施工要素评价表

确认删除?
VIP
微信客服
  • 扫码咨询
会员Q群
  • 会员专属群点击这里加入QQ群
客服邮箱
回到顶部