电脑桌面
添加小米粒文库到电脑桌面
安装后可以在桌面快捷访问

老线路拆除作业指导书

老线路拆除作业指导书_第1页
1/9
老线路拆除作业指导书_第2页
2/9
老线路拆除作业指导书_第3页
3/9
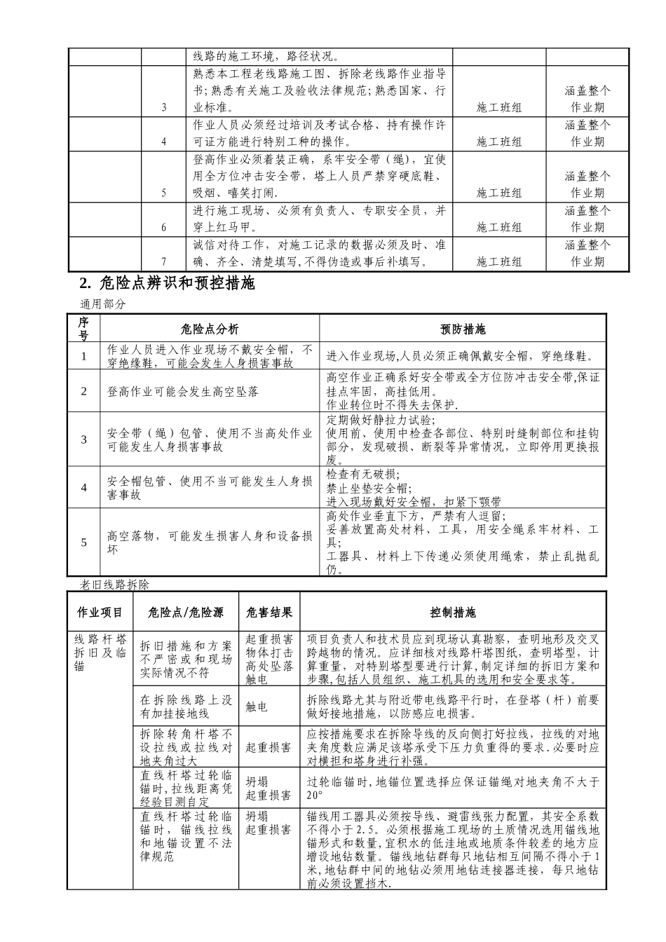
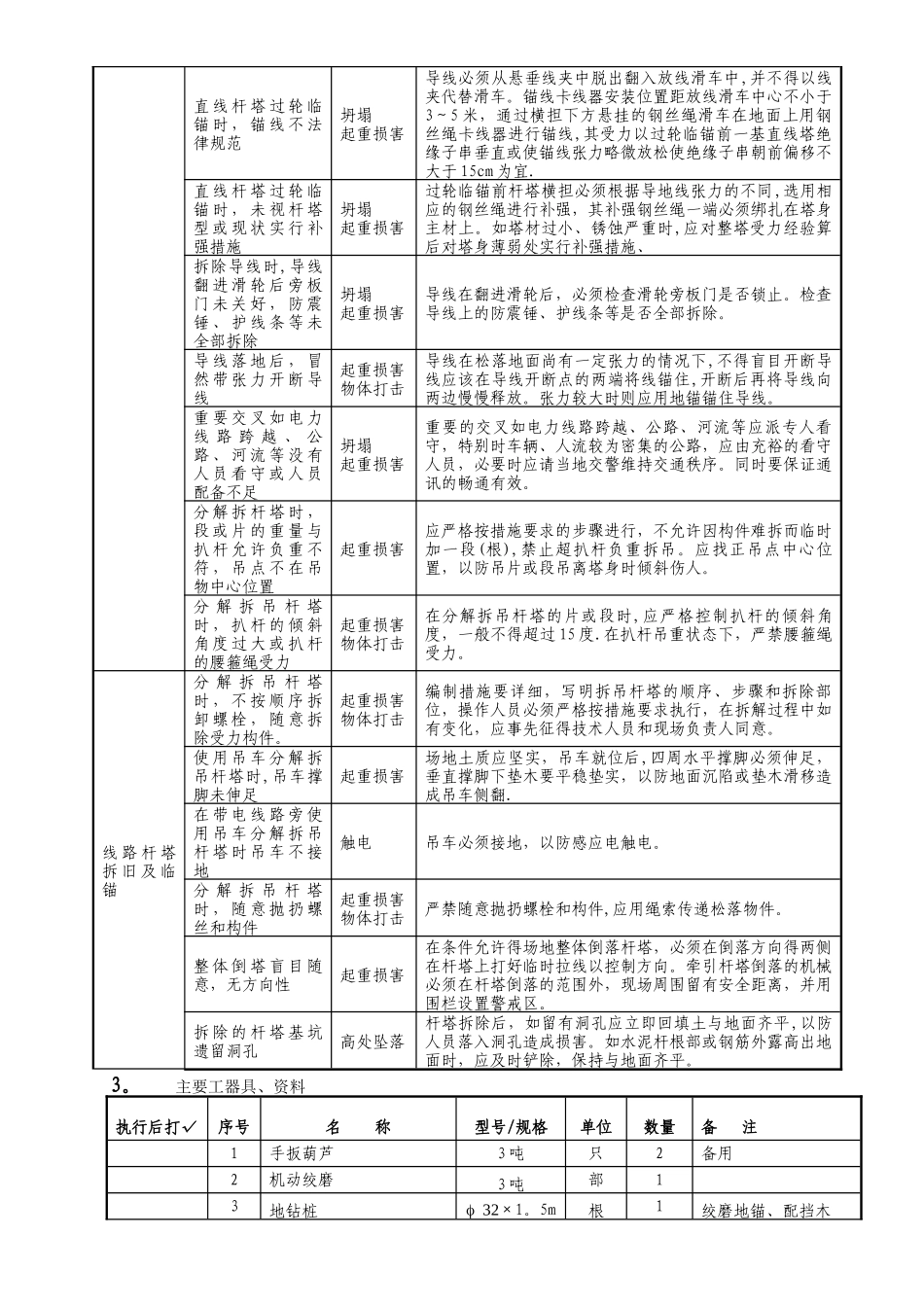
编号:Q/001老线路拆除作业指导书编写: 年 月 日审核: 年 月 日批准: 年 月 日作业负责: 作业日期年月日时至年月日时一、法律规范性引用文件本工程引用下列中华人民共和国国家规程及企业标准1. GB50233—2024《110 ~ 500 千伏架空送电线路施工及验收法律规范》2. DL/5009。2-2024电力建设安全工作规程(第 2 部分:架空电力线路)3. 基建安[2024]50 号国家电网公司输变电工程施工危险点辨识及预控措施4. Q/HDTG 1001-2000准《质量手册》二、老线路概况及基本规定2.1 1982 年 10 月投产。导线型号:LGJQ—400 钢芯铝绞线,安全系数 2。5。地线型号:GJ-50 钢绞线,安全系数 3.35两变电所门架之间线路亘长:32273 米2.2 本工程线路采纳水泥杆与铁塔混合杆塔形式,绝大多数为水泥杆。2.3 撤线采纳单线撤线方式,即每次只松撤一根导线或避雷线。在一个耐张段内的相邻杆塔不得同时在同相位进行附件拆除,应错开进行,以防止作业失误而使线落地发生高空坠落事故 ,作业点垂直下方不得有人。2.4 拆除导、地线施工段耐张杆塔必须正确打好反向侧临时拉线,打设位置应在相应的导地线延长线方向上,对地夹角一般不大于 45°,并装有 5T 双钩调节装置。临时拉线上端绑扎位置,应在杆塔靠近挂线点处,绑扎方法应在杆塔上至少绕两道并加用 U 形环封固牢靠。每基转角耐张杆塔除打设顺线路方向采纳15mm 的钢丝绳导、地线临时拉线外,水泥双杆的转角内角侧还应增加15mm 的钢丝绳临时拉线。2.5 平地每组临时拉线应采纳 3 只 1.5 吨地钻组成的品字形地锚,加 1 只 1.5 吨地钻连接在主桩后面,即 4只地钻组成一组地钻群。每只地钻钻杆前还应增设 20×20×120 厘米的挡木进行加固。山地临时拉线应采纳 3 根∠75×6×1500 角钢组成的梅花桩,每组采纳两个梅花桩组成一组地锚。每个梅花桩单独连接临时拉线.每组地锚仅挂一根临时拉线,永久拉线地锚不得用作临时拉线的锚桩。2.6 撤除的导、地线均应解开悬垂线夹,并将导、地线挂进滑车,严禁利用悬垂线夹代替滑车使用。2.7 拆除导、地线均应在耐张杆塔上进行,将导、地线松落到地面。严禁采纳突然剪断导、地线的做法松线。2。8水泥杆采纳剪断永久拉线后,有控制的拉倒;铁塔采纳从上往下逐件逐段分解拆卸。三、施工准备1. 人员的要求执行后打√序号内 容责任人(部门)备 注1作业人员应身体健康,精神状态良好。工作积极主动责任心强,对工程负责.施工班组涵盖...

1、当您付费下载文档后,您只拥有了使用权限,并不意味着购买了版权,文档只能用于自身使用,不得用于其他商业用途(如 [转卖]进行直接盈利或[编辑后售卖]进行间接盈利)。
2、本站所有内容均由合作方或网友上传,本站不对文档的完整性、权威性及其观点立场正确性做任何保证或承诺!文档内容仅供研究参考,付费前请自行鉴别。
3、如文档内容存在违规,或者侵犯商业秘密、侵犯著作权等,请点击“违规举报”。

碎片内容

老线路拆除作业指导书

文旅传媒+ 关注
实名认证
内容提供者

传播文化,成就未来

确认删除?
VIP
微信客服
  • 扫码咨询
会员Q群
  • 会员专属群点击这里加入QQ群
客服邮箱
回到顶部