电脑桌面
添加小米粒文库到电脑桌面
安装后可以在桌面快捷访问

职业健康审核要点

职业健康审核要点_第1页
1/24
职业健康审核要点_第2页
2/24
职业健康审核要点_第3页
3/24
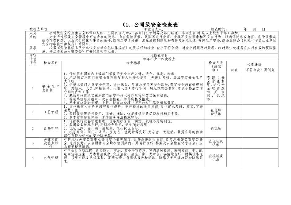
目 录01。公司级安全检查表.............................................................................................................................................................................................................................102. 压力容器、压力管道安全检查表 ....................................................................................................................................................................................................... 2 03. 锅炉安全检查表 ................................................................................................................................................................................................................................... 3 04 。 起重机械安全检查表 ......................................................................................................................................................................................................................... 4 05. 危险化学品安全检查表 ....................................................................................................................................................................................................................... 6 06. 电气设备安全检查表 ........................................................................................................................................................................................................................... 8 07 。 机械设备安全检查表 ......................................................................................................................................................................................................................... 9 08. 厂房、建筑物安全检查表 ................................................................................................................................................................................................................. 10 09 。 安全装置...

1、当您付费下载文档后,您只拥有了使用权限,并不意味着购买了版权,文档只能用于自身使用,不得用于其他商业用途(如 [转卖]进行直接盈利或[编辑后售卖]进行间接盈利)。
2、本站所有内容均由合作方或网友上传,本站不对文档的完整性、权威性及其观点立场正确性做任何保证或承诺!文档内容仅供研究参考,付费前请自行鉴别。
3、如文档内容存在违规,或者侵犯商业秘密、侵犯著作权等,请点击“违规举报”。

碎片内容

职业健康审核要点

确认删除?
VIP
微信客服
  • 扫码咨询
会员Q群
  • 会员专属群点击这里加入QQ群
客服邮箱
回到顶部