电脑桌面
添加小米粒文库到电脑桌面
安装后可以在桌面快捷访问

脱硫防腐项目技术协议

脱硫防腐项目技术协议_第1页
1/20
脱硫防腐项目技术协议_第2页
2/20
脱硫防腐项目技术协议_第3页
3/20
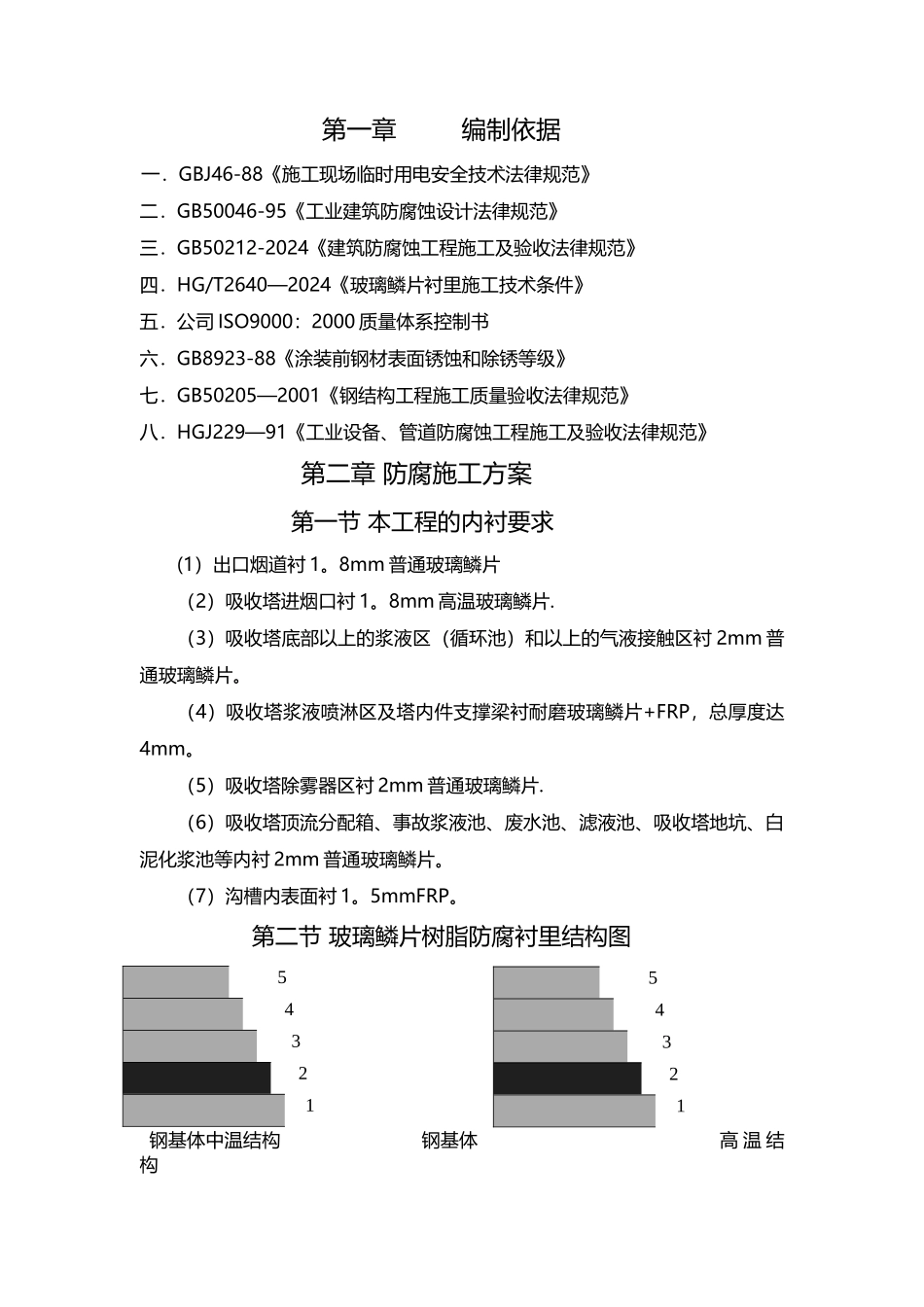
烟气脱硫防腐技术协议 发包方:****有限公司 承包方:****有限公司日 期: 2024 年 **月 **日第一章编制依据 一.GBJ46-88《施工现场临时用电安全技术法律规范》二.GB50046-95《工业建筑防腐蚀设计法律规范》三.GB50212-2024《建筑防腐蚀工程施工及验收法律规范》四.HG/T2640—2024《玻璃鳞片衬里施工技术条件》五.公司 ISO9000:2000 质量体系控制书六.GB8923-88《涂装前钢材表面锈蚀和除锈等级》七.GB50205—2001《钢结构工程施工质量验收法律规范》八.HGJ229—91《工业设备、管道防腐蚀工程施工及验收法律规范》第二章 防腐施工方案第一节 本工程的内衬要求(1)出口烟道衬 1。8mm 普通玻璃鳞片(2)吸收塔进烟口衬 1。8mm 高温玻璃鳞片.(3)吸收塔底部以上的浆液区(循环池)和以上的气液接触区衬 2mm 普通玻璃鳞片。(4)吸收塔浆液喷淋区及塔内件支撑梁衬耐磨玻璃鳞片+FRP,总厚度达4mm。(5)吸收塔除雾器区衬 2mm 普通玻璃鳞片.(6)吸收塔顶流分配箱、事故浆液池、废水池、滤液池、吸收塔地坑、白泥化浆池等内衬 2mm 普通玻璃鳞片。(7)沟槽内表面衬 1。5mmFRP。第二节 玻璃鳞片树脂防腐衬里结构图54321 钢基体中温结构 钢基体高 温 结构54321第 1 层 钢基体 第 1 层 钢基体 第 2 层 中温底涂 第 2 层 高温底涂第 3 层 一遍中温鳞片 第 3 层 一遍高温鳞片第 4 层 二遍中温鳞片 第 4 层 二遍高温鳞片第 5 层 中温面漆 第 5 层 高温面漆钢基体中温耐磨结构 钢基体中温加强结构第 1 层 钢 基 体 第1层 钢基体第 2 层 中温底涂 第2层 中温底涂第 3 层 一遍中温鳞片 第 3 层 一遍中温鳞片第 4 层 二遍中温鳞片 第 4 层 二遍中温鳞片第 5 层 中温耐磨层 第 5 层 FRP 加强层第 6 层 中温面漆 第 6 层 中温面漆第三节 施工准备一.准备针对本工程的开工报告,中间验收报告,施工记录,隐蔽施工记录及质量检查表格,并做好本工程的施工方案。二.对所有参加本工程施工的人员,进行必要的施工技术和安全学习培训,学习领悟甲方纪律、质量、安全、消防等方面的规章制度、明确作业的特别性和安全措施。三.准备针对本工程所使用材料,并备齐材料使用清单,出厂质量合格证明书,对所有防腐材料,应遵照产品说明书,并经试验确定无误后,不得随意改变配比。四.准备具有多年经验的熟练操作工人,能满足在甲方要求的绝对工期内完...

1、当您付费下载文档后,您只拥有了使用权限,并不意味着购买了版权,文档只能用于自身使用,不得用于其他商业用途(如 [转卖]进行直接盈利或[编辑后售卖]进行间接盈利)。
2、本站所有内容均由合作方或网友上传,本站不对文档的完整性、权威性及其观点立场正确性做任何保证或承诺!文档内容仅供研究参考,付费前请自行鉴别。
3、如文档内容存在违规,或者侵犯商业秘密、侵犯著作权等,请点击“违规举报”。

碎片内容

脱硫防腐项目技术协议

您可能关注的文档

确认删除?
VIP
微信客服
  • 扫码咨询
会员Q群
  • 会员专属群点击这里加入QQ群
客服邮箱
回到顶部