电脑桌面
添加小米粒文库到电脑桌面
安装后可以在桌面快捷访问

自查自纠表格

自查自纠表格_第1页
1/5
自查自纠表格_第2页
2/5
自查自纠表格_第3页
3/5
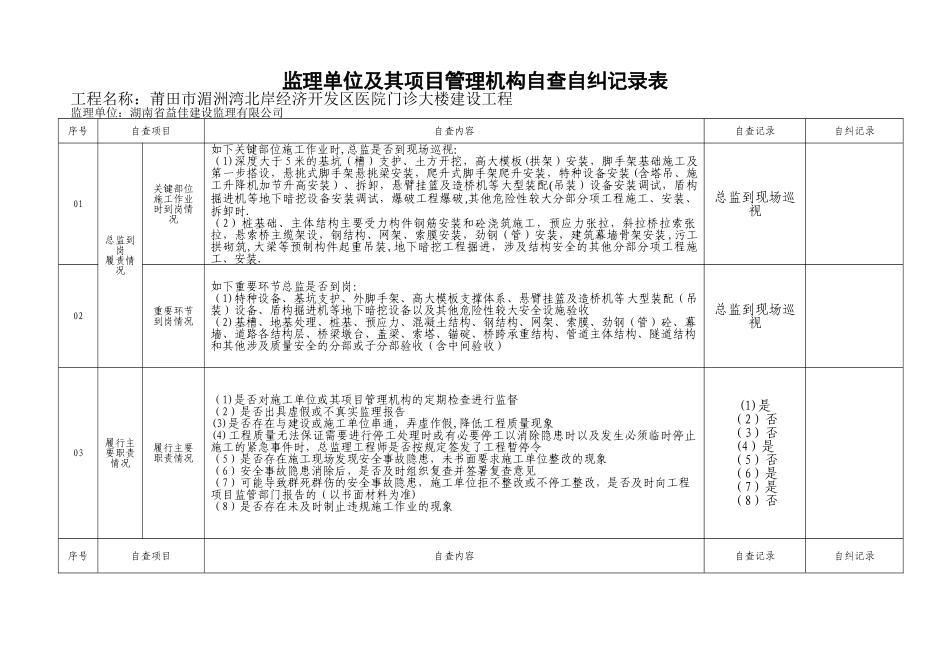
监理单位及其项目管理机构自查自纠记录表工程名称:莆田市湄洲湾北岸经济开发区医院门诊大楼建设工程监理单位:湖南省益佳建设监理有限公司序号自查项目自查内容自查记录自纠记录01总监到岗履责情况关键部位施工作业时到岗情况如下关键部位施工作业时,总监是否到现场巡视:(1)深度大于 5 米的基坑(槽)支护、土方开挖,高大模板(拱架)安装,脚手架基础施工及第一步搭设,悬挑式脚手架悬挑梁安装,爬升式脚手架爬升安装,特种设备安装(含塔吊、施工升降机加节升高安装)、拆卸,悬臂挂篮及造桥机等大型装配(吊装)设备安装调试,盾构掘进机等地下暗挖设备安装调试,爆破工程爆破,其他危险性较大分部分项工程施工、安装、拆卸时.(2)桩基础、主体结构主要受力构件钢筋安装和砼浇筑施工,预应力张拉,斜拉桥拉索张拉,悬索桥主缆架设,钢结构、网架、索膜安装,劲钢(管)安装,建筑幕墙骨架安装,污工拱砌筑,大梁等预制构件起重吊装,地下暗挖工程掘进,涉及结构安全的其他分部分项工程施工、安装.总监到现场巡视02重要环节到岗情况如下重要环节总监是否到岗:(1)特种设备、基坑支护、外脚手架、高大模板支撑体系、悬臂挂篮及造桥机等大型装配(吊装)设备、盾构掘进机等地下暗挖设备以及其他危险性较大安全设施验收 (2)基槽、地基处理、桩基、预应力、混凝土结构、钢结构、网架、索膜、劲钢(管)砼、幕墙、道路各结构层、桥梁墩台、盖梁、索塔、锚碇、桥跨承重结构、管道主体结构、隧道结构和其他涉及质量安全的分部或子分部验收(含中间验收)总监到现场巡视03履行主要职责情况履行主要职责情况(1)是否对施工单位或其项目管理机构的定期检查进行监督(2)是否出具虚假或不真实监理报告(3)是否存在与建设或施工单位串通,弄虚作假,降低工程质量现象(4)工程质量无法保证需要进行停工处理时或有必要停工以消除隐患时以及发生必须临时停止施工的紧急事件时,总监理工程师是否按规定签发了工程暂停令 (5)是否存在施工现场发现安全事故隐患,未书面要求施工单位整改的现象(6)安全事故隐患消除后,是否及时组织复查并签署复查意见(7)可能导致群死群伤的安全事故隐患,施工单位拒不整改或不停工整改,是否及时向工程项目监管部门报告的(以书面材料为准)(8)是否存在未及时制止违规施工作业的现象 (1)是(2)否(3)否(4)是(5)否(6)是(7)是(8)否序号自查项目自查内容自查记录自纠记录04安全生产检查施工单位安全生产管理情况施...

1、当您付费下载文档后,您只拥有了使用权限,并不意味着购买了版权,文档只能用于自身使用,不得用于其他商业用途(如 [转卖]进行直接盈利或[编辑后售卖]进行间接盈利)。
2、本站所有内容均由合作方或网友上传,本站不对文档的完整性、权威性及其观点立场正确性做任何保证或承诺!文档内容仅供研究参考,付费前请自行鉴别。
3、如文档内容存在违规,或者侵犯商业秘密、侵犯著作权等,请点击“违规举报”。

碎片内容

自查自纠表格

您可能关注的文档

领读文化+ 关注
实名认证
内容提供者

传播文化,铸就未来

相关文档

确认删除?
VIP
微信客服
  • 扫码咨询
会员Q群
  • 会员专属群点击这里加入QQ群
客服邮箱
回到顶部