电脑桌面
添加小米粒文库到电脑桌面
安装后可以在桌面快捷访问

自流平施工组织设计

自流平施工组织设计_第1页
1/9
自流平施工组织设计_第2页
2/9
自流平施工组织设计_第3页
3/9
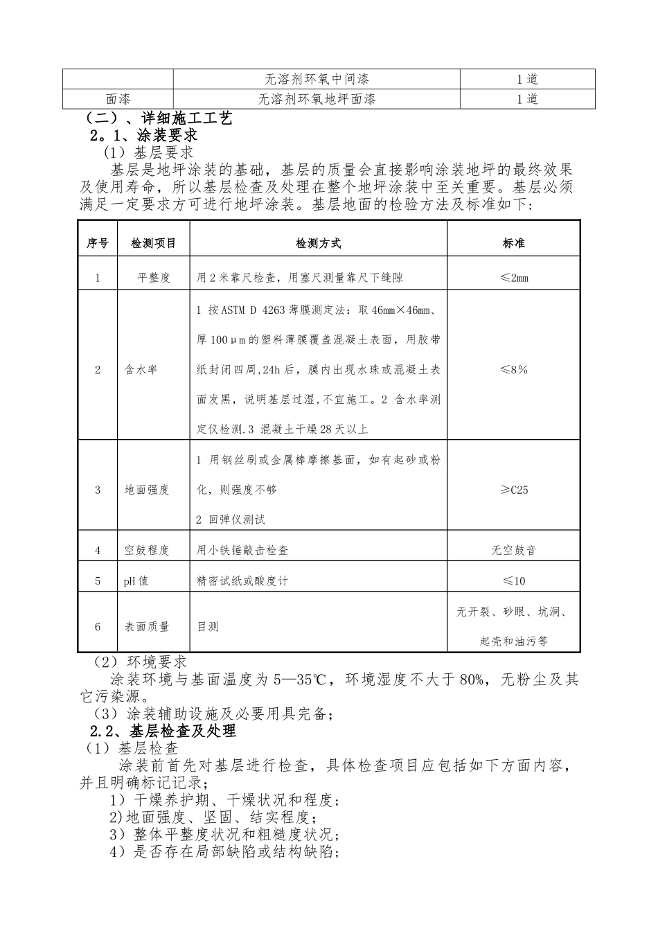
XXXX 车库地坪涂料工程施工组织设计编制单位: 编制日期: 目录一、 施工准备……………………………………………………3(一) 材料准备…………………………………………3(二) 施工工具及机具…………………………………3(三) 作业条件…………………………………………3(四) 人员准备及要求…………………………………3(五) 施工总体协调……………………………………4二、 固克无溶剂环氧地坪系统(2mm)施工工艺……………4(一) 涂装工艺流程……………………………………4(二) 详细施工工艺……………………………………4三、 固克无溶剂环氧地坪系统(3mm)坡道施工工艺………11(一) 涂装工艺流程……………………………………11(二) 详细施工工艺……………………………………12四、 强调及施工时注意事项…………………………………14五、 施工安全注意事项………………………………………15六、 文明施工与环境保护……………………………………16七、 成品保护…………………………………………………17八、施工进度计划……………………………………………18一、施工准备(一)材料准备:环氧地坪防火漆底漆、中途、面漆、石英砂、石英粉等相关的材料(二)施工工具、机具:打磨机、吸尘器、滚筒、手动搅拌机、缦刀、批刀、钉子鞋等(三)作业条件1、地库内所有施工垃圾需清理洁净,剩余施工材料、管件、设备、彩板、杂物等需清理出场。2、为保证施工时避开扬尘污染地坪质量,地库内所有地面(因尘土过厚)需进场前提前清扫一遍。3、 地库内部分区域地面积水严重,无法施工,必须提前切断水源,清扫积水,并使用风机吹地面加速风干,使潮处彻底干燥,表面处理洁净,经测试 地面含水率达到 8%以下,PH 值 6~80 时方可施工。4、 平整的表面允许空隙为 2~2。5mm,,施工现场相对湿度应低于85%,环保温度应在 10 度以上。 5、 原水泥地面要求坚硬,平整,不起砂,地面如有空洞,脱皮,起砂,裂痕等,必须按要求处理后方可施工。 6、施工现场内要有足够的电源,220V、380V,并提前告知电源闸箱位置.7、地坪施工时,应避开其他工种交叉作业,以免影响工程质量。8、地坪施工前,需将相应施工区域周围各通道口卷帘门放下封闭,外窗封闭,以免风大、尘土影响工程质量.(四)人员准备及要求1、进场时提起与甲方相关人员沟通,协调工人住宿事宜,合理安排。2、施工期间保持住宿区环境卫生,不随地大小便...

1、当您付费下载文档后,您只拥有了使用权限,并不意味着购买了版权,文档只能用于自身使用,不得用于其他商业用途(如 [转卖]进行直接盈利或[编辑后售卖]进行间接盈利)。
2、本站所有内容均由合作方或网友上传,本站不对文档的完整性、权威性及其观点立场正确性做任何保证或承诺!文档内容仅供研究参考,付费前请自行鉴别。
3、如文档内容存在违规,或者侵犯商业秘密、侵犯著作权等,请点击“违规举报”。

碎片内容

自流平施工组织设计

您可能关注的文档

确认删除?
VIP
微信客服
  • 扫码咨询
会员Q群
  • 会员专属群点击这里加入QQ群
客服邮箱
回到顶部