电脑桌面
添加小米粒文库到电脑桌面
安装后可以在桌面快捷访问

自清洗过滤器(急冷水过滤器、胺液过滤器)技术协议

自清洗过滤器(急冷水过滤器、胺液过滤器)技术协议_第1页
1/9
自清洗过滤器(急冷水过滤器、胺液过滤器)技术协议_第2页
2/9
自清洗过滤器(急冷水过滤器、胺液过滤器)技术协议_第3页
3/9
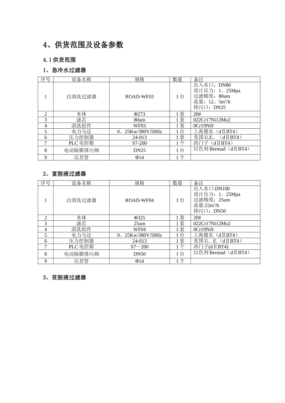
凤城市平旭石化机械密封件有限公司急冷水过滤器富胺液过滤器贫胺液过滤器技术协议书甲方:凤城市平旭石化机械密封件有限公司乙方:北京罗道环保科技有限公司 日期: 2024 年 05 月 03 日凤城市平旭石化机械密封件有限公司(以下简称甲方或需方)与北京罗道环保科技有限公司(以下简称乙方或供方)就神华煤制油急冷水过滤器、富胺液过滤器、贫胺液过滤器整套设备有关事宜,经甲、乙双方友好协商达成如下技术协议:1、 范围本标准规定了自清洗过滤器的分类与命名、技术要求、试验方法、检验规则、标志、包装、运输及贮存等。本标准适用于以上设备的制造与验收。2、 法律规范性引用文件下列文件中的条款通过本标准的引用而成为本标准的条款。凡是注日期的引用文件,其随后所有的修改单(不包括勘误的内容)或修订版均不适用于本标准,然而 ,鼓舞根据本标准达成协议的各方讨论是否使用这些文件的最新版本.凡是不注日期的引用文件,其最新版本适用于本标准。 GB/T 191 包装储运图示标志GB 700—88 碳素结构钢GB/T 1184-1996 形状和位置公差 未注公差值GB 1220-92 不锈钢GB 1497-85 低压电器基本标准GB/T 1804-2000 一般公差 未注公差的线性和角度尺寸的公差GB 2681-81 电工成套装置中的导线颜色GB 2682—1981 电工成套装置中的指示灯和按钮的颜色GB 4720-84 电控设备 第一部分 低压电器电控设备GB/T 4942.2-93 低压电器外壳防护等级GB5330—1985 工业用金属丝编制方孔筛网GB 8898—1997 电网电源供电的家用与类似一般用途的电子及有关设备的安全要求GB/T 9119—2000 平面、突面板式平焊钢制管法兰GB/T 9124—2000 钢制管法兰 技术条件GB 9126.2—88 法兰用垫片GB10612-1989 板厚<3mm 的圆孔和方孔筛板GB10613-1989 板厚≥3mm 的圆孔和方孔筛板GB/T 13306 标牌GB/T 18690.2-2024 过滤器 网式过滤器GB/T 18690。3-2024 过滤器 自动清洗网式过滤器JB/T 2932 水处理设备 技术条件JB/T 5000。3-1998 焊接件通用技术条件3 术语和定义3.1 自清洗过滤器本标准采纳的术语符合“2 法律规范性引用文件”所列标准的规定,下列术语仅适用于本标准3。1.1 自清洗过滤器指安装在管道上,通过时间或压差变化实现过滤状态、排污状态之间的自动切换,从而实现在线不停机排污清洗过滤单元的过滤器。3。1。2 公称压力过滤器运行所需的进口处的最大静水压力。3。1。3 爬电距离在两个导电部分之间沿绝缘材料表...

1、当您付费下载文档后,您只拥有了使用权限,并不意味着购买了版权,文档只能用于自身使用,不得用于其他商业用途(如 [转卖]进行直接盈利或[编辑后售卖]进行间接盈利)。
2、本站所有内容均由合作方或网友上传,本站不对文档的完整性、权威性及其观点立场正确性做任何保证或承诺!文档内容仅供研究参考,付费前请自行鉴别。
3、如文档内容存在违规,或者侵犯商业秘密、侵犯著作权等,请点击“违规举报”。

碎片内容

自清洗过滤器(急冷水过滤器、胺液过滤器)技术协议

您可能关注的文档

文旅传媒+ 关注
实名认证
内容提供者

传播文化,成就未来

确认删除?
VIP
微信客服
  • 扫码咨询
会员Q群
  • 会员专属群点击这里加入QQ群
客服邮箱
回到顶部