电脑桌面
添加小米粒文库到电脑桌面
安装后可以在桌面快捷访问

药品零售企业新版GSP认证现场检查要点

药品零售企业新版GSP认证现场检查要点_第1页
1/46
药品零售企业新版GSP认证现场检查要点_第2页
2/46
药品零售企业新版GSP认证现场检查要点_第3页
3/46
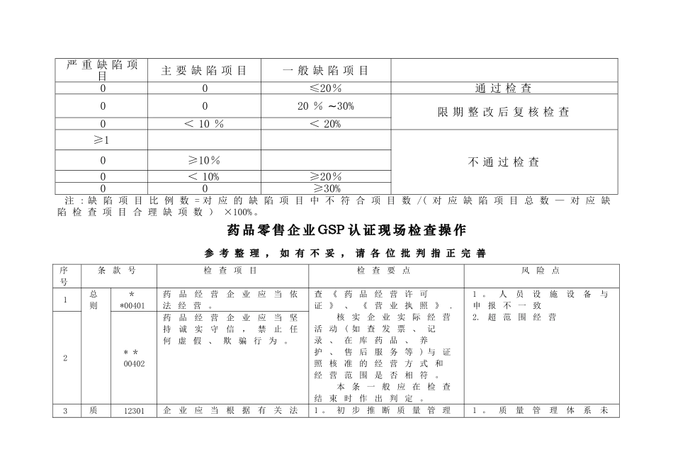
药 品 经 营 质 量 管 理 法 律 规 范 现 场 检 查 指 导 原 则说 明 一 、 为 法 律 规 范 《 药 品 经 营 质 量 管 理 法 律 规 范 》 检 查 工 作 , 确 保 检 查 工 作 质 量 ,根 据 《 药 品 经 营 质 量 管 理 法 律 规 范 》 , 制 定 《 药 品 经 营 质 量 管 理 法 律 规 范 现 场 检 查 指导 原 则 》 .二 、 应 当 根 据 本 指 导 原 则 中 包 含 的 检 查 项 目 和 所 对 应 的 附 录 检 查 内 容 , 对 药 品 经营 企 业 实 施 《 药 品 经 营 质 量 管 理 法 律 规 范 》 情 况 进 行 全 面 检 查 。三 、 根 据 本 指 导 原 则 进 行 检 查 过 程 中 , 有 关 检 查 项 目 应 当 同 时 对 比 所 对 应 的 附 录检 查 内 容 进 行 检 查 。 假 如 附 录 检 查 内 容 检 查 中 存 在 任 何 不 符 合 要 求 的 情 形 , 所 对 应 的检 查 项 目 应 当 判 定 为 不 符 合 要 求 。四 、 本 指 导 原 则 批 发 企 业 检 查 项 目 共 258 项 , 其 中 严 重 缺 陷 项 目 ( ** ) 6 项 , 主 要 缺陷 项 目 ( * ) 107 项 , 一 般 缺 陷 项 目 145 项 。本 指 导 原 则 零 售 企 业 检 查 项 目 共 180 项 , 其 中 严 重 缺 陷 项 目 (* * ) 4 项 , 主 要 缺 陷项 ( * ) 58 项 , 一 般 缺 陷 项 118 项 。五 、 药 品 零 售 连 锁 企 业 总 部 及 配 送 中 心 根 据 药 品 批 发 企 业 检 查 项 目 检 查 , 药 品 零售 连 锁 企 业 门 店 根 据 药 品 零 售 企 业 检 查 项 目 检 查 .六 、 结 果 判 定 :检 查 项 目结 果 判 定严 重 缺 陷 项目主 要 缺 陷 项 目一 般 缺 陷 项 目00≤20%通 过 检 查0020 % ~30%限 期 整 改 后 复 核 检 查0< 10 %< 20%≥1不 通 过 检 查0≥10%0< 10%≥20%00≥30%注 : 缺 陷 项 目 比 例 数 = 对 应 的 缺 陷 项 目 中 不 符 合 项 目 数 /( 对 应 缺 陷 项 目 总 数 —...

1、当您付费下载文档后,您只拥有了使用权限,并不意味着购买了版权,文档只能用于自身使用,不得用于其他商业用途(如 [转卖]进行直接盈利或[编辑后售卖]进行间接盈利)。
2、本站所有内容均由合作方或网友上传,本站不对文档的完整性、权威性及其观点立场正确性做任何保证或承诺!文档内容仅供研究参考,付费前请自行鉴别。
3、如文档内容存在违规,或者侵犯商业秘密、侵犯著作权等,请点击“违规举报”。

碎片内容

药品零售企业新版GSP认证现场检查要点

范哲铺+ 关注
实名认证
内容提供者

想你所想,急你所急,你需要的都在店铺里可以找到。

确认删除?
VIP
微信客服
  • 扫码咨询
会员Q群
  • 会员专属群点击这里加入QQ群
客服邮箱
回到顶部