电脑桌面
添加小米粒文库到电脑桌面
安装后可以在桌面快捷访问

蓄热式直接燃烧废气处理及供热方案

蓄热式直接燃烧废气处理及供热方案_第1页
1/9
蓄热式直接燃烧废气处理及供热方案_第2页
2/9
蓄热式直接燃烧废气处理及供热方案_第3页
3/9
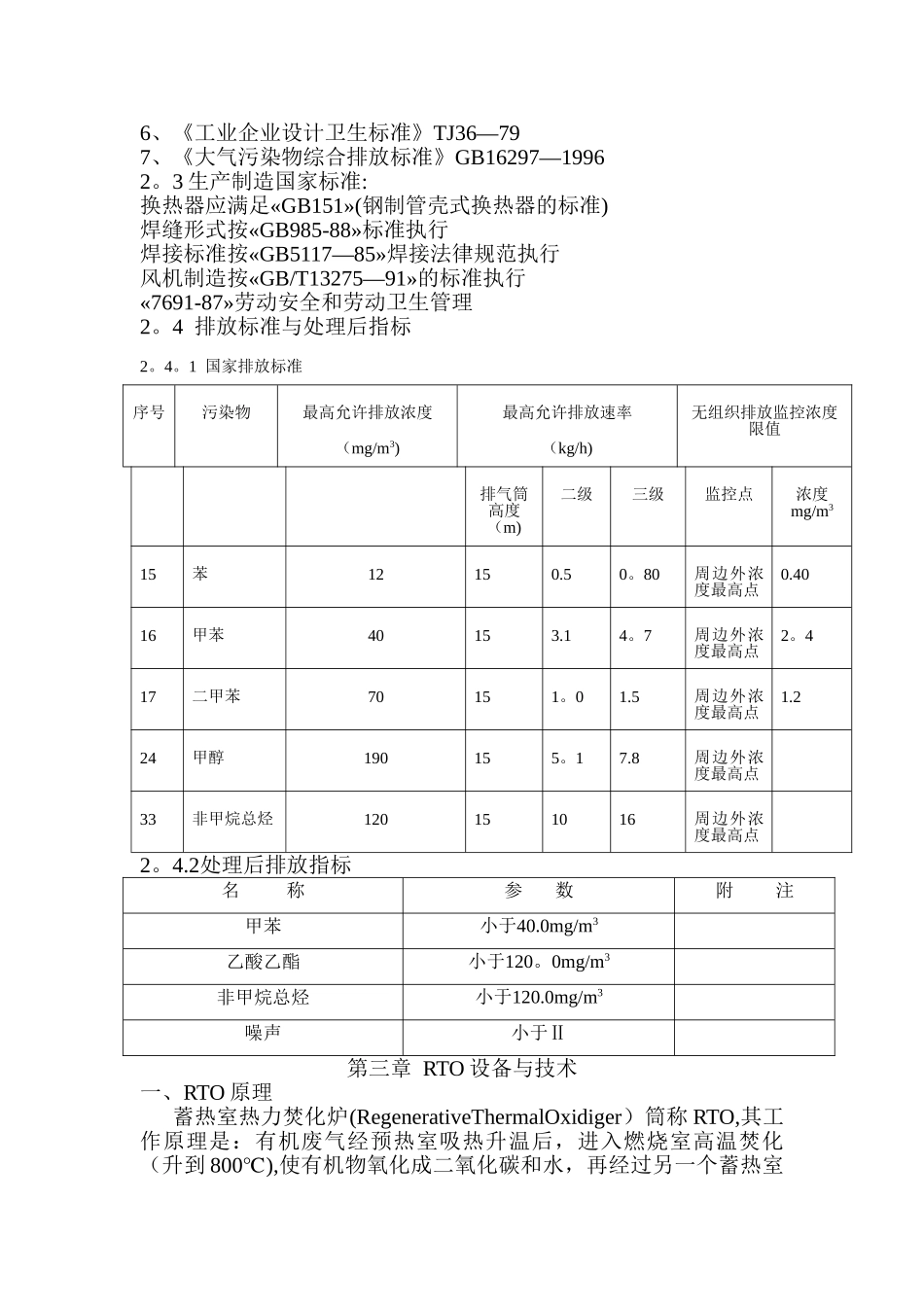
蓄热式直接燃烧废气处理及供热方案第一章 主要参数及计算1。1、基本参数铝箔厚度:0.17~0.48mm宽度:1600mm线速度:22-36m/min底漆烘箱长度:26m加热段:3 段温度点:190℃、190℃、100℃循环风机:3 台、5。5kw面漆烘箱长度:37m加热段:4 段温度点:120℃、246℃、250℃、100℃循环风机:3 台、5.5kw干膜:8~14μ干湿膜比:1:45%1。2、溶剂量计算1、计算条件:1:线速度:30m/min 2:板材宽度:1600 3:涂层厚度:干膜 8—14μ 4:干湿膜比:1:45% 5:湿膜:18~31.5根据涂料干、湿体积比例确定可挥发溶剂量,则可挥发溶剂量体积为:1-45%=55%2、板宽为 1600 时每小时溶剂用量计算干膜:8μ 时,湿膜:20μ总涂料量(湿膜)每小时体积:1。6×30m/min×60min×20÷106=0.0576m3/h总溶剂量每小时体积:0.0576m3/h×55%=0.03168 m3/h总溶剂量每小时质量:(按 0。85 计算) 0。03168 m3/h×0。85=0。024T/h=27.9kg/h3、若干膜厚度为 14μ 则总溶剂量为:48.8kg/h1。3、固化烘箱所需排风量计算按烘箱开口面积计算;开口面积:开口高 300×宽 2000×2=1。2m2按 2m/s 计算:2×1.2×3600=8640m3/h按废气浓度计算:按最多溶剂量:48。8kg/h÷0.008=6100 m3/h按循环风量计算烘箱体积:37×1。9×1。4=98m3换气次数:20 次/每分钟总循环风量:117600m3/h排风量:11760m3/h取:10000m3/h底漆、面漆箔铝线废气设备处理量为 20000m3/h1。4、固化烘箱能耗计算 δ:0。48,W=1600 考核 烘箱尺寸:长 37000,宽 1900,高 1400最高炉温:280℃,炉温保证带温 250℃.(1):烘箱空气从 20℃升温到 280℃所需热量98×0.31×260=7899kcal(2):正常运行所需热量A:烘箱散热:(环境温度 20℃),12400kcal/hB:板材带走热量(估算从 60℃加热到 250℃):148926kcal/h C:溶剂汽化热(按甲苯 94.3cal/g):3961kcal/h D: 废气排放热量:(室温 20℃、排气温度:140℃计算)372000kcal/h 正常运行时总能耗:537287kcal/h设定供热量:550,000kcal/h供热换热器换热能力:1,100,000kcal/h1.5、浓度估算最小浓度:计算条件以底漆为例处理风量:10000m3/h溶剂量:27.9kg/h则浓度:2790mg/m3最高浓度:计算条件以底漆为例处理风量:10000m3/h溶剂量:48.8kg/h则浓度:4800mg/m3第二章 设计依据、法律规范和排放标准2。1 设计依据1、《中华人民共和国大气污染防治法》2、《中华人民共和国计量法实施细则》3、《中华人民共和国环境噪声...

1、当您付费下载文档后,您只拥有了使用权限,并不意味着购买了版权,文档只能用于自身使用,不得用于其他商业用途(如 [转卖]进行直接盈利或[编辑后售卖]进行间接盈利)。
2、本站所有内容均由合作方或网友上传,本站不对文档的完整性、权威性及其观点立场正确性做任何保证或承诺!文档内容仅供研究参考,付费前请自行鉴别。
3、如文档内容存在违规,或者侵犯商业秘密、侵犯著作权等,请点击“违规举报”。

碎片内容

蓄热式直接燃烧废气处理及供热方案

文旅传媒+ 关注
实名认证
内容提供者

传播文化,成就未来

相关文档

确认删除?
VIP
微信客服
  • 扫码咨询
会员Q群
  • 会员专属群点击这里加入QQ群
客服邮箱
回到顶部