电脑桌面
添加小米粒文库到电脑桌面
安装后可以在桌面快捷访问

给排水系统改造项目工程概况

给排水系统改造项目工程概况_第1页
1/10
给排水系统改造项目工程概况_第2页
2/10
给排水系统改造项目工程概况_第3页
3/10
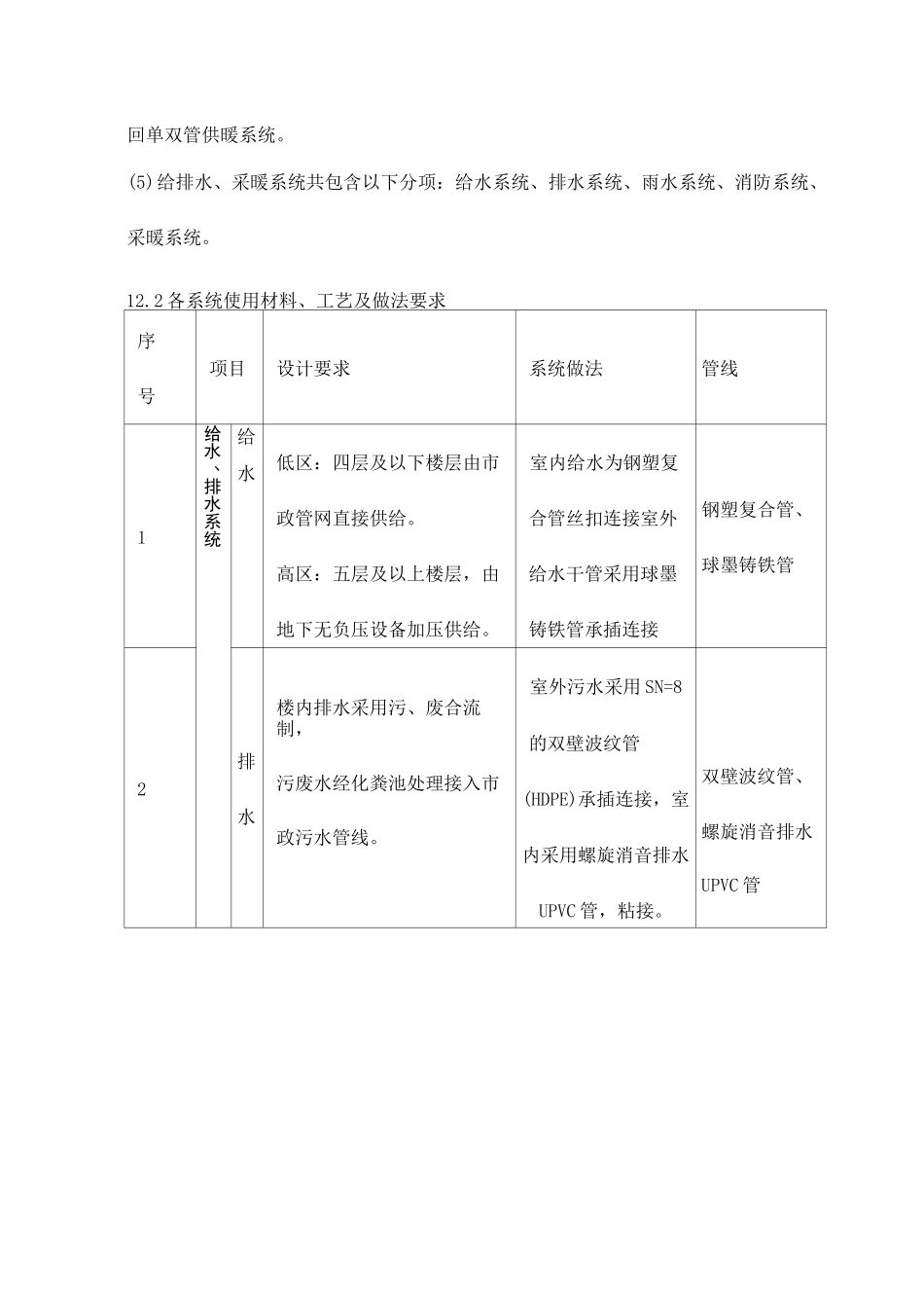
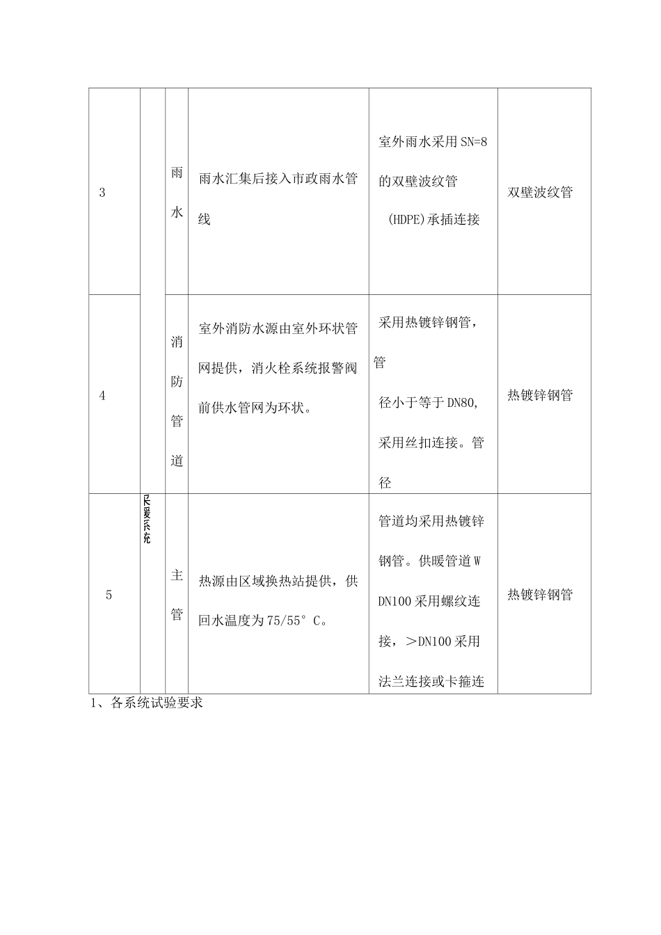
第一小节给排水系统改造工程概况1 工程概况1、本项目为 2014 年国资委建材机关服务中心海淀区老旧小区综合整治项目-定慧寺小区。位置于本市海淀区。11#、16#楼为地上 16 层,地下 2 层,30#楼为地上 6 层,地下一层,均为二类居住建筑。本项目本体改造为 3 栋住宅单体,总建筑面积 23873.8 平方米。(1)改造内容:1)更换楼内给排水立管,更换消火栓箱。2)更换地下公共卫生间洁具,管道。3)采暖系统干管(散热器不在改造范围内)、立管及支管更换,地下人防设备、排烟风机更换。4)给排水外线系统,包括重建化粪池,给排水、消防管道及雨水管道的更换,增加雨水口。(2)本工程给水系统分为两个区,地下二层到地上四层为低区,低区用水量由市政直接供水。五层到十七层为高区。高区的用水由地下无负压设备加压后提供。最高日用水量 246.00m3,由各户水表计量。各点的供水压力不大于 0.2MPa。(3)本工程采用污废水合流方式,排水量为 233.70m3,污废水出室外经化粪池处理后排入市政管。(4)本工程采暖热源由区域换热站提供,供回水温度为 75/55°C。采暖采用上供下回单双管供暖系统。(5)给排水、采暖系统共包含以下分项:给水系统、排水系统、雨水系统、消防系统、采暖系统。12.2 各系统使用材料、工艺及做法要求序号项目设计要求系统做法管线1给水、排水系统给水低区:四层及以下楼层由市政管网直接供给。高区:五层及以上楼层,由地下无负压设备加压供给。室内给水为钢塑复合管丝扣连接室外给水干管采用球墨铸铁管承插连接钢塑复合管、球墨铸铁管2排水楼内排水采用污、废合流制,污废水经化粪池处理接入市政污水管线。室外污水采用 SN=8的双壁波纹管(HDPE)承插连接,室内采用螺旋消音排水UPVC 管,粘接。双壁波纹管、螺旋消音排水UPVC 管3雨水雨水汇集后接入市政雨水管线室外雨水采用 SN=8的双壁波纹管(HDPE)承插连接双壁波纹管4消防管道室外消防水源由室外环状管网提供,消火栓系统报警阀前供水管网为环状。采用热镀锌钢管,管径小于等于 DN80,采用丝扣连接。管径热镀锌钢管5采暖系统主管热源由区域换热站提供,供回水温度为 75/55°C。管道均采用热镀锌钢管。供暖管道 WDN100 采用螺纹连接,>DN100 采用法兰连接或卡箍连热镀锌钢管1、各系统试验要求系统名称试验类别给水排水消防采暖压力试验0.9Mpa/1.4Mpa0.9Mpa灌水试验/每层灌水无渗漏//冲洗试验达到饮用水标准/达到水色清澈水色清澈无杂质通球试验/100%通球...

1、当您付费下载文档后,您只拥有了使用权限,并不意味着购买了版权,文档只能用于自身使用,不得用于其他商业用途(如 [转卖]进行直接盈利或[编辑后售卖]进行间接盈利)。
2、本站所有内容均由合作方或网友上传,本站不对文档的完整性、权威性及其观点立场正确性做任何保证或承诺!文档内容仅供研究参考,付费前请自行鉴别。
3、如文档内容存在违规,或者侵犯商业秘密、侵犯著作权等,请点击“违规举报”。

碎片内容

给排水系统改造项目工程概况

您可能关注的文档

wxg+ 关注
实名认证
内容提供者

该用户很懒,什么也没介绍

确认删除?
VIP
微信客服
  • 扫码咨询
会员Q群
  • 会员专属群点击这里加入QQ群
客服邮箱
回到顶部