电脑桌面
添加小米粒文库到电脑桌面
安装后可以在桌面快捷访问

行车工岗位培训手册

行车工岗位培训手册_第1页
1/21
行车工岗位培训手册_第2页
2/21
行车工岗位培训手册_第3页
3/21
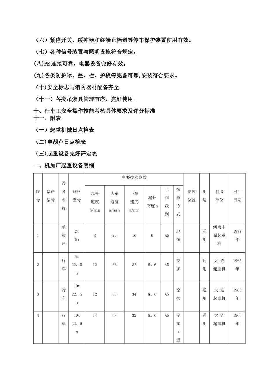
行车工岗位培训手册目 录一、机加厂起重设备明细二、桥式起重机操作者应具备以下要求:三、双梁桥式起重机基本知识(一)组成: (二)主要技术性能参数:(三)构造: (四)起重机的主要零部件:(五)桥式起重机的传动原理:四、基本操作规定(一)对行车工操作的基本要求 (二)在操作中应注意的安全事项 五、桥式行车交接班检查要求六、桥式行车操作规程七、机加厂行车工行为指南 八、机加厂遥控器操作规程及管理办法 (一)具体内容: (二)处罚规定九、桥式起重机安全性评价标准 (一)钢丝绳的断丝数、腐蚀与磨损量、变形量、使用长度和固定状态等应符合国际规定.(二)滑轮与护罩完好,转动灵活。(三)吊钩等取物装置无裂纹、明显变形或磨损超标等缺陷,紧固装置完好。(四)制动器工作可靠,磨损件无超标使用,安装与制动力矩符合要求。(五)各类行程限位、限量开关与联锁保护装置完好可靠。(六)紧停开关、缓冲器和终端止档器等停车保护装置使用有效。(七)各种信号装置与照明设施符合规定。(八)PE 连接可靠,电器设备完好有效。(九)各类防护罩、盖、栏、护板等完备可靠,安装符合要求。(十)安全标志与消防器材配备齐全.(十一)各类吊索具管理有序,完好使用。十、行车工安全操作技能考核具体要求及评分标准十一、附表(一)起重机械日点检表(二)电葫芦日点检表(三)起重设备完好评定表一、机加厂起重设备明细序号资产编号设备名称规格型号主要技术参数安装 位置用途制造 单位出厂 日期起升速度m/min大车速度m/min小车速度m/min起升高度 m工作级别操作方式1单梁吊2t 6m820166A5地操通用河南中原起重机1977年2行车5t 22。5m1268328。6A5空操通用大 连 起重机1965年3行车10t 22。5m1268348。6A5空操通用大 连 起重机1965年4行车10t 22。5m1468328。6A5空操+遥通用大 连 起重机1965年控5行车15t/3t 22。5m12/1667。532。38.6A5空操+遥控通用大 连 起重机1965年6行车30t/5t 22.5m7。58/2074428.5A5空操通用大 连 起重机1977年行车50/10t 22。5m8/1669418.5A5空操通用大 连 起重机1976年二、桥式起重机操作者应具备以下要求:操作者必须严格遵守安全技术操作规程,并对自己所操纵的起重机做到全面了解其性能、结构、工作原理,并熟练掌握其操作方法和技巧。要严格根据交接班程序对设备进行检查、保养和记录,发现问题要及时反馈维修部门通知维修。1、操作者必须身体健康,年满 18 周岁,视力(包括矫正视力)...

1、当您付费下载文档后,您只拥有了使用权限,并不意味着购买了版权,文档只能用于自身使用,不得用于其他商业用途(如 [转卖]进行直接盈利或[编辑后售卖]进行间接盈利)。
2、本站所有内容均由合作方或网友上传,本站不对文档的完整性、权威性及其观点立场正确性做任何保证或承诺!文档内容仅供研究参考,付费前请自行鉴别。
3、如文档内容存在违规,或者侵犯商业秘密、侵犯著作权等,请点击“违规举报”。

碎片内容

行车工岗位培训手册

您可能关注的文档

确认删除?
VIP
微信客服
  • 扫码咨询
会员Q群
  • 会员专属群点击这里加入QQ群
客服邮箱
回到顶部