电脑桌面
添加小米粒文库到电脑桌面
安装后可以在桌面快捷访问

表4--施工总平面布置图及临时用地表多种

表4--施工总平面布置图及临时用地表多种_第1页
1/1
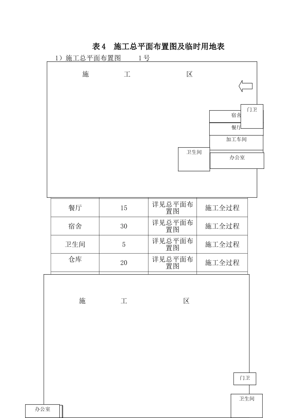
表 4 施工总平面布置图及临时用地表1)施工总平面布置图 1 号施工区 2)临时用地表注:(1)投标人应逐项填写本表,指出全部临时设施用地面积以及详细用途.(2)若本表不够,可加附页.2 号用途面积(平方米)位置需用时间办公室10详见总平面布置图施工全过程餐厅15详见总平面布置图施工全过程宿舍30详见总平面布置图施工全过程卫生间5详见总平面布置图施工全过程仓库20详见总平面布置图施工全过程加工车间20详见总平面布置图施工全过程门卫10详见总平面布置图施工全过程合计110施 工 区 设备及仓库加工车间宿舍餐厅办公室卫生间门卫 施 工 区 门卫宿舍餐厅加工车间设备及仓库办公室卫生间

1、当您付费下载文档后,您只拥有了使用权限,并不意味着购买了版权,文档只能用于自身使用,不得用于其他商业用途(如 [转卖]进行直接盈利或[编辑后售卖]进行间接盈利)。
2、本站所有内容均由合作方或网友上传,本站不对文档的完整性、权威性及其观点立场正确性做任何保证或承诺!文档内容仅供研究参考,付费前请自行鉴别。
3、如文档内容存在违规,或者侵犯商业秘密、侵犯著作权等,请点击“违规举报”。

碎片内容

表4--施工总平面布置图及临时用地表多种

您可能关注的文档

确认删除?
VIP
微信客服
  • 扫码咨询
会员Q群
  • 会员专属群点击这里加入QQ群
客服邮箱
回到顶部