电脑桌面
添加小米粒文库到电脑桌面
安装后可以在桌面快捷访问

表—液化石油气的理化性质及危险特性表

表—液化石油气的理化性质及危险特性表_第1页
1/1
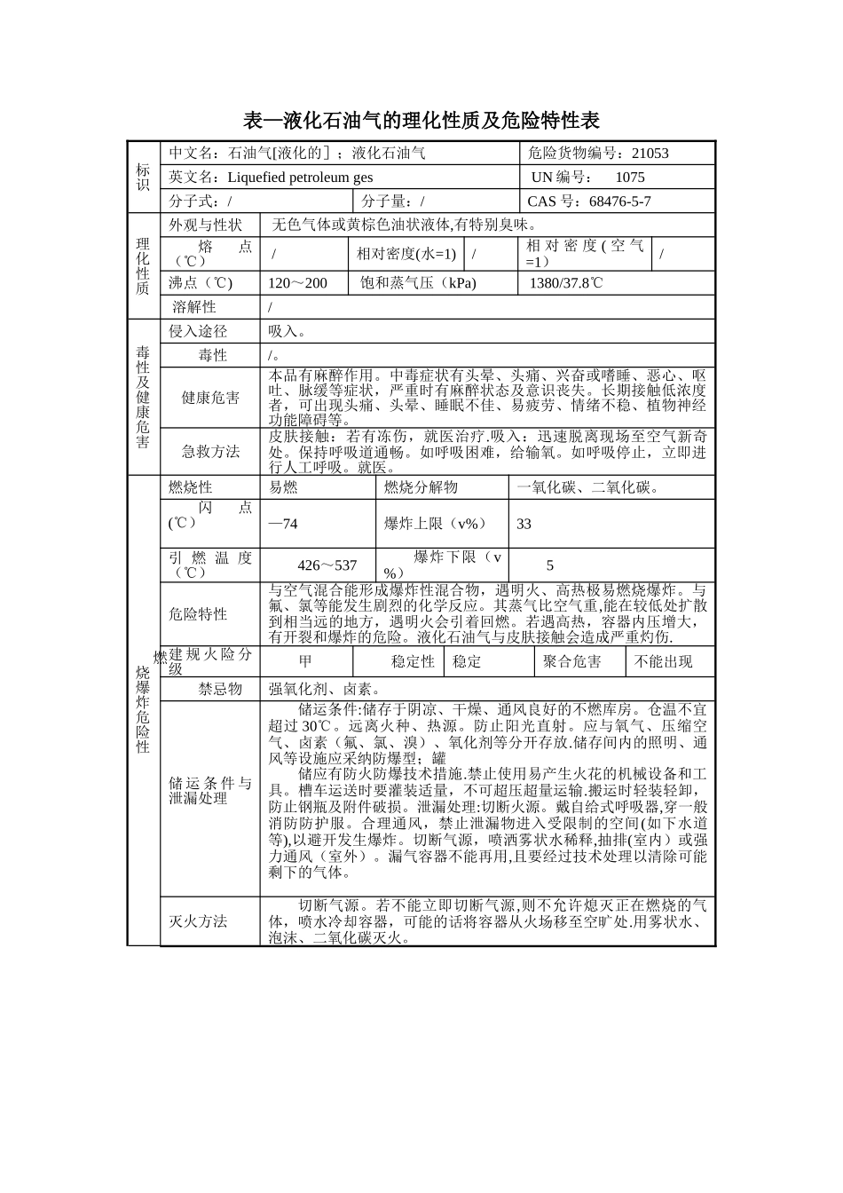
表—液化石油气的理化性质及危险特性表标识中文名:石油气[液化的];液化石油气危险货物编号:21053英文名:Liquefied petroleum ges UN 编号: 1075分子式:/ 分子量:/CAS 号:68476-5-7 理化性质外观与性状 无色气体或黄棕色油状液体,有特别臭味。熔点(℃) / 相对密度(水=1) /相 对 密 度 ( 空 气=1) /沸点(℃) 120~200 饱和蒸气压(kPa) 1380/37.8℃ 溶解性/毒性及健康危害侵入途径 吸入。毒性 /。健康危害本品有麻醉作用。中毒症状有头晕、头痛、兴奋或嗜睡、恶心、呕吐、脉缓等症状,严重时有麻醉状态及意识丧失。长期接触低浓度者,可出现头痛、头晕、睡眠不佳、易疲劳、情绪不稳、植物神经功能障碍等。 急救方法皮肤接触:若有冻伤,就医治疗.吸入:迅速脱离现场至空气新奇处。保持呼吸道通畅。如呼吸困难,给输氧。如呼吸停止,立即进行人工呼吸。就医。 燃烧爆炸危险性 燃烧性 易燃 燃烧分解物一氧化碳、二氧化碳。闪点(℃) —74爆炸上限(v%)33 引 燃 温 度(℃) 426~537 爆炸下限(v%) 5 危险特性与空气混合能形成爆炸性混合物,遇明火、高热极易燃烧爆炸。与氟、氯等能发生剧烈的化学反应。其蒸气比空气重,能在较低处扩散到相当远的地方,遇明火会引着回燃。若遇高热,容器内压增大,有开裂和爆炸的危险。液化石油气与皮肤接触会造成严重灼伤. 建 规 火 险 分级 甲 稳定性 稳定聚合危害不能出现 禁忌物 强氧化剂、卤素。储 运 条 件 与泄漏处理储运条件:储存于阴凉、干燥、通风良好的不燃库房。仓温不宜超过 30℃。远离火种、热源。防止阳光直射。应与氧气、压缩空气、卤素(氟、氯、溴)、氧化剂等分开存放.储存间内的照明、通风等设施应采纳防爆型;罐储应有防火防爆技术措施.禁止使用易产生火花的机械设备和工具。槽车运送时要灌装适量,不可超压超量运输.搬运时轻装轻卸,防止钢瓶及附件破损。泄漏处理:切断火源。戴自给式呼吸器,穿一般消防防护服。合理通风,禁止泄漏物进入受限制的空间(如下水道等),以避开发生爆炸。切断气源,喷洒雾状水稀释,抽排(室内)或强力通风(室外)。漏气容器不能再用,且要经过技术处理以清除可能剩下的气体。 灭火方法切断气源。若不能立即切断气源,则不允许熄灭正在燃烧的气体,喷水冷却容器,可能的话将容器从火场移至空旷处.用雾状水、泡沫、二氧化碳灭火。

1、当您付费下载文档后,您只拥有了使用权限,并不意味着购买了版权,文档只能用于自身使用,不得用于其他商业用途(如 [转卖]进行直接盈利或[编辑后售卖]进行间接盈利)。
2、本站所有内容均由合作方或网友上传,本站不对文档的完整性、权威性及其观点立场正确性做任何保证或承诺!文档内容仅供研究参考,付费前请自行鉴别。
3、如文档内容存在违规,或者侵犯商业秘密、侵犯著作权等,请点击“违规举报”。

碎片内容

表—液化石油气的理化性质及危险特性表

您可能关注的文档

范哲铺+ 关注
实名认证
内容提供者

想你所想,急你所急,你需要的都在店铺里可以找到。

确认删除?
VIP
微信客服
  • 扫码咨询
会员Q群
  • 会员专属群点击这里加入QQ群
客服邮箱
回到顶部