电脑桌面
添加小米粒文库到电脑桌面
安装后可以在桌面快捷访问

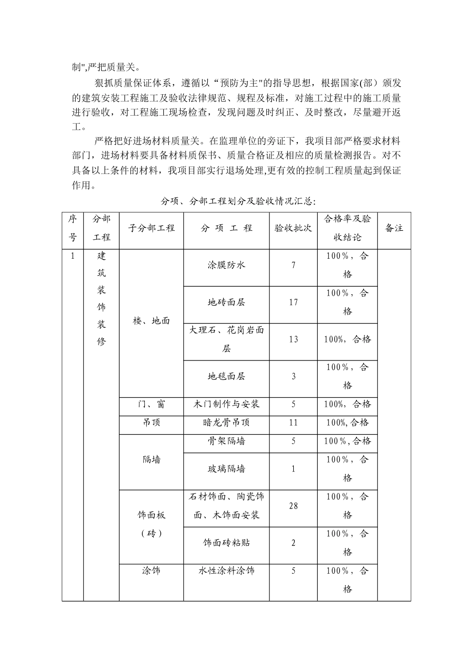
装饰工程竣工验收总结

装饰工程竣工验收总结_第1页
1/5
装饰工程竣工验收总结_第2页
2/5
装饰工程竣工验收总结_第3页
3/5
XXXXXXXXXX 室内装饰工程竣 工 总 结XXXXXXX 装饰工程有限公司室内装饰竣工总结一、工程概况XXXXXXX 位于 XXXXXXXX,毗邻轻轨 S7 号线,建筑面积 7。3 万平方,地下两层,面积 3。1 万平方,主要是停车和餐厅;地上主楼 8 层、裙楼 4 层,面积 4.2 万平方,主要是市民客厅、行政服务窗口、公共资源交易、文化旅游展示及城市规划展览等功能。工程名称:XXXXXXXX 装饰装修工程建设地点:XXXXXXXXXXXXXXXX建设单位:XXXXXXXXXXXXXXXXX设计单位:XXXXXXXXXXXXXXXXXXXXXX招标代理:XXXXXXXXXXXXXXXXXXXXXXXXXX监理单位:XXXXXXXXXXXXXXXXXXXXX审计单位:XXXXXXXXXXXXXXXXXXXXXX施工单位:XXXXXXXXXXXXXXXXXXXX 装饰工程有限公司二、施工范围及控制目标室内装修:楼地面主要为拼花大理石地面,防滑地砖(卫生间防水基层处理),玻化砖地面,PVC 地面,静电地板(机房),块毯地面等,柱墙面主要有大理石墙面,玻化砖墙面,木饰面墙面,吸音板墙面,瓦楞铝板墙面,铝塑板墙面,钢板墙面,玻璃隔断墙面,烤漆玻璃墙面,银镜墙面,墙纸墙面,乳胶漆墙面,不锈钢门套等,顶面有纸面石膏板顶,木饰面顶,铝方板顶,微孔铝板顶,铝格栅顶,铝挂片顶,灯膜顶,黑色不锈钢顶,乳胶漆顶面等,细部有窗帘盒(白色乳胶漆),中庭玻璃栏杆,楼梯间不锈钢栏杆,成品木饰面门,钢化玻璃门等。公共区域照明安装、墙面插座安装,墙面开关面板安装,小卫生间给水安装,排水安装等。本工程装饰标准较高,使用的材料均符合有关消防及环保要求,环境检测符合国家规定。三、施工依据 招标文件,施工图纸,合同及各类施工法律规范要求等。四、施工单位的人员配备及人员的组织因本工程工期紧迫及建设单位要求等实际情况,为了确保工程质量和工程进度顺利进展,我们首先将编制了《施工组织设计》、《施工总进度计划》、《现场临时用电方案》等,保证工程工期和工程质量.针对工程的需要,项目经理负责制,在各个不同的施工阶段对现场施工人员进行了合理的调配,根据工程进展情况,适当地配备各个专业的管理人员和施工以满足工程需要。参加本工程施工的工程技术人员有共 10 余人,其中国家建造师 4 人.五、工程进度各专业施工时间:XXXX 年 XX 月,XXXXX 装饰工程有限公司开始内装饰施工,2024 年 7 月底施工完成。施工单位名称及承担的工程项目如下:序号施工单位施工负责人承担的工程项目内容备 注1XXXXXX 装饰工程有限公司XXX1-5 层装修工程及水电安装,包括包...

1、当您付费下载文档后,您只拥有了使用权限,并不意味着购买了版权,文档只能用于自身使用,不得用于其他商业用途(如 [转卖]进行直接盈利或[编辑后售卖]进行间接盈利)。
2、本站所有内容均由合作方或网友上传,本站不对文档的完整性、权威性及其观点立场正确性做任何保证或承诺!文档内容仅供研究参考,付费前请自行鉴别。
3、如文档内容存在违规,或者侵犯商业秘密、侵犯著作权等,请点击“违规举报”。

碎片内容

装饰工程竣工验收总结

您可能关注的文档

确认删除?
VIP
微信客服
  • 扫码咨询
会员Q群
  • 会员专属群点击这里加入QQ群
客服邮箱
回到顶部