电脑桌面
添加小米粒文库到电脑桌面
安装后可以在桌面快捷访问

装饰装修专项方案

装饰装修专项方案_第1页
1/15
装饰装修专项方案_第2页
2/15
装饰装修专项方案_第3页
3/15
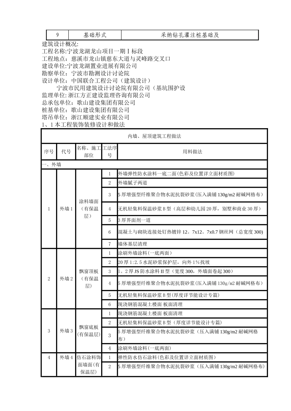
龙湖香醍漫步一期一标段工程装饰装修专项施工方案编制人: 审核人: 审批人: 歌山建设集团有限公司龙山项目部目 录一、编制依据……………………………………………………………2二、执行标准……………………………………………………………2三、工程概况……………………………………………………………2四、装修施工前提条件…………………………………………………10五、 主要施工机械表………………………………………………….12六、 主要项目施工工艺………………………………………………。13(一)、内外墙粉刷…………………………………… … …………。13(二)、内外墙腻子及涂料……………………………… … ……….。14(三)、文化石………………………………………… ……… ………15(四)、地坪………………………………………………………17(五)、门窗………………………………………………………20一、编制依据 1、本工程的图纸、图纸会审纪要及相关设计更改联系单。2、现行施工验收法律规范与质量评定标准。3、我公司质量手册及有关施工质量、安全生产、技术管理、文明现场等文件.二、执行标准 建筑工程施工质量验收统一标准(GB50300—2001)建筑地面工程施工质量验收法律规范(GB50209-2024)建筑装饰装修工程施工质量验收法律规范(GB50210-2001)建筑给水排水与采暖工程施工质量验收法律规范(GB50242—2024)建筑施工安全检查标准 JGJ59—99建筑施工扣件式钢管脚手架安全技术规程 JGJ130—2001建筑机械使用安全技术规程 JGJ33—2001施工现场临时用电安全技术法律规范 JGJ46-2024《自动喷水灭火系统施工及验收法律规范》 GB50261—2024《火灾自动报警系统施工及验收法律规范》 GB50166—2024建设项目环境保护法律规范(国务院令第 253 号)建设工程施工现场管理规定(建设部令第 15 号)城市车辆清洗管理规定(建设部令第 47 号)劳动防护用品管理规定建筑施工场界噪声限值(GB12513—90)三、工程概况 本工程地块用地面积 82450 平方米,规划总建筑面积 70719。9 平方米,Ⅰ 标段为19#、23#、25#、26#、27#、28# 、 29# 、 30# 、 31# 、 32# 、 33# 、 35# 、 36# 、 37# 、 38# 、 39 # 、 40#、41#、42#、43#、45#楼,设计包括 18 栋低层住宅、3 栋高层住宅地下室等。高层区 42#楼占地面积 427.13 平方米,43#+45#占地面积 888.58 平方米,多层区...

1、当您付费下载文档后,您只拥有了使用权限,并不意味着购买了版权,文档只能用于自身使用,不得用于其他商业用途(如 [转卖]进行直接盈利或[编辑后售卖]进行间接盈利)。
2、本站所有内容均由合作方或网友上传,本站不对文档的完整性、权威性及其观点立场正确性做任何保证或承诺!文档内容仅供研究参考,付费前请自行鉴别。
3、如文档内容存在违规,或者侵犯商业秘密、侵犯著作权等,请点击“违规举报”。

碎片内容

装饰装修专项方案

文旅传媒+ 关注
实名认证
内容提供者

传播文化,成就未来

确认删除?
VIP
微信客服
  • 扫码咨询
会员Q群
  • 会员专属群点击这里加入QQ群
客服邮箱
回到顶部