电脑桌面
添加小米粒文库到电脑桌面
安装后可以在桌面快捷访问

计算机系统集成竣工验收文档模板

计算机系统集成竣工验收文档模板_第1页
1/57
计算机系统集成竣工验收文档模板_第2页
2/57
计算机系统集成竣工验收文档模板_第3页
3/57
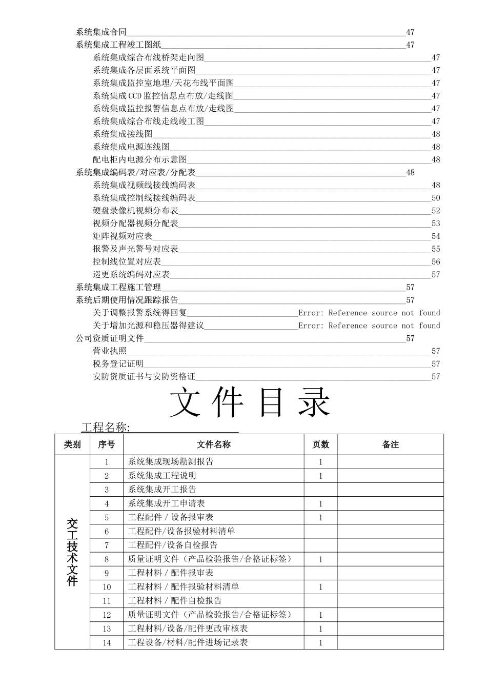
目 录交工技术文件__________________________________________________7系统集成现场勘测报告系统集成现场勘测报告______________________________________________________________________________________________________________________77系统集成工程说明系统集成工程说明______________________________________________________________________________________________________________________________88系统集成开工报告系统集成开工报告______________________________________________________________________________________________________________________________88系统集成开工申请表系统集成开工申请表__________________________________________________________________________________________________________________________99工程配件/设备报审表工程配件/设备报审表____________________________________________________________________________________________________________________1010工程配件工程配件//设备报验材料清单设备报验材料清单__________________________________________________________________________________________________________1010工程配件工程配件//设备自检报告设备自检报告__________________________________________________________________________________________________________________1111质量证明文件(产品检验报告质量证明文件(产品检验报告//合格证标签)合格证标签)______________________________________________________________________________1212工程编号:系统集成工程验收报告类 别 竣工文档 编制单位 编制日期 保管期限 密 级 工程材料/配件报审表工程材料/配件报审表____________________________________________________________________________________________________________________1212工程材料/配件报验材料清单工程材料/配件报验材料清单____________________________________________________________________________________________________1212··工程材料/配件自检报告工程材料/配件自检报告________________________________________________________________________________________________________________1313质量证明文件(产品检验报告质量证明文件(产品检验报告//合格证标签)合格证标签)____...

1、当您付费下载文档后,您只拥有了使用权限,并不意味着购买了版权,文档只能用于自身使用,不得用于其他商业用途(如 [转卖]进行直接盈利或[编辑后售卖]进行间接盈利)。
2、本站所有内容均由合作方或网友上传,本站不对文档的完整性、权威性及其观点立场正确性做任何保证或承诺!文档内容仅供研究参考,付费前请自行鉴别。
3、如文档内容存在违规,或者侵犯商业秘密、侵犯著作权等,请点击“违规举报”。

碎片内容

计算机系统集成竣工验收文档模板

确认删除?
VIP
微信客服
  • 扫码咨询
会员Q群
  • 会员专属群点击这里加入QQ群
客服邮箱
回到顶部