电脑桌面
添加小米粒文库到电脑桌面
安装后可以在桌面快捷访问

10kV电力电缆试验报告

10kV电力电缆试验报告_第1页
1/9
10kV电力电缆试验报告_第2页
2/9
10kV电力电缆试验报告_第3页
3/9
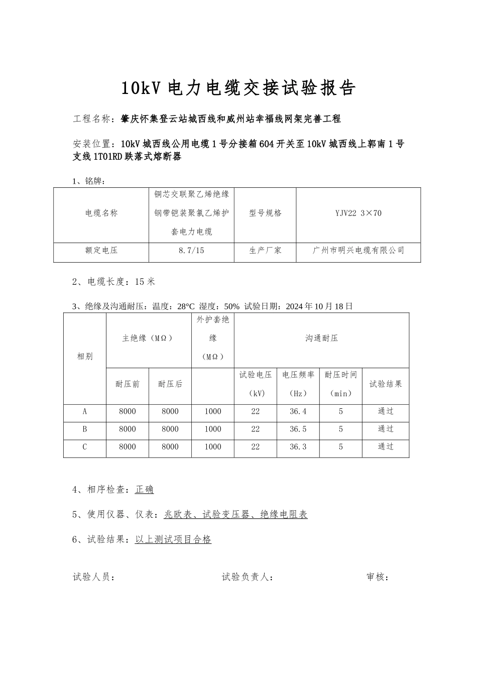
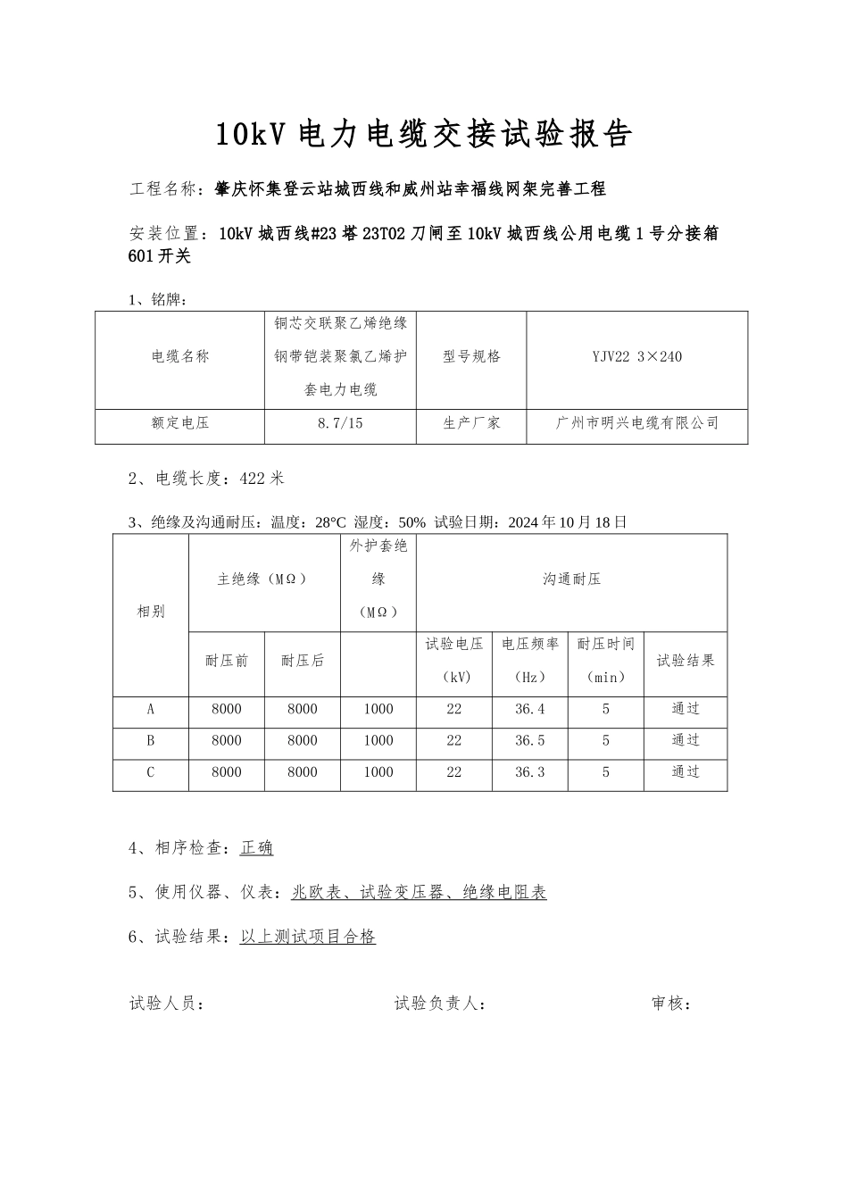
10kV 电力电缆交接试验报告工程名称:肇庆怀集登云站城西线和威州站幸福线网架完善工程安装位置:10kV 城西线#23 塔 23T02 刀闸至 10kV 城西线公用电缆 1 号分接箱601 开关1、铭牌:电缆名称铜芯交联聚乙烯绝缘钢带铠装聚氯乙烯护套电力电缆型号规格YJV22 3×240额定电压8.7/15生产厂家广州市明兴电缆有限公司2、电缆长度:422 米3、绝缘及沟通耐压:温度:28°C 湿度:50% 试验日期:2024 年 10 月 18 日相别主绝缘(MΩ)外护套绝缘(MΩ)沟通耐压耐压前耐压后试验电压(kV)电压频率(Hz)耐压时间(min)试验结果A8000800010002236.45通过B8000800010002236.55通过C8000800010002236.35通过4、相序检查:正确 5、使用仪器、仪表:兆欧表、试验变压器、绝缘电阻表 6、试验结果:以上测试项目合格 试验人员: 试验负责人: 审核:10kV 电力电缆交接试验报告工程名称:肇庆怀集登云站城西线和威州站幸福线网架完善工程安装位置:10kV 城西线公用电缆 1 号分接箱 604 开关至 10kV 城西线上郭南 1 号支线 1T01RD 跌落式熔断器1、铭牌:电缆名称铜芯交联聚乙烯绝缘钢带铠装聚氯乙烯护套电力电缆型号规格YJV22 3×70额定电压8.7/15生产厂家广州市明兴电缆有限公司2、电缆长度:15 米3、绝缘及沟通耐压:温度:28°C 湿度:50% 试验日期:2024 年 10 月 18 日相别主绝缘(MΩ)外护套绝缘(MΩ)沟通耐压耐压前耐压后试验电压(kV)电压频率(Hz)耐压时间(min)试验结果A8000800010002236.45通过B8000800010002236.55通过C8000800010002236.35通过4、相序检查:正确 5、使用仪器、仪表:兆欧表、试验变压器、绝缘电阻表 6、试验结果:以上测试项目合格 试验人员: 试验负责人: 审核:10kV 电力电缆交接试验报告工程名称:肇庆怀集登云站城西线和威州站幸福线网架完善工程安装位置:10kV 城西线公用电缆 1 号分接箱 603 开关至 10kV 城西线公用电缆 2号分接箱 601 开关1、铭牌:电缆名称铜芯交联聚乙烯绝缘钢带铠装聚氯乙烯护套电力电缆型号规格YJV22 3×240额定电压8.7/15生产厂家广州市明兴电缆有限公司2、电缆长度:232 米3、绝缘及沟通耐压:温度:28°C 湿度:50% 试验日期:2024 年 10 月 28 日相别主绝缘(MΩ)外护套绝缘(MΩ)沟通耐压耐压前耐压后试验电压(kV)电压频率(Hz)耐压时间(min)试验结果A8000800010002236.45通过B8000800010002236.55通过C8000800010...

1、当您付费下载文档后,您只拥有了使用权限,并不意味着购买了版权,文档只能用于自身使用,不得用于其他商业用途(如 [转卖]进行直接盈利或[编辑后售卖]进行间接盈利)。
2、本站所有内容均由合作方或网友上传,本站不对文档的完整性、权威性及其观点立场正确性做任何保证或承诺!文档内容仅供研究参考,付费前请自行鉴别。
3、如文档内容存在违规,或者侵犯商业秘密、侵犯著作权等,请点击“违规举报”。

碎片内容

10kV电力电缆试验报告

您可能关注的文档

元素商铺+ 关注
实名认证
内容提供者

欢迎挑选合适的文档

确认删除?
VIP
微信客服
  • 扫码咨询
会员Q群
  • 会员专属群点击这里加入QQ群
客服邮箱
回到顶部