电脑桌面
添加小米粒文库到电脑桌面
安装后可以在桌面快捷访问

FANUCMC系统数控铣床加工中心操作

FANUCMC系统数控铣床加工中心操作_第1页
1/40
FANUCMC系统数控铣床加工中心操作_第2页
2/40
FANUCMC系统数控铣床加工中心操作_第3页
3/40
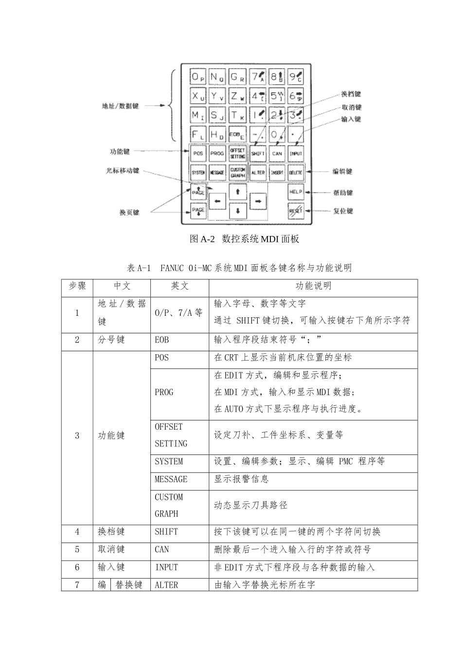
附录 A FANUC 0i-MC 系统数控铣床/加工中心操作一、记住操作面板外观与按键作用FANUC 0i-MC 系统 VDF-850 型加工中心系统与机床操作面板见图 A-1。1.数控系统 MDI 面板数控系统 MDI 面板如图 A-2 所示,各键说明见表 A-1。图 A-1 FANUC 0i-MC 系统 VDF-850 型加工中心系统与机床操作面板表 A-1 FANUC 0i-MC 系统 MDI 面板各键名称与功能说明步骤中文英文功能说明1地 址 / 数 据键O/P、7/A 等输入字母、数字等文字通过 SHIFT 键切换,可输入按键右下角所示字符2分号键EOB输入程序段结束符号“;”3功能键POS在 CRT 上显示当前机床位置的坐标PROG在 EDIT 方式,编辑和显示程序;在 MDI 方式,输入和显示 MDI 数据;在 AUTO 方式下显示程序与执行进度。OFFSETSETTING设定刀补、工件坐标系、变量等SYSTEM设置、编辑参数;显示、编辑 PMC 程序等MESSAGE显示报警信息CUSTOMGRAPH动态显示刀具路径4换档键SHIFT按下该键可以在同一键的两个字符间切换5取消键CAN删除最后一个进入输入行的字符或符号6输入键INPUT非 EDIT 方式下程序段与各种数据的输入7编替换键ALTER由输入字替换光标所在字图 A-2 数控系统 MDI 面板辑键插入键INSERT在光标后输入字删除键DELETE删除光标所在位置的字10换页键PAGE↓向程序结束方向翻页,↑向程序开始方向翻页11光标移动键分别向四个方向移动光标12帮助键HELP显示帮助信息13复位键RESET解除报警,CNC 复位2.CRT 显示操作软键按下 MDI 面板某一功能键(如 POS 键),属于所选功能的一组软键就会出现(见图 A-3)。按下一个“章节选择软键”,所选章节的屏幕就会显示出来;若目标章节的屏幕没有显示出来,可按下“菜单继续软键”进行搜索,直到目标章节显示后,按“操作选择软键”以显示要进行操作的数据。3.机床操作面板图 A-1 下半部分为机床操作面板,其各键说明见表 A-2。图 A-3 CRT 显示操作软键章节选择软键菜单继续软键菜单返回软键操作选择软键菜单返回软键:用于显示某一功能键下的第一级菜单。章节选择软键:用于某一功能键下各级菜单的显示和操作。操作选择软键:显示某一命令下的各种操作方式。菜单继续软键:显示命令多于 5个时,可用该键换屏显示。表 A-2 机床操作面板各键名称与功能说明步骤图形/英文键名名称功能说明1见图 A-4机床指示灯显示机床状态2方 式 选 择 波 段开关见图 A-5AUTO自动运行方式EDIT程序编辑方式MDI半自动方式或...

1、当您付费下载文档后,您只拥有了使用权限,并不意味着购买了版权,文档只能用于自身使用,不得用于其他商业用途(如 [转卖]进行直接盈利或[编辑后售卖]进行间接盈利)。
2、本站所有内容均由合作方或网友上传,本站不对文档的完整性、权威性及其观点立场正确性做任何保证或承诺!文档内容仅供研究参考,付费前请自行鉴别。
3、如文档内容存在违规,或者侵犯商业秘密、侵犯著作权等,请点击“违规举报”。

碎片内容

FANUCMC系统数控铣床加工中心操作

确认删除?
VIP
微信客服
  • 扫码咨询
会员Q群
  • 会员专属群点击这里加入QQ群
客服邮箱
回到顶部