电脑桌面
添加小米粒文库到电脑桌面
安装后可以在桌面快捷访问

IE工业工程管理资料7

IE工业工程管理资料7_第1页
1/7
IE工业工程管理资料7_第2页
2/7
IE工业工程管理资料7_第3页
3/7
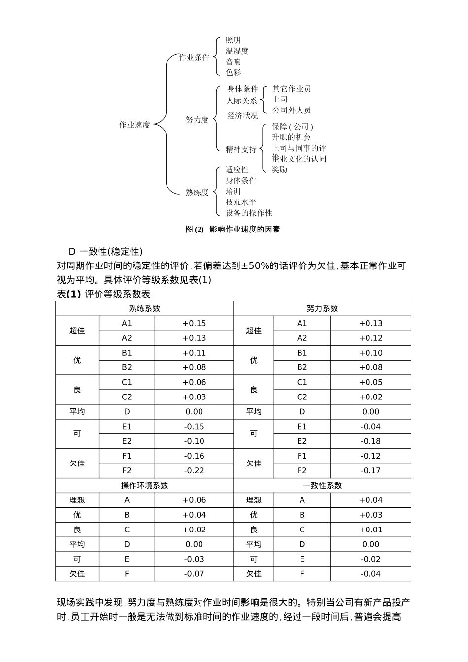
标准时间的设定一﹑标准工时概要1 ﹑ 什么是标准工时 (Standard Time) 标准工时是在正常的操作条件下﹐以标准的作业方法与合理的劳动强度和速度完成符合质量要求的工作所需的作业时间。它具有以下五项主要因素﹕(1) 正常的操作条件﹕工具条件与环境条件都符合作业容要求并且不易引起疲劳﹐如女子搬运重量不超过 4.5 公斤。(2) 熟练程度﹕大多数中等偏上水平作业者的熟练度﹐作业员要了解流程﹐懂得机器和工具的操作与使用。(3) 作业方法﹕作业标准规定的方法。(4) 劳动强度与速度﹕适合大多数普通作业者的强度与速度。(5) 质量标准﹕以产品的质量标准为准﹐基本原则是操作者通过自检与互检完成。由上述的定义可知标准时间是衡量一切工作的标准﹐它具有相当高的客观性与公平性。IE 的全部方法与手段都是为了保证所制定的标准时间公平合理﹐因为它是衡量效率的基准﹐同时也是进行科学的效率管理的基础﹐并最终被应用到销售﹑设计﹑采购﹑成本管理等相关领域。2 ﹑ 标准时间的意义与用途 制定合理的标准时间是科学管理的最基本工作﹐也是最重要的工作。无标准时间就无管理的第一步。通过标准时间的应用使参加工作的全部人都可以客观准确地计划﹑实施并评价工作结果。标准时间的应用非常广泛﹐是制造业必不可少的作业管理基准。标准时间的应用具体有以下几个方面﹕(1)制定生产计划﹔(2)人工工时计划与人员计划﹔(3)评价﹕不同作业者的工作表现﹐不同的供货商的效率成本﹐不同的作业方法的优劣﹔(4)用于制造产品的人工成本控制与管理﹐包括记件工资的标准﹔(5)对客户的估价与报价﹔(6)设备与工装的需求计划﹔(7)革新与改善的成绩评价。特别要强调的是标准时间不是一成不变的﹐随着作业方法与产品工艺的改进﹐标准时间也是在不断更新与提高的。3 ﹑ 标准时间的构成 “”“”大多数的标准时间是由 标准主体作业时间 和 标准准备时间 构成。此两项又分别由净作业时间和宽放时间构成。如下图(1)标准主体作业时间与标准准备时间是完成工作所必须进行的作业包括有效的机械作业以与事前准备和中间准备所消耗的时间。两项净时间总和称为正常时间。宽放时间普遍以相对于正常时间的比率﹐即宽放率的形式表示﹐标准时间的表述公式如下﹕标准时间=正常作业时间+宽放时间 =正常作业时间*(1+宽放率)二﹑标准时间的设定标准时间的设定方法总体大致分为经验估算与科学的时间分析与时间预置(PTS)法等﹐本书着重介绍时间分析的测量方法与各种方法...

1、当您付费下载文档后,您只拥有了使用权限,并不意味着购买了版权,文档只能用于自身使用,不得用于其他商业用途(如 [转卖]进行直接盈利或[编辑后售卖]进行间接盈利)。
2、本站所有内容均由合作方或网友上传,本站不对文档的完整性、权威性及其观点立场正确性做任何保证或承诺!文档内容仅供研究参考,付费前请自行鉴别。
3、如文档内容存在违规,或者侵犯商业秘密、侵犯著作权等,请点击“违规举报”。

碎片内容

IE工业工程管理资料7

您可能关注的文档

确认删除?
VIP
微信客服
  • 扫码咨询
会员Q群
  • 会员专属群点击这里加入QQ群
客服邮箱
回到顶部