电脑桌面
添加小米粒文库到电脑桌面
安装后可以在桌面快捷访问

LED芯片进料检验标准

LED芯片进料检验标准_第1页
1/6
LED芯片进料检验标准_第2页
2/6
LED芯片进料检验标准_第3页
3/6
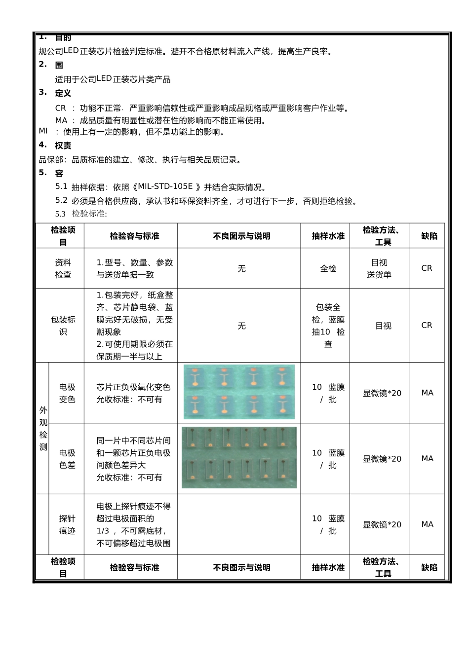
修订记录日期版次修订条款修订容简述修订人备注编制/ 日期:审核/ 日期:批准/ 日期:会签□总经办□财务中□营销中□市场部□研发□资材中□采购□仓库□体系课□项目办□人力资源□行政□事业部□品保□工程设备处□OJT□运营中心□照明(SMD)□灯丝□插件□COB□工程□设备□IE本资料为源磊科技之所有财产,未经书面许可——不准透露或使用本资料,亦不准复印、复制或转变成其它形式使用。1.目的规公司LED正装芯片检验判定标准。避开不合格原材料流入产线,提高生产良率。2.围 适用于公司LED正装芯片类产品3.定义CR :功能不正常﹑严重影响信赖性或严重影响成品规格或严重影响客户作业等。MA :成品质量有明显性或潜在性的影响而不能正常使用。MI:使用上有一定的影响,但不是功能上的影响。4.权责品保部:品质标准的建立、修改、执行与相关品质记录。5.容5.1 抽样依据:依照《MIL-STD-105E 》并结合实际情况。5.2 必须是合格供应商,承认书和环保资料齐全,才可进行下一步,否则拒绝检验。5.3 检验标准:检验项目检验容与标准不良图示与说明抽样水准检验方法、工具缺陷资料检查1.型号、数量、参数与送货单据一致无全检 目视 送货单CR包装标识1.包装完好,纸盒整齐、芯片静电袋、蓝膜完好无破损,无受潮现象2.可使用期限必须在保质期一半与以上无包装全检,蓝膜抽10检查目视CR外观检测电极变色芯片正负极氧化变色允收标准:不可有10蓝膜/ 批显微镜*20MA电极色差同一片中不同芯片间和一颗芯片正负电极间颜色差异大允收标准:不可有10蓝膜/ 批显微镜*20MA探针痕迹电极上探针痕迹不得超过电极面积的1/3 ,不可露底材,不可偏移超过电极围 10蓝膜/ 批显微镜*20MA检验项目检验容与标准不良图示与说明抽样水准检验方法、工具缺陷外观检测切割不良芯片破损、增生、形状 大 小 不 规 则 、 裂纹,允收标准:芯片破损(增生)面积≤ 1/5 芯片面积,裂纹不可有。10蓝膜/ 批显微镜*20MA电极刮花芯片表面的电极区域有刮伤的痕迹允收标准:电极区:芯片任一电极刮伤面积<该电极面积的1/5非电极区:非电极区刮伤面积<该芯片面积的1/4 且不可损伤到PN 结。10蓝膜/ 批显微镜*20MA芯片表面脏污芯片表面有污染痕迹允收标准:电极区:污染面积<该电极面积的1/5非电极区:污染面积<该芯片面积的1/410蓝膜/ 批显微镜*20MA掉电极1.电极脱落,有缺口允收标准:不可有2.金手指脱落允收标准:距离电极1/2 以脱落不可接受10蓝膜/ 批显...

1、当您付费下载文档后,您只拥有了使用权限,并不意味着购买了版权,文档只能用于自身使用,不得用于其他商业用途(如 [转卖]进行直接盈利或[编辑后售卖]进行间接盈利)。
2、本站所有内容均由合作方或网友上传,本站不对文档的完整性、权威性及其观点立场正确性做任何保证或承诺!文档内容仅供研究参考,付费前请自行鉴别。
3、如文档内容存在违规,或者侵犯商业秘密、侵犯著作权等,请点击“违规举报”。

碎片内容

LED芯片进料检验标准

确认删除?
VIP
微信客服
  • 扫码咨询
会员Q群
  • 会员专属群点击这里加入QQ群
客服邮箱
回到顶部