电脑桌面
添加小米粒文库到电脑桌面
安装后可以在桌面快捷访问

RBT214-2024版检验检测机构内审全套资料

RBT214-2024版检验检测机构内审全套资料_第1页
1/37
RBT214-2024版检验检测机构内审全套资料_第2页
2/37
RBT214-2024版检验检测机构内审全套资料_第3页
3/37
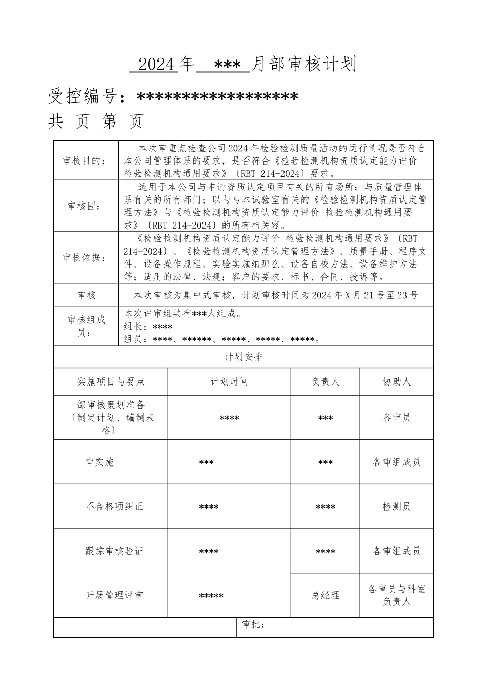
2024 年 *** 月部审核计划受控编号:****************** 共 页 第 页审核目的: 本次审重点检查公司 2024 年检验检测质量活动的运行情况是否符合本公司管理体系的要求,是否符合《检验检测机构资质认定能力评价 检验检测机构通用要求》〔RBT 214-2024〕要求。审核围: 适用于本公司与申请资质认定项目有关的所有场所;与质量管理体系有关的所有部门;以与与本试验室有关的《检验检测机构资质认定管理方法》与《检验检测机构资质认定能力评价 检验检测机构通用要求》〔RBT 214-2024〕的所有相关容。审核依据:《检验检测机构资质认定能力评价 检验检测机构通用要求》〔RBT 214-2024〕、《检验检测机构资质认定管理方法》、质量手册、程序文件、设备操作规程、实验实施细那么、设备自校方法、设备维护方法等;适用的法律、法规;客户的要求、标书、合同、投诉等。审核本次审核为集中式审核,计划审核时间为 2024 年 X 月 21 号至 23 号审核组成员:本次评审组共有***人组成。 组长:****组员:****、******、*****、*****、*****。计划安排实施项目与要点计划时间负责人协助人部审核策划准备〔制定计划、编制表格〕**** ***各审员审实施******各审组成员不合格项纠正********检测员跟踪审核验证********各审组成员开展管理评审*****总经理各审员与科室负责人审批: 日期:2024 年***月 ***日期:2024 年 ***月***日 部审核实施计划表 受控编号:********* 共 2 页 第 1 页********质量检测***** 〔 **** 〕第 **** 号 实验室各科室:根据《检验检测机构资质认定能力评价 检验检测机构通用要求》〔RBT 214-2024〕和本实验室质量体系计划的安排,拟于 2024 年***月***日至***日进展 2024 年度****月份部质量体系审核。现将审实施计划发给你们,请根据计划表容结合质量手册、程序文件、记录、报告等体系资料做好准备,迎接审。审核目的:审核 2024 年本公司的检验检测活动是否符合本公司质量管理体系的要求,确保质量体系持续、有效的运行,并为质量体系的改良提供依据。审核要求:采纳集中式审核,要事、不徇私舞弊、做到严格、公正、客观。审核围:检验检测机构资质认定评审准那么各要素涉与的实验室各部门。审核依据:《检验检测机构资质认定能力评价 检验检测机构通用要求》〔RBT 214-2024〕,质量体系文件【例如:《质量手册》、《程序文件》】,相关法律、法规和试验标准等。审核 2024...

1、当您付费下载文档后,您只拥有了使用权限,并不意味着购买了版权,文档只能用于自身使用,不得用于其他商业用途(如 [转卖]进行直接盈利或[编辑后售卖]进行间接盈利)。
2、本站所有内容均由合作方或网友上传,本站不对文档的完整性、权威性及其观点立场正确性做任何保证或承诺!文档内容仅供研究参考,付费前请自行鉴别。
3、如文档内容存在违规,或者侵犯商业秘密、侵犯著作权等,请点击“违规举报”。

碎片内容

RBT214-2024版检验检测机构内审全套资料

您可能关注的文档

确认删除?
VIP
微信客服
  • 扫码咨询
会员Q群
  • 会员专属群点击这里加入QQ群
客服邮箱
回到顶部