电脑桌面
添加小米粒文库到电脑桌面
安装后可以在桌面快捷访问

REACH-173项符合性声明-中英文版

REACH-173项符合性声明-中英文版_第1页
1/12
REACH-173项符合性声明-中英文版_第2页
2/12
REACH-173项符合性声明-中英文版_第3页
3/12
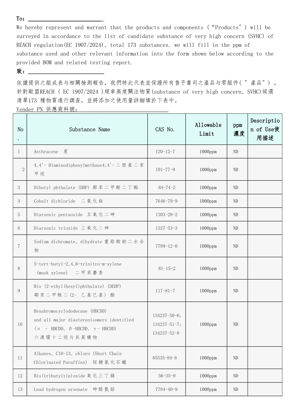
To:_________________________ We hereby represent and warrant that the products and components (“Products〞) will be surveyed in accordance to the list of candidate substance of very high concern (SVHC) of REACH regulation(EC 1907/2024), total 173 substances. we will fill in the ppm of substance used and other relevant information into the form shown below according to the provided BOM and related testing report.致:__________________________依據提供之組成表与相關檢測報告,我們特此代表並保證所有售予貴司之產品与零組件( 〞產品〞) ,針對歐盟REACH ( EC 1907/2024 )規章高度關注物質(substance of very high concern, SVHC)候選清單173 種物質進行調查,並將添加之使用量詳細填於下表中。Vender PN 供應商料號: ______________________________ No.Substance NameCAS No.Allowable Limitppm濃度Description of Use使用描述1Anthracene蒽120-12-71000ppmND24,4'- Diaminodiphenylmethane4,4'- 二 胺 基 二 苯甲 烷101-77-91000ppmND3Dibutyl phthalate (DBP) 鄰 苯 二 甲 酸 二 丁 酯84-74-21000ppmND4Cobalt dichloride二 氯 化 鈷7646-79-91000ppmND5Diarsenic pentaoxide 五 氧 化 二 砷1303-28-21000ppmND6Diarsenic trioxide 三 氧 化 二 砷1327-53-31000ppmND7Sodium dichromate, dihydrate 重 鉻 酸 鈉 二 水 合物7789-12-01000ppmND85-tert-butyl-2,4,6-trinitro-m-xylene (musk xylene) 二 甲 苯 麝 香81-15-21000ppmND9Bis (2-ethyl(hexyl)phthalate) (DEHP) 鄰 苯 二 甲 酸 二 (2-乙 基 已 基 ) 酯117-81-71000ppmND10Hexabromocyclododecane (HBCDD) and all major diastereoisomers identified (α – HBCDD, β-HBCDD, γ- HBCDD) 六 溴 環 十 二 烷 与 其 異 構 物134237-50-6; 134237-51-7; 134237-52-81000ppmND11Alkanes, C10-13, chloro (Short Chain Chlorinated Paraffins) 短 鏈 氯 化 石 蠟85535-84-81000ppmND12Bis(tributyltin)oxide 氧 化 三 丁 錫56-35-91000ppmND13Lead hydrogen arsenate砷 酸 氫 鉛7784-40-91000ppmND14Triethyl arsenate三 乙 基 砷 酸 酯1...

1、当您付费下载文档后,您只拥有了使用权限,并不意味着购买了版权,文档只能用于自身使用,不得用于其他商业用途(如 [转卖]进行直接盈利或[编辑后售卖]进行间接盈利)。
2、本站所有内容均由合作方或网友上传,本站不对文档的完整性、权威性及其观点立场正确性做任何保证或承诺!文档内容仅供研究参考,付费前请自行鉴别。
3、如文档内容存在违规,或者侵犯商业秘密、侵犯著作权等,请点击“违规举报”。

碎片内容

REACH-173项符合性声明-中英文版

您可能关注的文档

确认删除?
VIP
微信客服
  • 扫码咨询
会员Q群
  • 会员专属群点击这里加入QQ群
客服邮箱
回到顶部