电脑桌面
添加小米粒文库到电脑桌面
安装后可以在桌面快捷访问

《典型零件的数控编程与加工仿真》毕业论文样式VIP专享

《典型零件的数控编程与加工仿真》毕业论文样式_第1页
1/19
《典型零件的数控编程与加工仿真》毕业论文样式_第2页
2/19
《典型零件的数控编程与加工仿真》毕业论文样式_第3页
3/19
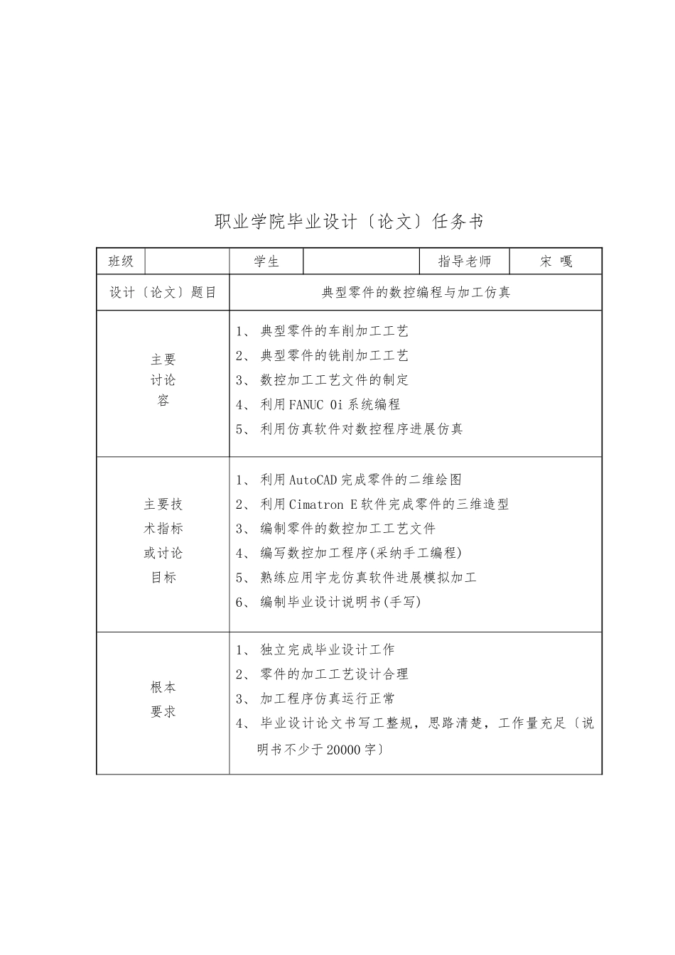
职业学院毕业设计〔论文〕题目: 系别:专业:班级:学生:指导老师:完成日期:职业学院毕业设计〔论文〕任务书班级学生指导老师宋 嘎设计〔论文〕题目典型零件的数控编程与加工仿真主要讨论容1、 典型零件的车削加工工艺2、 典型零件的铣削加工工艺3、 数控加工工艺文件的制定4、 利用 FANUC 0i 系统编程5、 利用仿真软件对数控程序进展仿真主要技术指标或讨论目标1、 利用 AutoCAD 完成零件的二维绘图2、 利用 Cimatron E 软件完成零件的三维造型3、 编制零件的数控加工工艺文件4、 编写数控加工程序(采纳手工编程)5、 熟练应用宇龙仿真软件进展模拟加工6、 编制毕业设计说明书(手写)根本要求1、 独立完成毕业设计工作2、 零件的加工工艺设计合理3、 加工程序仿真运行正常4、 毕业设计论文书写工整规,思路清楚,工作量充足〔说明书不少于 20000 字〕主要参考资料与文献1、 数控加工工艺2、 数控编程与加工3、机械零件加工工艺手册4、 机械制造技术根底5、 刀具手册6、 宇龙数控仿真软件职业学院毕业设计指导书设计题目 典型零件的数控编程与加工仿真 班 级 姓 名 指导老师 宋 嘎2024 年 11 月一、 设计题目:典型零件的数控编程与加工仿真二、 背景与目的数控加工的广泛运用给机械制造业的生产方式、产品结构、产业结构都带来了深刻的变化,是制造业实现自动化、柔性化、集成化生产的根底。如何良好地运用数控机床,发挥其高精度、高效率等特点,是制造行业从业人员面临的一个大问题;另一方面,高职院校数控技术专业正是要培育这种掌握数控工艺和加工技术的高端技能型人才。因此,应该使学生熟练掌握数控加工工艺的制定,数据程序的编制和数控机床的操作等技能,使他们毕业后能够快速上岗,从而提高就业竞争能力。在三年的学习中,机电一体化技术专业的毕业生系统地学习了本课题所涉与到的《机械设计根底》、《机械制造技术根底》、《机加工设备》、《数控编程与加工》等专业理论知识,为使学生更加全面地掌握所学理论知识,做到融会贯穿,在将来的就业竞争、生存竞争中立于不败之地,特设这一课题。本课题设计目的:1、 熟练掌握典型零件的车削加工工艺2、 熟练掌握典型零件的铣削加工工艺3、 熟练掌握 FANUC 0i 系统的程序编制4、 掌握计算机二维绘图和三维造型的应用5、 熟练掌握宇龙数控仿真软件的应用三、 设计过程与容 〔一〕计算机绘图利用 Cimatron E 软件完成零件的三维...

1、当您付费下载文档后,您只拥有了使用权限,并不意味着购买了版权,文档只能用于自身使用,不得用于其他商业用途(如 [转卖]进行直接盈利或[编辑后售卖]进行间接盈利)。
2、本站所有内容均由合作方或网友上传,本站不对文档的完整性、权威性及其观点立场正确性做任何保证或承诺!文档内容仅供研究参考,付费前请自行鉴别。
3、如文档内容存在违规,或者侵犯商业秘密、侵犯著作权等,请点击“违规举报”。

碎片内容

《典型零件的数控编程与加工仿真》毕业论文样式

确认删除?
VIP
微信客服
  • 扫码咨询
会员Q群
  • 会员专属群点击这里加入QQ群
客服邮箱
回到顶部