电脑桌面
添加小米粒文库到电脑桌面
安装后可以在桌面快捷访问

义乌医院管网管道安装施工组织设计方案

义乌医院管网管道安装施工组织设计方案_第1页
1/8
义乌医院管网管道安装施工组织设计方案_第2页
2/8
义乌医院管网管道安装施工组织设计方案_第3页
3/8
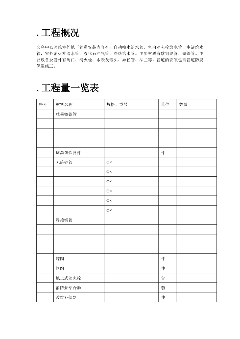
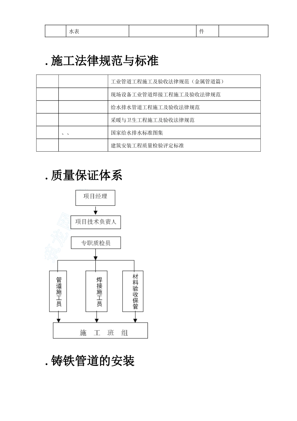
目录第一章 .工程概况................................................................第二章 .工程量一览表............................................................第三章 .施工法律规范与标准......................................................第四章 .质量保证体系............................................................第五章 .铸铁管道的安装..........................................................第节 施工工艺...............................................................第节 管道焊接施工方案........................................................工程概况义乌中心医院室外地下管道安装内容有:自动喷水给水管,室内消火栓给水管,生活给水管,室外消火栓给水管,液化石油气管,冷热给水管。主要材质有碳钢钢管、铸铁管。主要设备及管件有阀门、消火栓、水表及弯头、异径管、法兰等。管道的安装包括管道防腐保温施工。.工程量一览表序号材料名称规格、型号单位数量球墨铸铁管球墨铸铁管件件无缝钢管Φ×Φ×Φ×Φ×Φ×Φ×焊接钢管蝶阀件闸阀件地上式消火栓台消防泵结合器套波纹补偿器件水表件.施工法律规范与标准工业管道工程施工及验收法律规范(金属管道篇)现场设备工业管道焊接工程施工及验收法律规范给水排水管道工程施工及验收法律规范采暖与卫生工程施工及验收法律规范、、国家给水排水标准图集建筑安装工程质量检验评定标准.质量保证体系.铸铁管道的安装第一节施工工艺 前期准备:() 指派专人根据提供的施工现场范围内、水准点、原始资料、土建构筑物座标位置及纵横轴线与管道直线位置的距离尺寸,并绘图作记录。() 配合土建预埋预留。预埋管口的座标,标高的尺寸必须与土建人员密切配合,特别是标高数据,必须正确,避开偏差,并为今后顺利安装管道提供保证。 管沟放线与开挖:() 以先深后浅的原则,进行管线的放线测量与开挖。() 根据提供的施工现场平面基准点原始资料,以及设计图纸的座标数据,使用钢盘尺、经纬仪,测出管线的实际位置,在地面上打上木桩(中心桩),再在木桩上钉上中心钉,作为放线的基准,并作出标记。其中心桩位置与实际管线的直线位置,有参照距离尺寸(建成立参照点)。() 在管系转弯及分支处,也分别在地面上打上中心桩,钉上中心钉,并测出与相邻土建构筑物纵横轴线的直线距离,绘图作出记录。() 管沟开挖的断面形式及边坡,...

1、当您付费下载文档后,您只拥有了使用权限,并不意味着购买了版权,文档只能用于自身使用,不得用于其他商业用途(如 [转卖]进行直接盈利或[编辑后售卖]进行间接盈利)。
2、本站所有内容均由合作方或网友上传,本站不对文档的完整性、权威性及其观点立场正确性做任何保证或承诺!文档内容仅供研究参考,付费前请自行鉴别。
3、如文档内容存在违规,或者侵犯商业秘密、侵犯著作权等,请点击“违规举报”。

碎片内容

义乌医院管网管道安装施工组织设计方案

确认删除?
VIP
微信客服
  • 扫码咨询
会员Q群
  • 会员专属群点击这里加入QQ群
客服邮箱
回到顶部