电脑桌面
添加小米粒文库到电脑桌面
安装后可以在桌面快捷访问

住宅工程质量逐套验收表

住宅工程质量逐套验收表_第1页
1/252
住宅工程质量逐套验收表_第2页
2/252
住宅工程质量逐套验收表_第3页
3/252
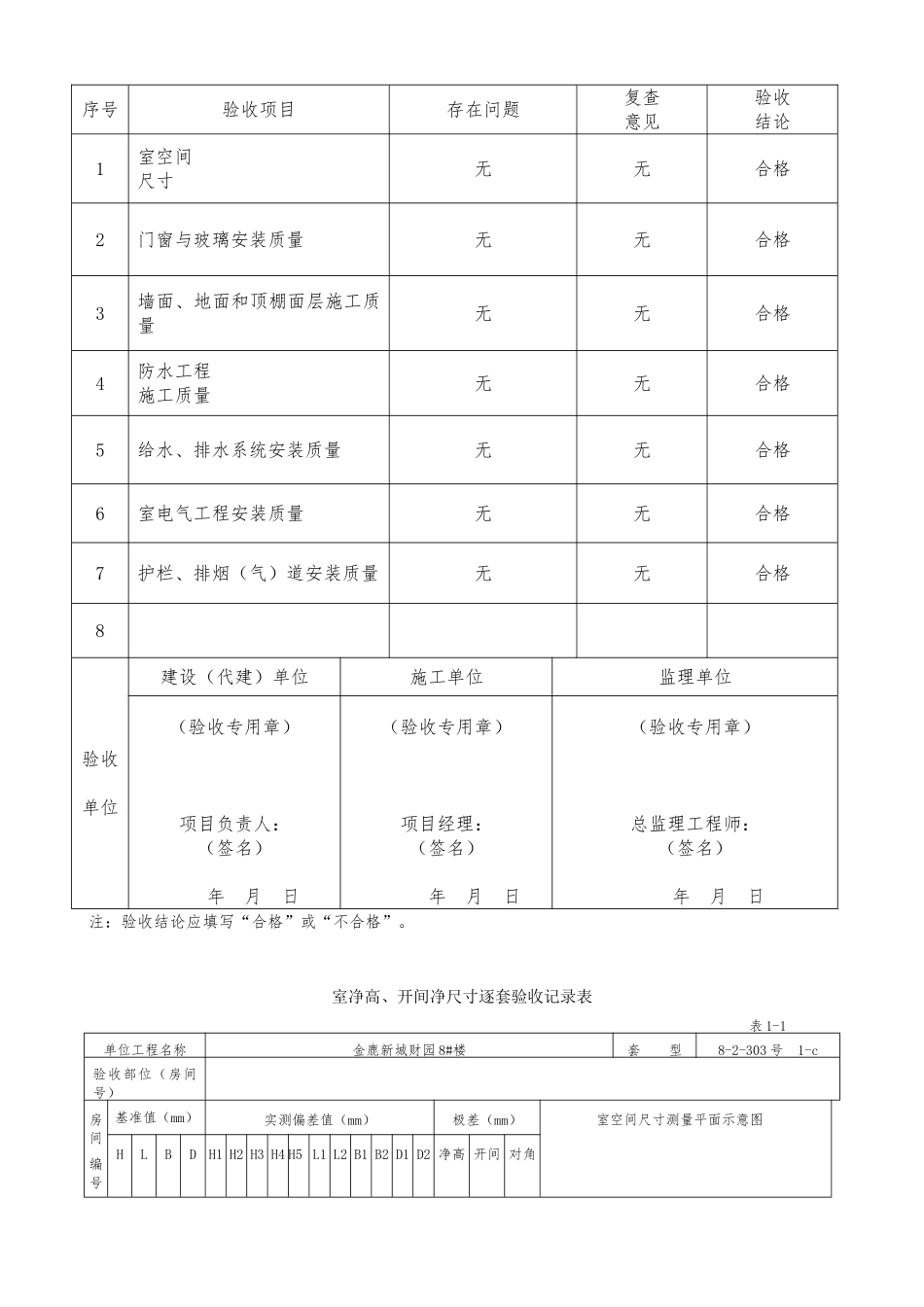
住宅工程质量逐套验收表工程名称:金鹿新城财园 8#楼 表一房号8#楼 2 单元 303 号套 型1-c 型建设(代建)单位市金地房地产开发监理单位市广厦工程建设监理公司施工单位市众鑫建筑开工日期2024 年 1 月 15 日竣工日期年 月 日序号验 收 容验 收 结 论1室空间尺寸符合设计要求2门窗安装质量符合设计要求3墙面、地面和顶棚面层施工质量符合设计要求4防水工程施工质量符合设计要求5给水、排水系统安装质量符合设计要求6室电气工程安装质量符合设计要求7护栏、排烟(气)道安装质量符合设计要求8综合验收结论该套质量经三方验收合格。验收单位建设(代建)单位施工单位监理单位(验收专用章)单位负责人:(签名) 年月日(验收专用章)单位负责人:(签名) 年月日(验收专用章)总监理工程师:(签名) 年月日 2 单元 303 号 套住宅逐套验收汇总表工程名称:金鹿新城财园 8#楼 套型: 1-c 型 表二序号验收项目存在问题复查意见验收结论1室空间尺寸无无合格2门窗与玻璃安装质量无无合格3墙面、地面和顶棚面层施工质量无无合格4防水工程施工质量无无合格5给水、排水系统安装质量无无合格6室电气工程安装质量无无合格7护栏、排烟(气)道安装质量无无合格8验收单位建设(代建)单位施工单位监理单位(验收专用章)项目负责人:(签名) 年 月 日(验收专用章)项目经理:(签名) 年 月 日(验收专用章)总监理工程师:(签名)年 月 日注:验收结论应填写“合格”或“不合格”。室净高、开间净尺寸逐套验收记录表表 1-1单位工程名称金鹿新城财园 8#楼套 型8-2-303 号 1-c验收部位(房间号)房间编号基准值(mm)实测偏差值(mm)极差(mm)室空间尺寸测量平面示意图HLBDH1 H2 H3 H4 H5 L1 L2 B1 B2 D1 D2 净高 开间 对角填 表 说 明1、基准值指净高 H、L1 和 L2 方向开间净尺寸 L、B1 和 B2 方向开间净尺寸B、对角线净尺寸 D 的设计值。2、实测值与基准值之差即为实测偏差值,极差为实测偏差值中最大与最小值之差的绝对值。3、每套抽查房间数应不少于套自然间(含卫生间、储物间)总数的 30%且不少于3间。4、实测偏差值或极差值大于 30mm为不合格。复 查 记 录实测房间 3 间,需整改的房间号。复 查 结 论验收结论合格建设(代建)单位施工场地代表(签章): 年 月 日施工单位质量检查员(签章): 年 月 日监理工程师(签章): 年 月 日室净高、开间...

1、当您付费下载文档后,您只拥有了使用权限,并不意味着购买了版权,文档只能用于自身使用,不得用于其他商业用途(如 [转卖]进行直接盈利或[编辑后售卖]进行间接盈利)。
2、本站所有内容均由合作方或网友上传,本站不对文档的完整性、权威性及其观点立场正确性做任何保证或承诺!文档内容仅供研究参考,付费前请自行鉴别。
3、如文档内容存在违规,或者侵犯商业秘密、侵犯著作权等,请点击“违规举报”。

碎片内容

住宅工程质量逐套验收表

您可能关注的文档

确认删除?
VIP
微信客服
  • 扫码咨询
会员Q群
  • 会员专属群点击这里加入QQ群
客服邮箱
回到顶部